No power to driver door passenger door lock only?

Tiny
WMASON1
  • MEMBER
  • 2003 CHEVROLET SILVERADO
  • 5.3L
  • V8
  • 4WD
  • AUTOMATIC
  • 227,000 MILES
No power to driver door passenger door lock only?
Tuesday, February 10th, 2015 AT 11:04 AM

2 Replies

Tiny
WRENCHTECH
  • MECHANIC
  • 20,761 POSTS
I don't know what you mean by that. This system doesn't use any power at the switches.
Was this
answer
helpful?
Yes
No
Tuesday, February 10th, 2015 AT 12:08 PM
Tiny
KEN L
  • MASTER CERTIFIED MECHANIC
  • 55,488 POSTS
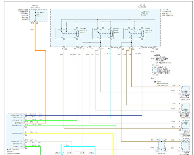
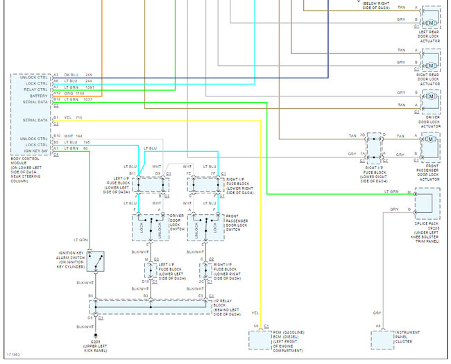
There is a 10 amp fuse and a drivers door lock relay I would sway out, here is the power door lock wiring diagrams so you can see how the system works and the fuse and relay location in the images below. Check out the images (below). Please let us know what happens.
Was this
answer
helpful?
Yes
No
Saturday, July 6th, 2024 AT 2:11 PM

Please login or register to post a reply.