Horns don't work. Checked fuse and ok. Checked relay ok?

Tiny
ULUZZ
  • MEMBER
  • 2002 CHEVROLET SILVERADO
  • V8
  • 4WD
  • AUTOMATIC
  • 42,000 MILES
2002 chevy silverado 1500HD 4x4 horns don't work. Checked fuse snd ok. Checked relay ok. Panic button on factory alarm will set off alarm and it seems to be flashing but no sound from horns. Anyone have an idea on what could be wrong. Am I missing something here? Only thing left I can see it might be is the horns it's self or I guess the switch in the steering wheel. Please, someone help me out. Also can anyone tell me where online I can get the wiring diagram for the 2002 chevy silverado 1500HD 4x4 for free?

thanks,
jeff
Wednesday, March 26th, 2008 AT 11:24 AM

1 Reply

Tiny
SQM
  • MECHANIC
  • 6,383 POSTS
Hello,

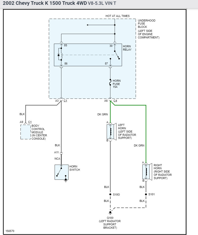
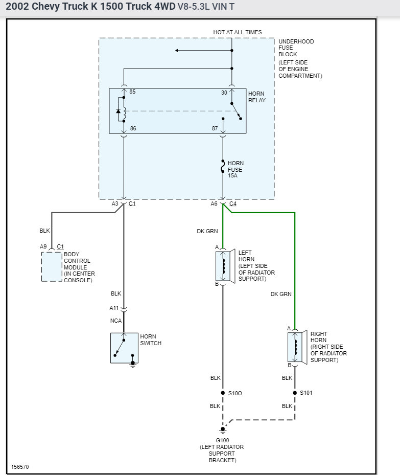
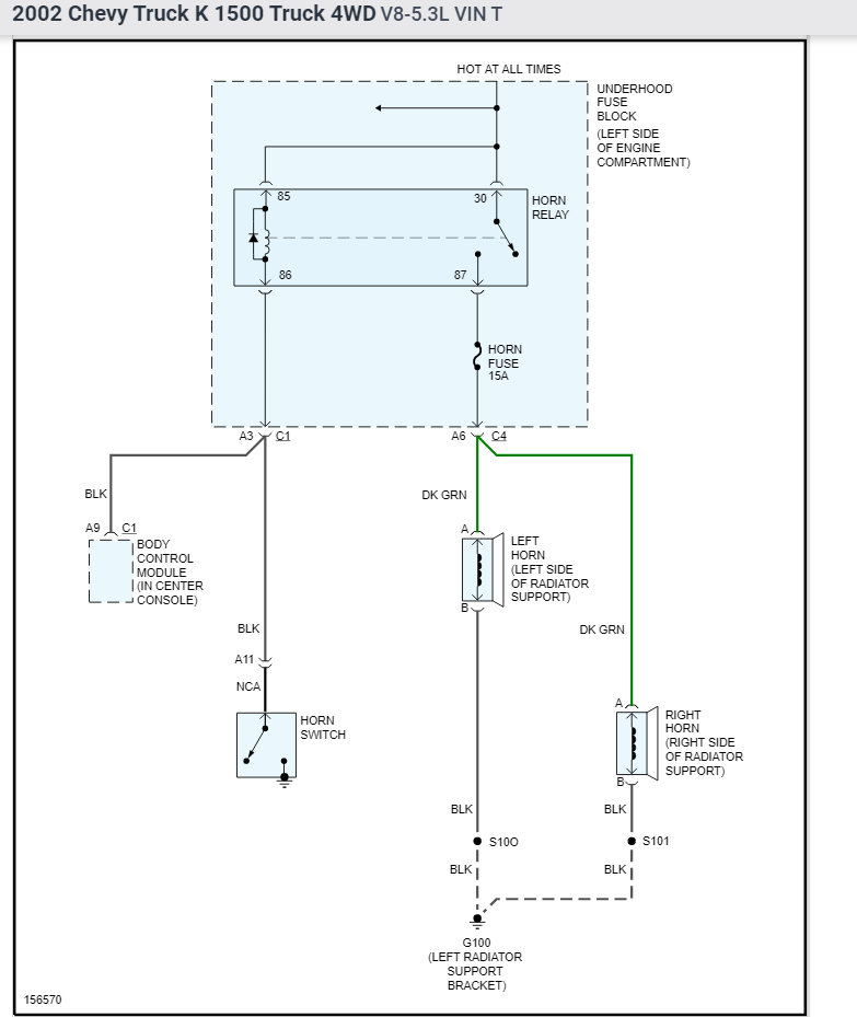
You could have a bad ground or a short in the horn circuit. Check to see if there is power to the horn. I have attached the wiring schematics below.
Also make sure the ground is secured and does not have any corrosion.

https://www.2carpros.com/articles/how-to-check-wiring

If there is power and the ground is secured, then the horn itself is faulty.

I have attached diagrams for your reference.

Please let me know if you have any questions.
Thank you.
Was this
answer
helpful?
Yes
No
+3
Wednesday, November 3rd, 2021 AT 8:44 PM

Please login or register to post a reply.