My horn won't work I've tried changing the fuse?

Tiny
CAMPING
  • MEMBER
  • 2000 CHEVROLET SILVERADO
My horn won't work I've tried changing the fuse?
Saturday, July 19th, 2008 AT 7:09 AM

1 Reply

Tiny
SQM
  • MECHANIC
  • 6,383 POSTS
Hello,

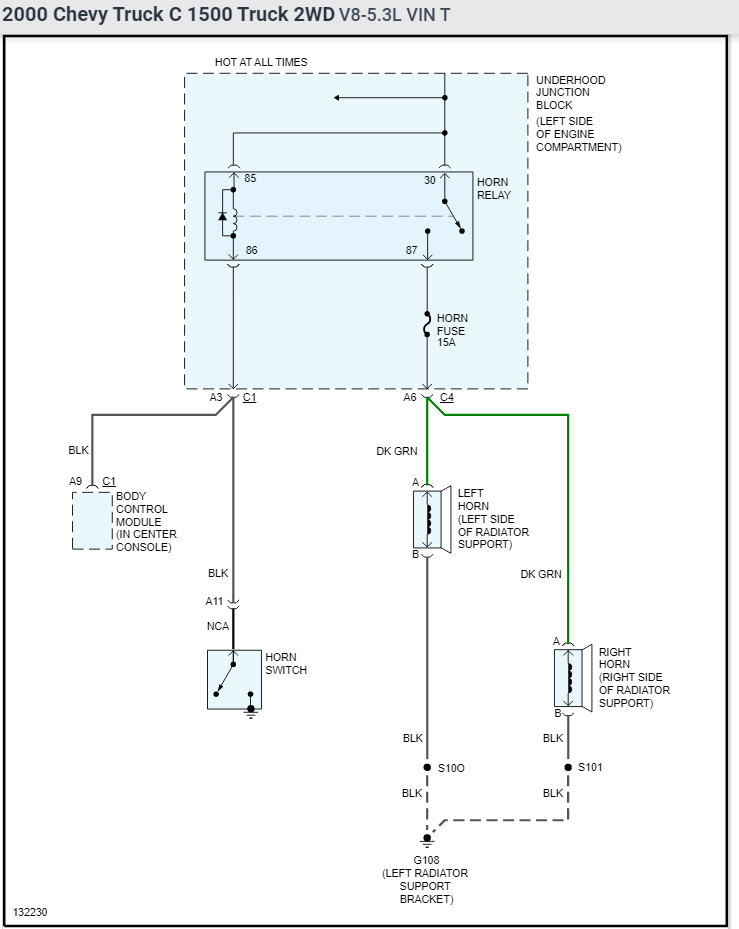
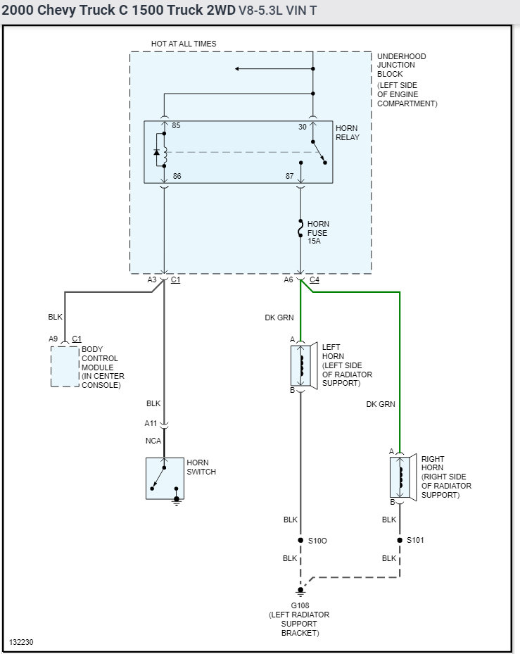
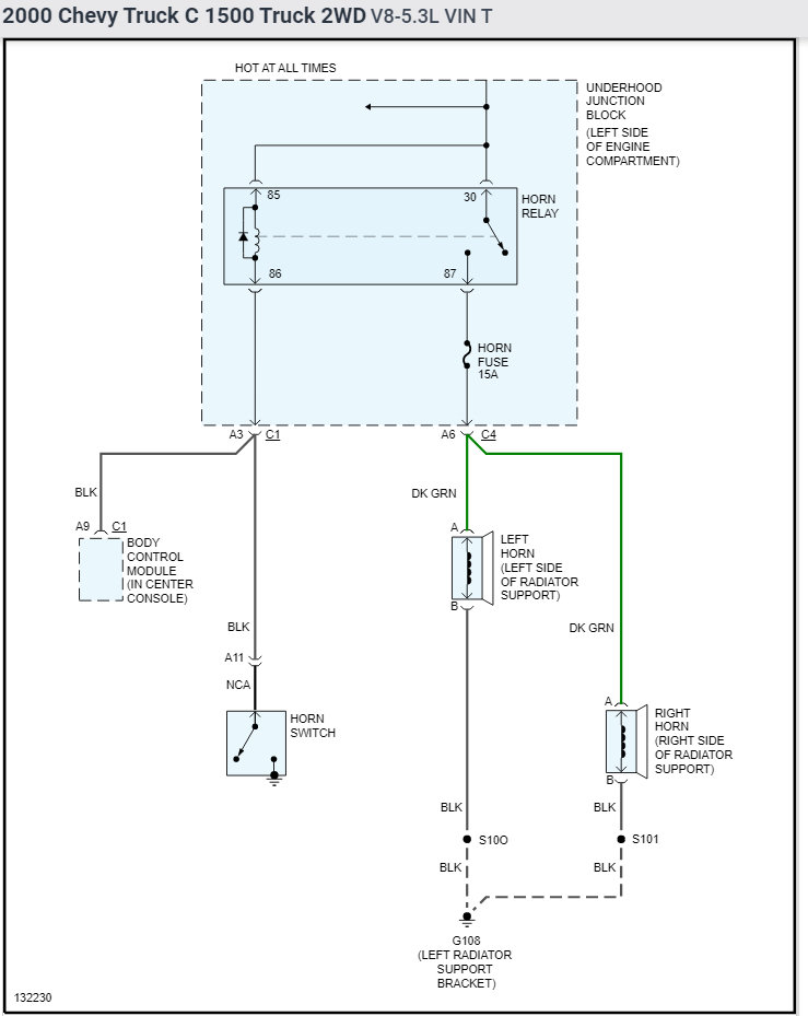
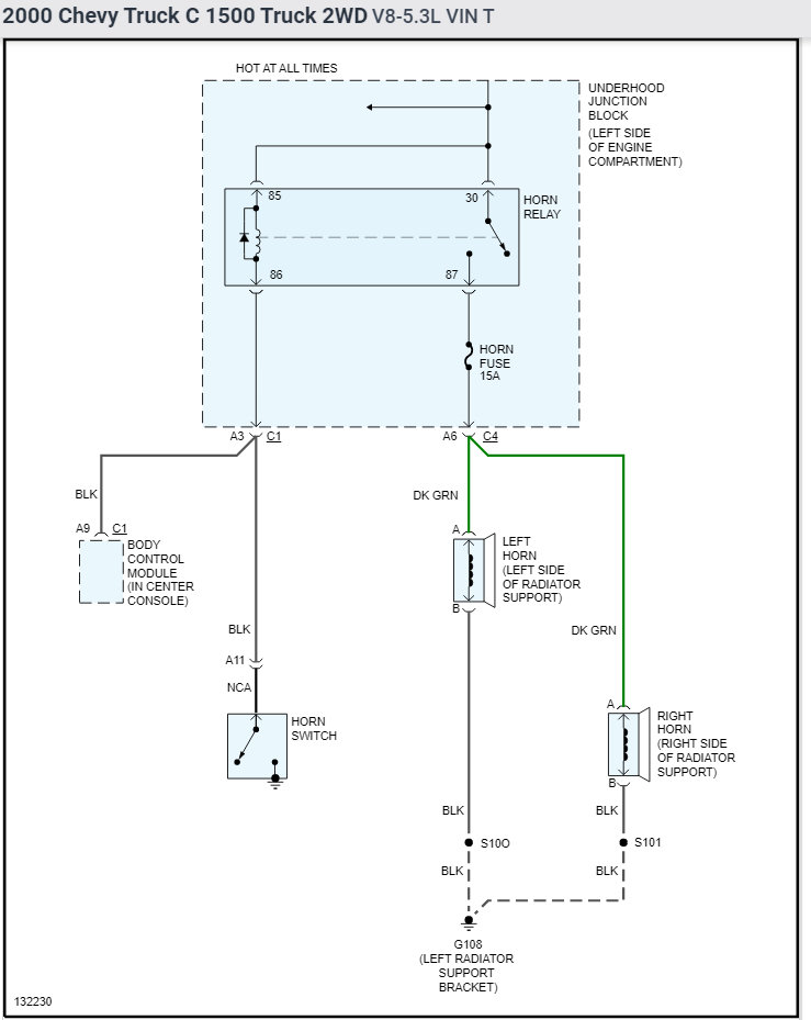
An inoperative horn can be due to a faulty horn relay, wiring issue, malfunctioning switch or a bad horn.
The relay for the horn is located in the under-hood fuse box (see diagram below).
Check the relay for any burn pin(s) or corrosion.
That relay can also be tested:

https://www.2carpros.com/articles/how-to-check-an-electrical-relay-and-wiring-control-circuit

If the relay is good, then check to see if you have any power to the horn. If there is power, then the issue is faulty horn. If there is no power, then it could be a bad switch.

I have attached the wiring schematics below for your reference.

Please let me know if you have any questions.
Thank you.
Was this
answer
helpful?
Yes
No
Saturday, January 29th, 2022 AT 9:51 PM

Please login or register to post a reply.