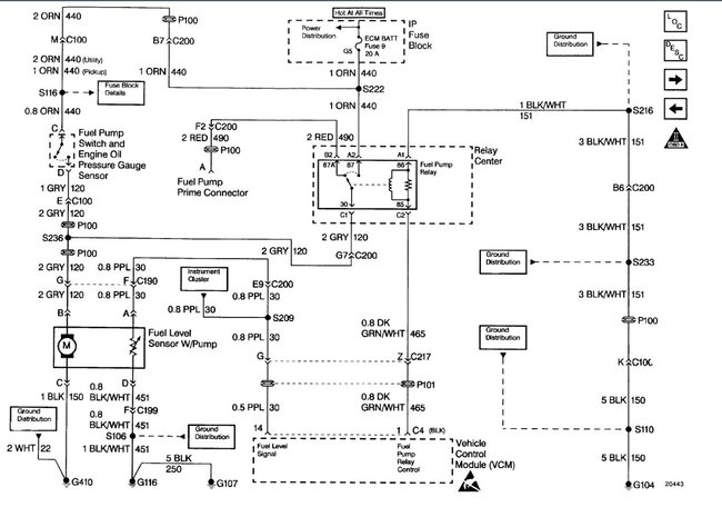
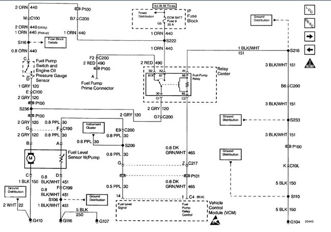
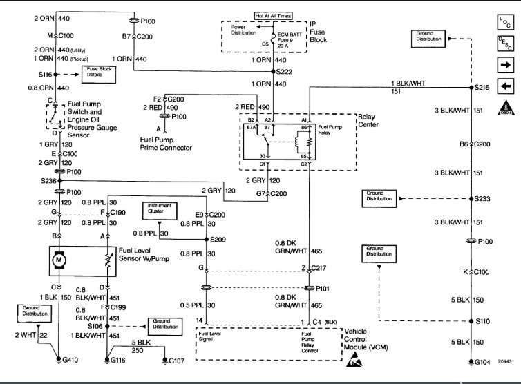
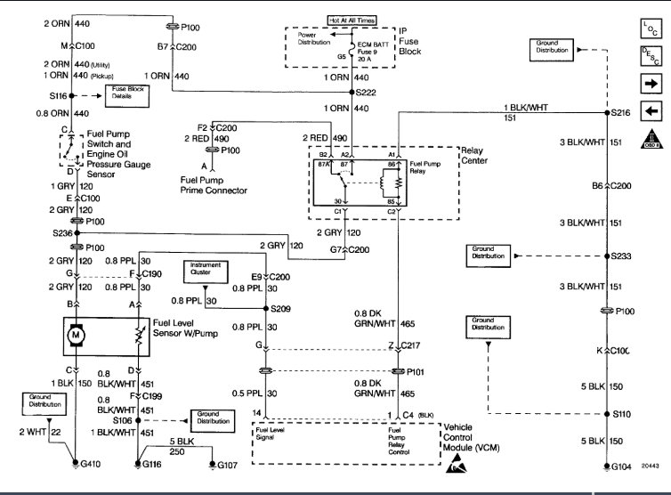
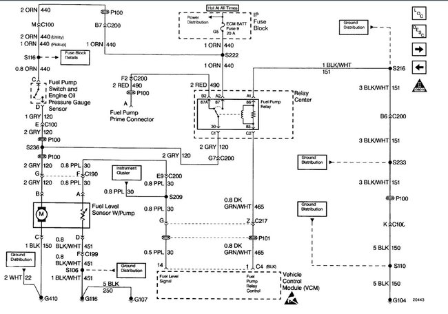
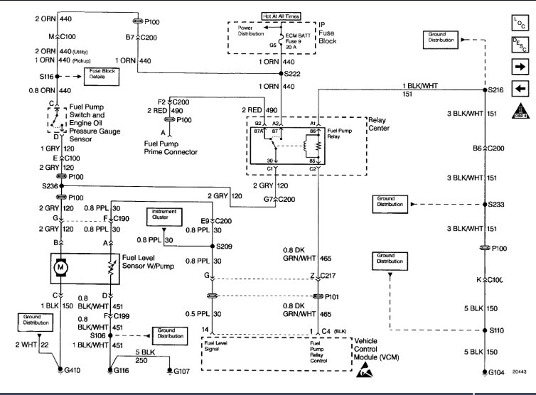
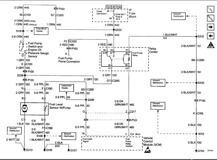
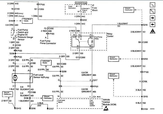
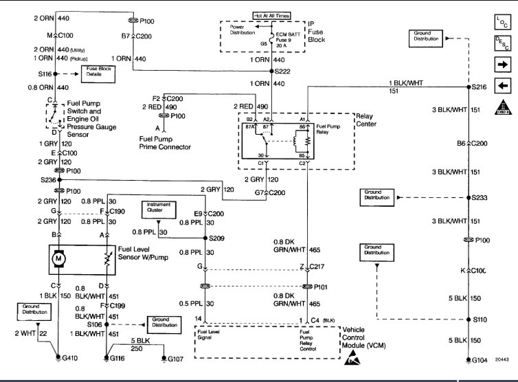
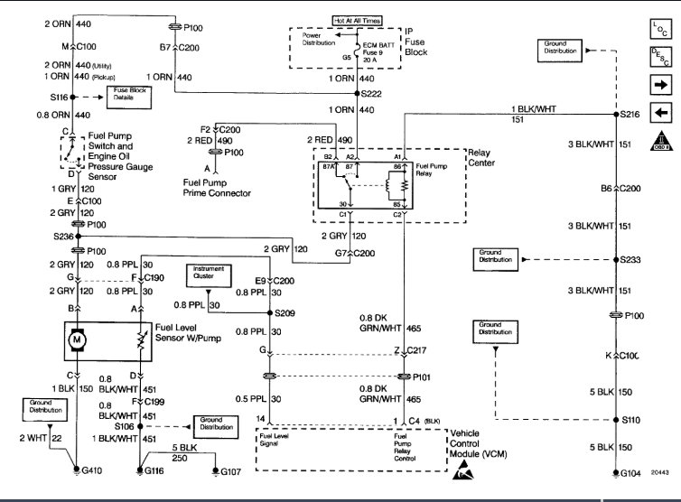
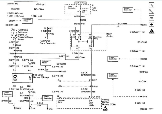
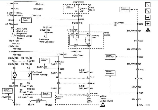
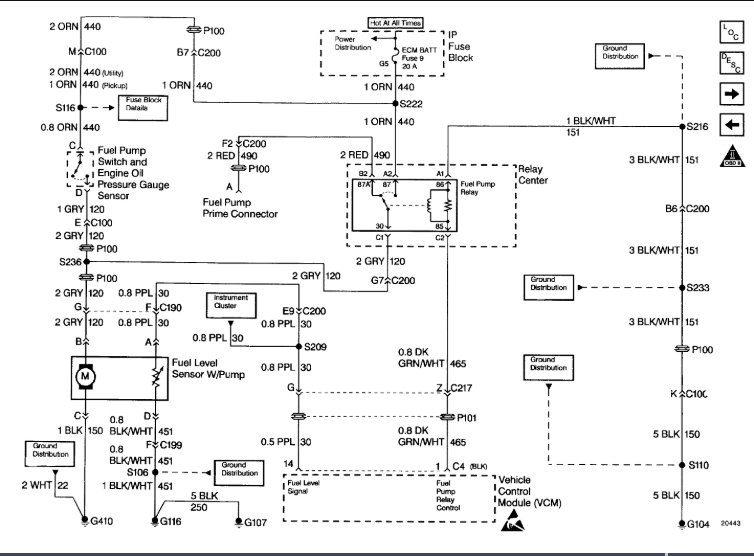
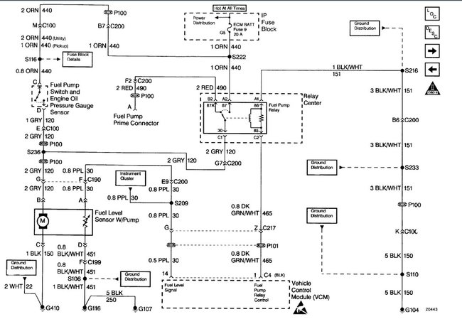
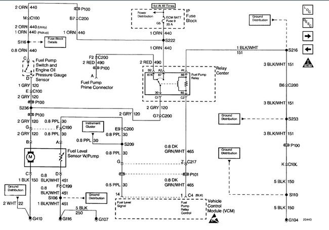
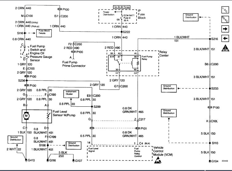
Did you use a voltage tester on the circuits in question? At the fuel pump connector, gray is voltage, check with engine cranking. Black wire is ground. If no voltage, start by checking voltage circuits at the relay.
Also, disconnect voltage to injectors, when testing the pump. The fuel pump relay, also supplies voltage to the injectors.

Saturday, March 6th, 2021 AT 11:40 AM
(Merged)