Turn signals and brake lights

Tiny
SATIRANE
  • MEMBER
  • 1987 CHEVROLET S-10
Its got a six 2.8 liter engine.

My my turn signals do not work. My brake lights do not work either. When I turn on a signal the light on the dash stays on without blinking. And the signals do not work in the front or the back. I replaces the fuses but that didn't fix the probably. Please help.

Thanks
Friday, August 31st, 2007 AT 1:06 AM

1 Reply

Tiny
KASEKENNY
  • MECHANIC
  • 18,907 POSTS
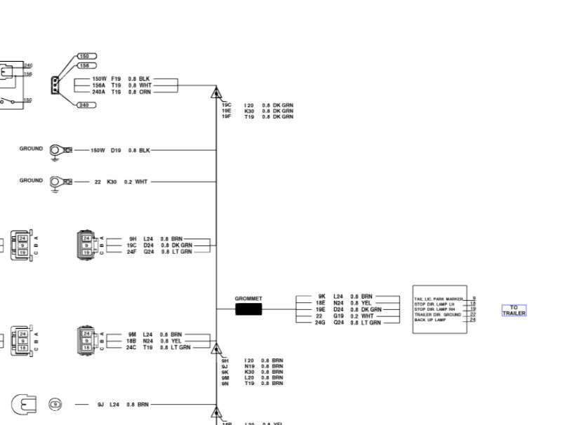
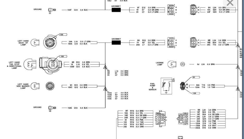
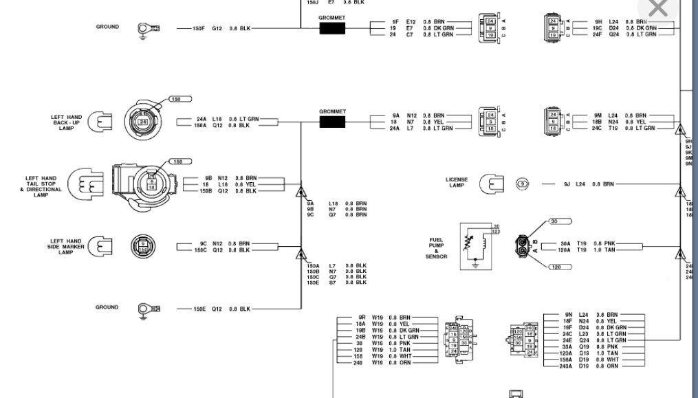
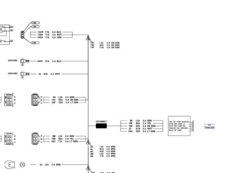
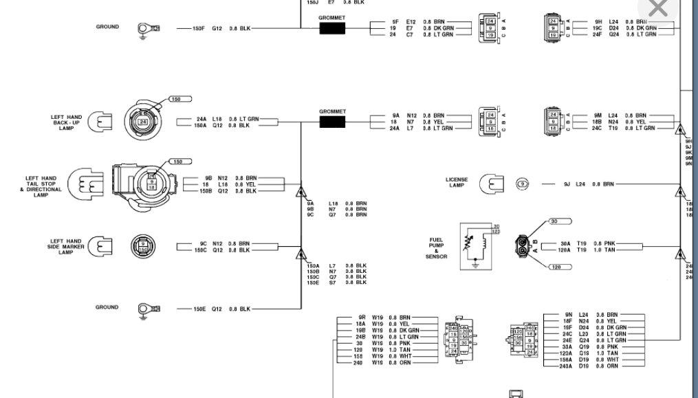
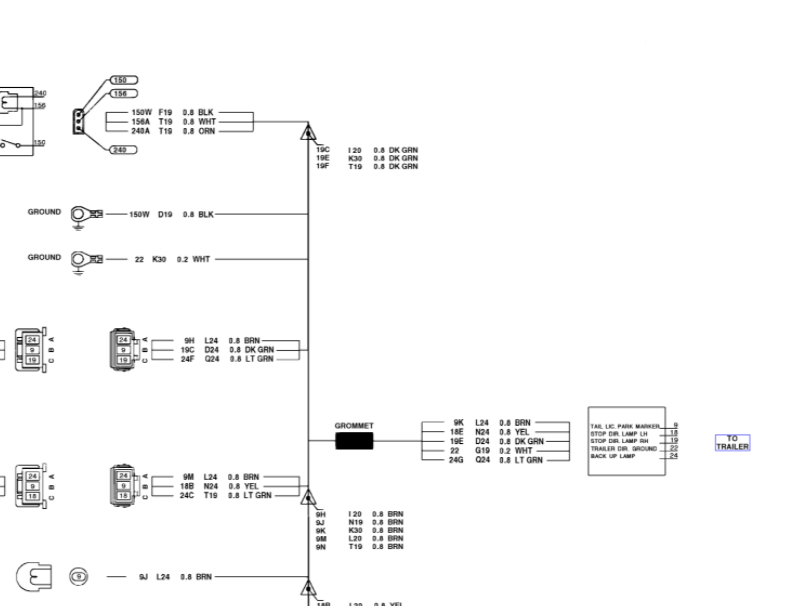
More than likely, we have a ground issue, but we need to start by running through this guide which will address some of these issues.

https://www.2carpros.com/articles/turn-signals-not-working-blinker

If the grounds are okay, then we need to jump to the switch and find out if the switch is sending voltage when the turn signals are on.

https://www.2carpros.com/articles/how-to-check-wiring

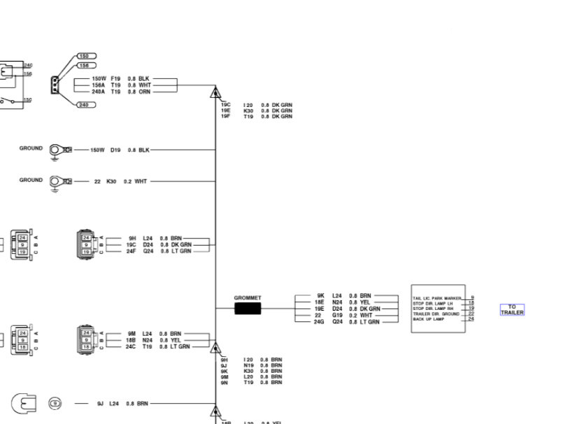
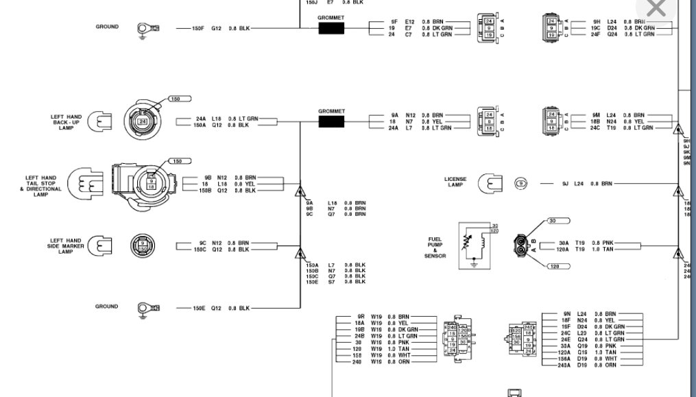
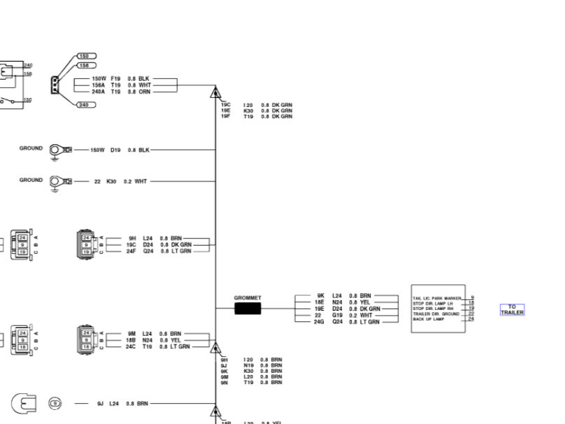
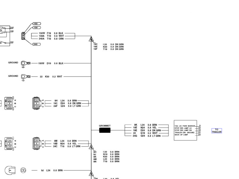
However, I am attaching the wiring diagrams below that will show the tail lamp and what pin we should be testing for voltage.

If you have voltage at the bulb with the brakes or turn signals on, then it can also be a socket issue.

Please run through the wiring diagrams below and let me know what you find.

Thanks
Was this
answer
helpful?
Yes
No
Monday, February 14th, 2022 AT 3:37 PM

Please login or register to post a reply.