Turn signals not working

Tiny
WESLEY M. BRADY
  • MEMBER
  • 2001 CHEVROLET S-10
  • 2.2L
  • 4 CYL
  • RWD
  • AUTOMATIC
  • 130,000 MILES
The turn signals in my truck do not work, but the lights light up when I hit the brake pedal. What could cause this?
Wednesday, January 11th, 2017 AT 5:43 PM

9 Replies

Tiny
CARADIODOC
  • MECHANIC
  • 34,468 POSTS
Blown fuse, bad flasher, turn signal switch. The flasher in your truck should be the standard, reliable, inexpensive thermal flasher. Those do not fail real often, but it is the easiest thing to start with. If you do not find a blown fuse, I will dig up a wiring diagram and figure out where to start testing. If you do have a blown fuse, start by checking for a damaged trailer wiring harness.
Was this
answer
helpful?
Yes
No
+1
Wednesday, January 11th, 2017 AT 5:52 PM
Tiny
WESLEY M. BRADY
  • MEMBER
  • 4 POSTS
I think the trailer wiring was all cut out. The truck is bagged, and has a ton of custom work. I will check the fuses tomorrow at work.
Was this
answer
helpful?
Yes
No
Wednesday, January 11th, 2017 AT 7:22 PM
Tiny
STEVE W.
  • MECHANIC
  • 15,679 POSTS
Do they light up but not flash? Or do they do nothing? Rear only or both front and rear? What happens when you turn on the hazard switch?

Fuse wise it is a 20 amp in the fuse panel in the end of the dash.
If they turn on but do not flash, and you do not hear any clicking, the turn/hazard module is mounted behind the dash to the right of the radio.

A rather common failure on these is the actual contacts in the hazard switch. Not a hard item to replace if it is the problem.
Was this
answer
helpful?
Yes
No
+1
Wednesday, January 11th, 2017 AT 8:23 PM
Tiny
WESLEY M. BRADY
  • MEMBER
  • 4 POSTS
Do not work at all, when I hit the brake they light up, both front and rear.
Was this
answer
helpful?
Yes
No
+1
Thursday, January 12th, 2017 AT 8:11 AM
Tiny
STEVE W.
  • MECHANIC
  • 15,679 POSTS
OK, being it's had a ton of work the wiring is probably not stock either. Does it still have the factory steering column?
Was this
answer
helpful?
Yes
No
Thursday, January 12th, 2017 AT 6:22 PM
Tiny
WESLEY M. BRADY
  • MEMBER
  • 4 POSTS
Yes.I dont think the wiring was changed.
Was this
answer
helpful?
Yes
No
Thursday, January 12th, 2017 AT 6:26 PM
Tiny
KEN L
  • MASTER CERTIFIED MECHANIC
  • 55,322 POSTS
Hey WESLEY,

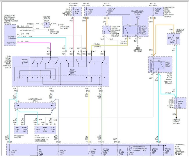
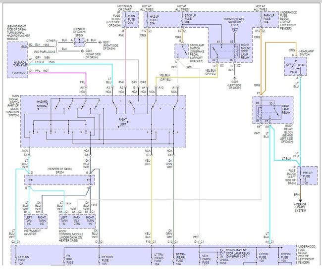
Can you remove the rear bulbs to see if the terminals of the bulbs are melted together? Here is a wiring diagram so you can do some testing.

https://www.2carpros.com/articles/how-to-use-a-test-light-circuit-tester

Please let me know what happens so it will help others.

Best, Ken
Was this
answer
helpful?
Yes
No
+2
Wednesday, January 18th, 2017 AT 4:53 AM
Tiny
STEVE W.
  • MECHANIC
  • 15,679 POSTS
OK, one of the issues with that vintage S series was a hazard switch problem where the contacts would melt and cause loss of turn signals or brake lights. Or the switch breaks and the hazard lights stay on. The way to tell if this is the issue is simple. You pull the hazard switch actuator out of the switch and see if the contact carrier is melted/deformed.
It just pulls out of the column. I have seen the carrier melted but have also seen the switch in the column fail as well. That means a new switch assembly.
Was this
answer
helpful?
Yes
No
Wednesday, January 18th, 2017 AT 12:41 PM
Tiny
KEN L
  • MASTER CERTIFIED MECHANIC
  • 55,322 POSTS
Great work STEVE W!
Was this
answer
helpful?
Yes
No
Wednesday, January 18th, 2017 AT 12:56 PM

Please login or register to post a reply.