Headlights not working?

Tiny
CAPRICEVA
  • MEMBER
  • 1995 CHEVROLET CAPRICE
  • V8
  • 2WD
  • AUTOMATIC
  • 220,000 MILES
My lowbeams will not work (itermittent). The bulbs are good
Monday, August 10th, 2009 AT 11:43 AM

19 Replies

Tiny
RACEFAN966
  • MECHANIC
  • 5,029 POSTS
Have you check the dimmer switch or the headlight switch? Let me know what you have checked and if you comfortable doing some tests with digital multi meter if needed.
Was this
answer
helpful?
Yes
No
+5
Monday, August 10th, 2009 AT 11:58 AM
Tiny
CAPRICEVA
  • MEMBER
  • 4 POSTS
I have checked the dimmer and the switch seems to be fine. Once I click the dimmer off sometimes the low beams come one but are faint. And with the HI back on the light is still low
Was this
answer
helpful?
Yes
No
+3
Monday, August 10th, 2009 AT 12:05 PM
Tiny
RACEFAN966
  • MECHANIC
  • 5,029 POSTS
Ok so have you checked any of the relay's to the headlights? Does this have DRL?
Was this
answer
helpful?
Yes
No
+3
Monday, August 10th, 2009 AT 4:02 PM
Tiny
CAPRICEVA
  • MEMBER
  • 4 POSTS
I dont have DRL and I have lights only when i turn the highbeams on. I do have parking lights in the P and Headlight position


https://www.2carpros.com/forum/automotive_pictures/394589_headlight_switch_2.jpg

Was this
answer
helpful?
Yes
No
+2
Wednesday, August 12th, 2009 AT 3:21 PM
Tiny
RACEFAN966
  • MECHANIC
  • 5,029 POSTS
Ok so what I need you to do is check the switch to see if it is working. You will need a digital multi meter for this test and some others. There is a yellow wire that comes out of the headlight switch make sure it has battery voltage when you turn the headlight switch on. If this is good then you need to check the headlight dimmer switch this is what switches for high to low beam. Now there is a tan wire that comes out of that and goes to the headlights so you can unplug a headlight and check the tan wire there and switch from low to high and back and check what the voltage is in the low beam possition. If there voltage isn't there at times but is alway's at the yellow wire then the headlight dimmer switch is the problem. Let me know how it goes.
Was this
answer
helpful?
Yes
No
+1
Thursday, August 13th, 2009 AT 10:47 AM
Tiny
CAPRICEVA
  • MEMBER
  • 4 POSTS
At the socket green lowbean tan high beams. No power to the green lowbeam no power to the highbeam tan. With high beams on power to green lowbean side and no power to the highbeam tan. You also no have to play with the switch in order to get the high beams to turn off. Not a simple pull click and off, you have to pull it a couple of times to get it to click off.
Was this
answer
helpful?
Yes
No
+1
Friday, August 14th, 2009 AT 11:56 AM
Tiny
RACEFAN966
  • MECHANIC
  • 5,029 POSTS
Ok looking at the wiring diagram if you don't have drl or sentenial lights then I would say it is the dimmer switch as the high and low beam on off are controlled by that. Now the dimmer is not that hard to replace. Here is a pic of what you would be buying should be 8 to 15 dollars so it isn't very expensive either.


https://www.2carpros.com/forum/automotive_pictures/249564_50505_1.jpg

Was this
answer
helpful?
Yes
No
+1
Saturday, August 15th, 2009 AT 8:34 AM
Tiny
BRYAN91
  • MEMBER
  • 1 POST
I've changed this part twice already and still getting the same thing
Was this
answer
helpful?
Yes
No
-2
Monday, November 2nd, 2015 AT 9:14 AM
Tiny
LEEONCIA
  • MEMBER
  • 1 POST
  • 1992 CHEVROLET CAPRICE
  • 5.0L
  • V8
  • AUTOMATIC
  • 130,000 MILES
Both of my headlights won't work but all the other lights work
Was this
answer
helpful?
Yes
No
+1
Friday, September 25th, 2020 AT 9:40 AM (Merged)
Tiny
JACOBANDNICKOLAS
  • MECHANIC
  • 110,192 POSTS
Welcome to 2CarPros.

Have you checked the bulbs? Did both stop at the same time? Also, have you checked fuses?

Here are a few links to help with checking fuses. I looked at the original wiring schematic for the headlamps. It indicates fuse 14 is for the headlamps. It will be under the hood in the fuse box. Check that or for evidence of any other fuses. Also, I need to know if both high and low beam stopped working and it if happened at the same time.

________________________________________________

https://www.2carpros.com/articles/how-a-car-fuse-works

https://www.2carpros.com/articles/how-to-check-a-car-fuse

https://www.2carpros.com/articles/how-to-use-a-test-light-circuit-tester

https://www.2carpros.com/articles/how-to-use-a-voltmeter

https://www.2carpros.com/articles/how-to-check-wiring

Let me know if any of this helps and the answers to my questions.

Take care,
Joe
Was this
answer
helpful?
Yes
No
Friday, September 25th, 2020 AT 9:40 AM (Merged)
Tiny
JOHN MORRIS2
  • MEMBER
  • 3 POSTS
  • 1989 CHEVROLET CAPRICE
  • 5.0L
  • V8
  • 2WD
  • AUTOMATIC
  • 60,000 MILES
No head lights. High beams and everything thing else is working fine.
Was this
answer
helpful?
Yes
No
Friday, September 25th, 2020 AT 9:40 AM (Merged)
Tiny
KASEKENNY
  • MECHANIC
  • 18,907 POSTS
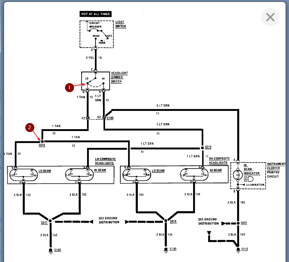
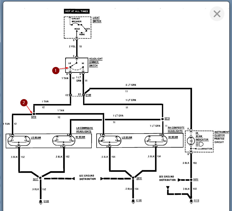
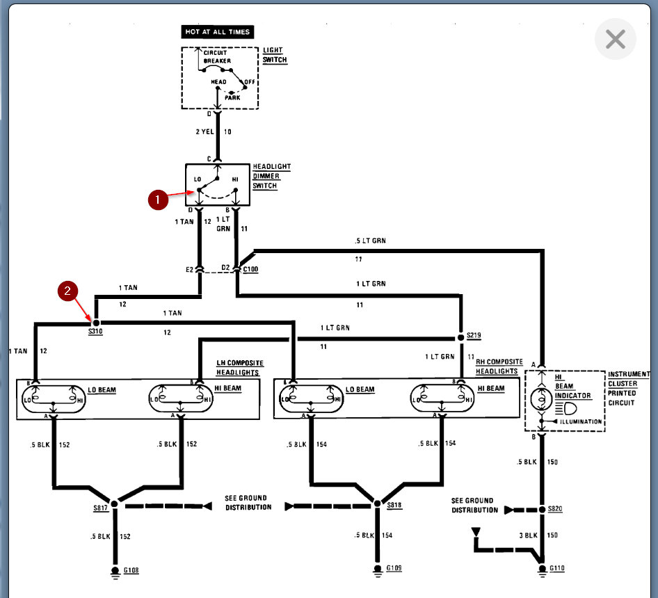
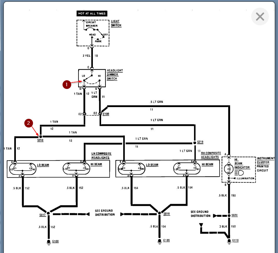
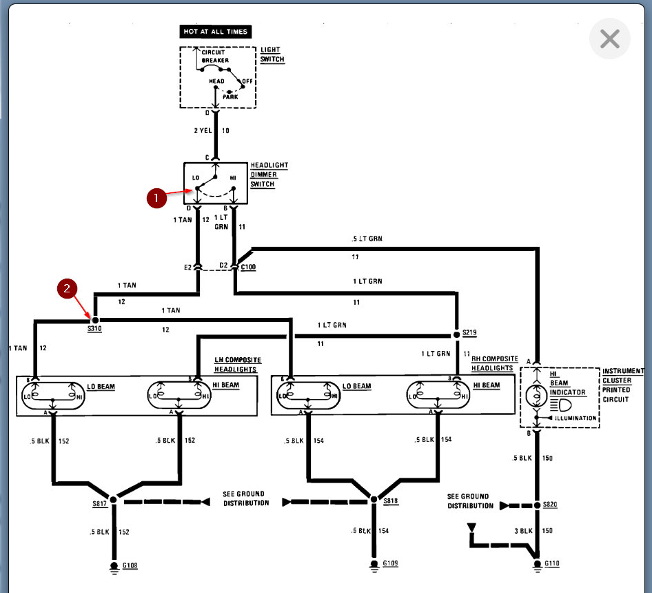
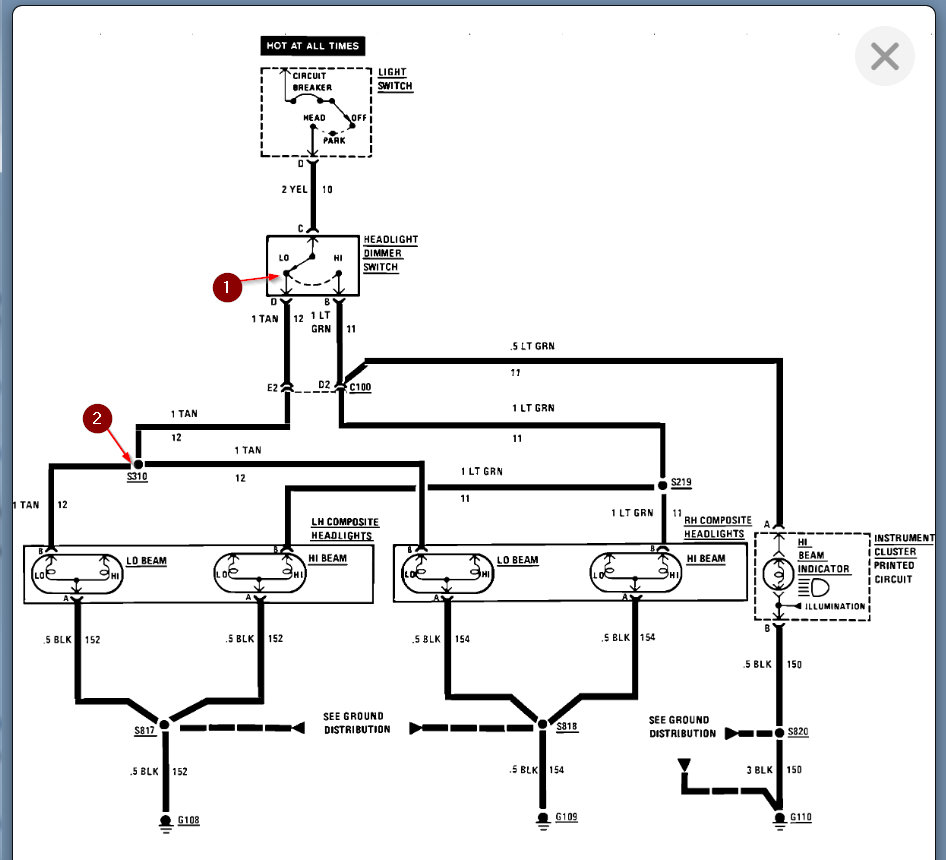
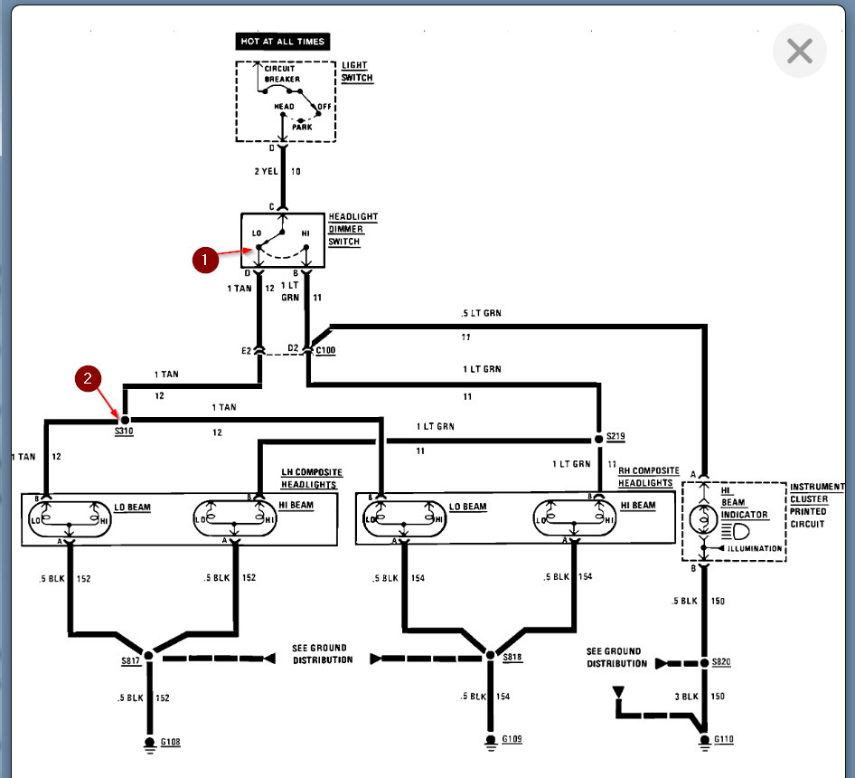
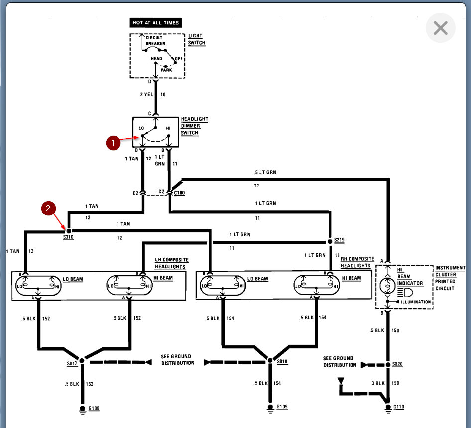
The fact that the high beams work means this is one of two things. The head lamp switch or the wiring going to the splice. As you can see from the wiring diagram the low beams share everything until you get to the splice that I pointed out (number 2). Before that, they are run on the same circuit and clearly the switch is the same for both. So we need to go to that splice or the C100 connector and check for power on the Tan wire when the low beams are turned on. If there is no power, check it coming out of the switch. If nothing, put a switch in it.

Let us know what you find and we can go from there. Thanks
Was this
answer
helpful?
Yes
No
+1
Friday, September 25th, 2020 AT 9:40 AM (Merged)
Tiny
JOHN MORRIS2
  • MEMBER
  • 3 POSTS
How do I replace the headlight switch?
Was this
answer
helpful?
Yes
No
Friday, September 25th, 2020 AT 9:40 AM (Merged)
Tiny
KASEKENNY
  • MECHANIC
  • 18,907 POSTS
I attached the process from the manual on how to replace it. Let me know if you need more info. Thanks
Was this
answer
helpful?
Yes
No
+1
Friday, September 25th, 2020 AT 9:40 AM (Merged)
Tiny
NEEDAREPAIR27
  • MEMBER
  • 1 POST
  • 1988 CHEVROLET CAPRICE
  • V8
  • 2WD
  • AUTOMATIC
  • 146,000 MILES
I wanted to ask my headlights seem to keep dying while everything else in the system is working fine even charging. Though when my headlights stop work so do the interior lights. I Changed what I thought was the problem which was a blown fuse, but last night I stopped for gas, and I went to switch on the lights again and they were not working. Could it be a short in the system, because this afternoon after getting out of bed I checked the lights and it turned on again. It seems after a few hours of sitting to work again.
Was this
answer
helpful?
Yes
No
Friday, September 25th, 2020 AT 9:40 AM (Merged)
Tiny
BUDDYCRAIGG
  • MECHANIC
  • 2,262 POSTS
Do your parking lights keep working when this happens?
If no, replace the head light switch.

If yes, it could still be the head light switch.
Or the head light dimmer switch,
or a problem with the fuseable link
or dirty/poor connections with the wire with the fuseable link.
Was this
answer
helpful?
Yes
No
Friday, September 25th, 2020 AT 9:40 AM (Merged)
Tiny
MIKE H R
  • MECHANIC
  • 3,094 POSTS
The headlight relay gets hot and stops working, then when it cools down it works
Was this
answer
helpful?
Yes
No
Friday, September 25th, 2020 AT 9:40 AM (Merged)
Tiny
GEMINI714
  • MEMBER
  • 1 POST
  • 1986 CHEVROLET CAPRICE
Electrical problem
1986 Chevy Caprice 6 cyl Two Wheel Drive Automatic

i changed my starter and now my head lights dont come on and back lights but if I brake they come on
Was this
answer
helpful?
Yes
No
Friday, September 25th, 2020 AT 9:40 AM (Merged)
Tiny
JDL
  • MECHANIC
  • 16,098 POSTS
I'd have to check voltage and ground at the headlamps. Voltage goes from the headlamp switch to the dimmer, from the dimmer switch to the head lamps. Lite green wire is voltage for high beam. Tan wire is voltage for low beam. Black is ground.


https://www.2carpros.com/forum/automotive_pictures/170934_caprice_headlamp_1.jpg

Was this
answer
helpful?
Yes
No
Friday, September 25th, 2020 AT 9:40 AM (Merged)

Please login or register to post a reply.