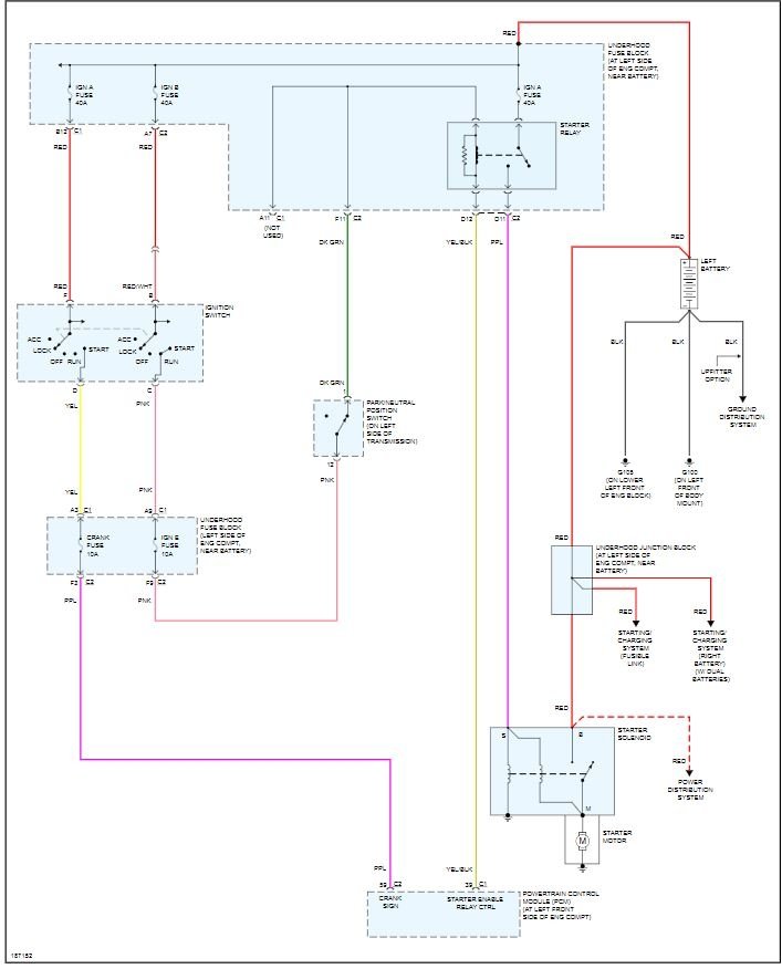
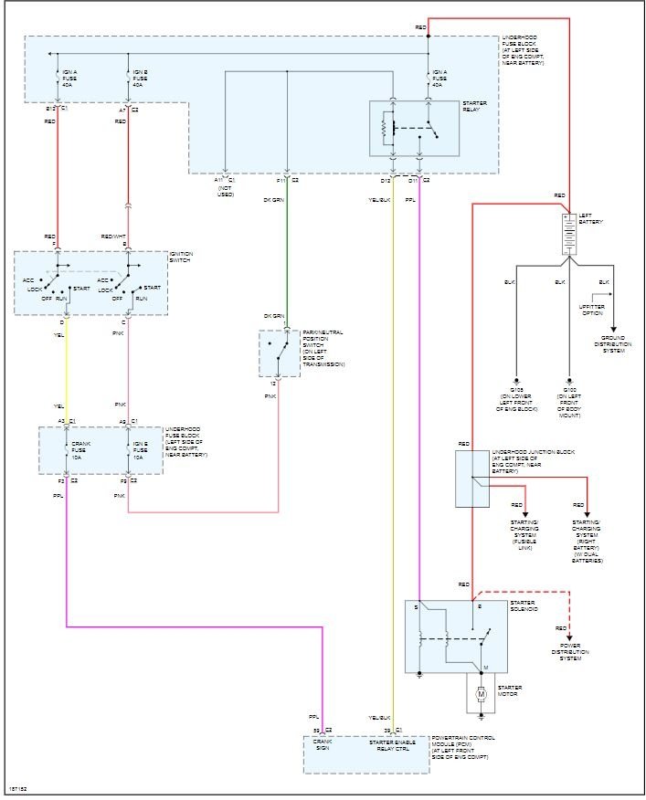
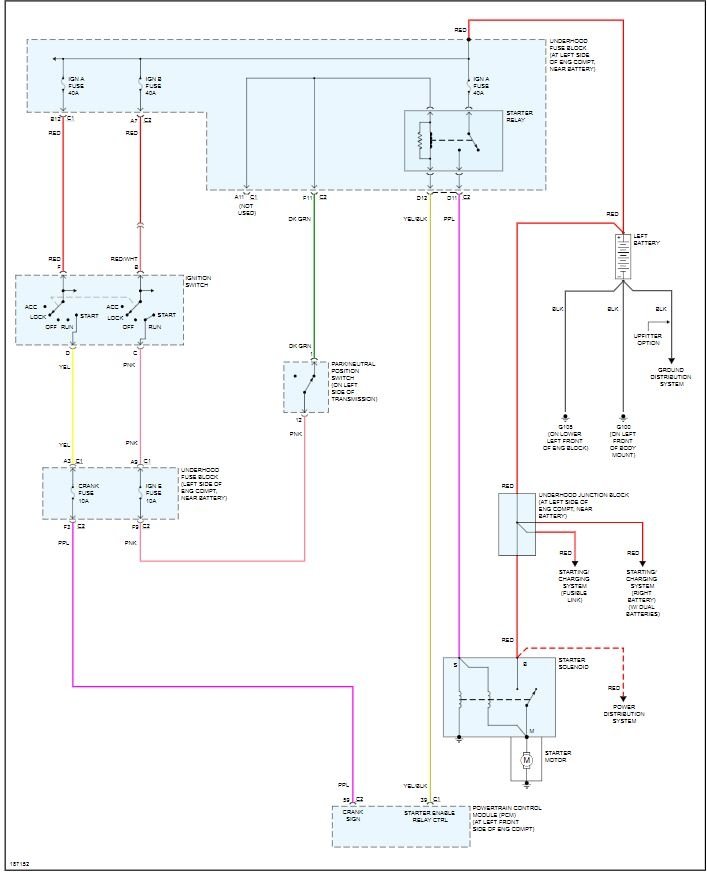
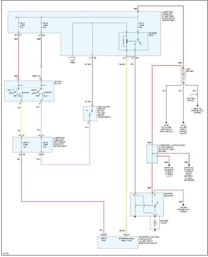
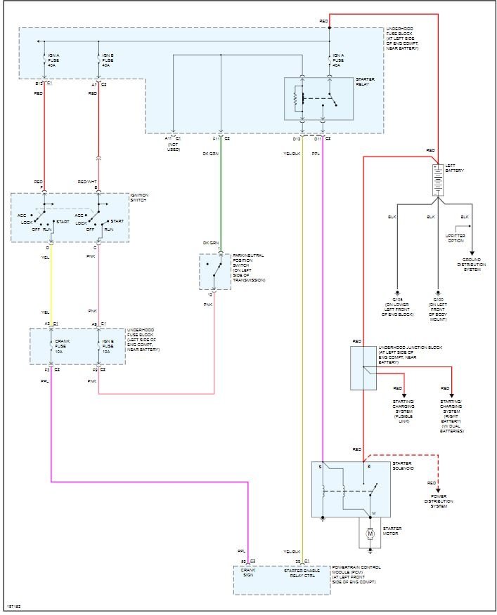
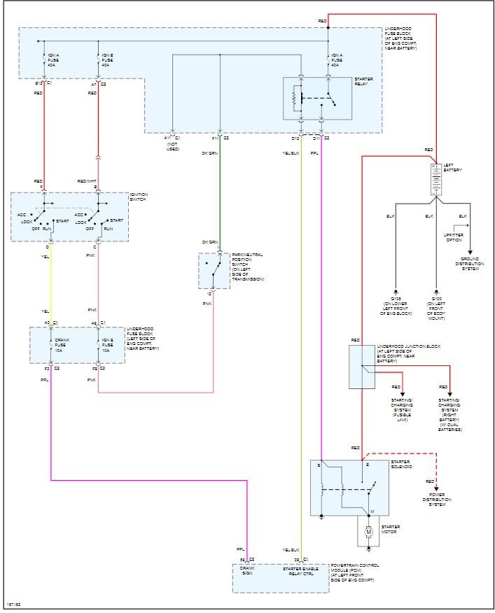
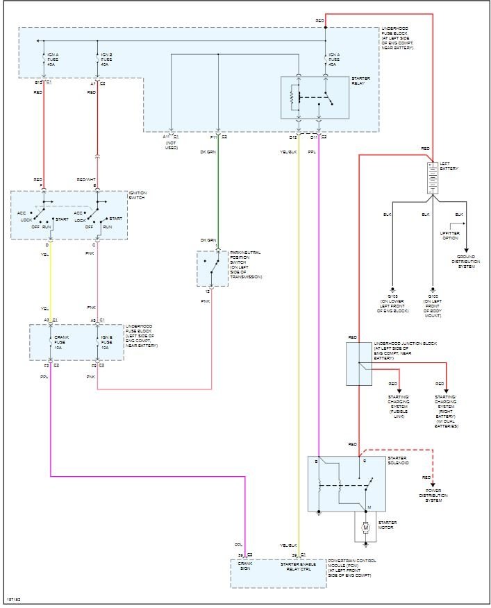
Sunday, April 4th, 2010 AT 10:02 AM
My truck died on me while driving and now wont start. I had the battery checked out and its still good. I have power to every thing lights, radio etc, I replaced the starter and still wont start, what do yall think is going on?


