You're right, the chances of both sides going bad are poor to none.
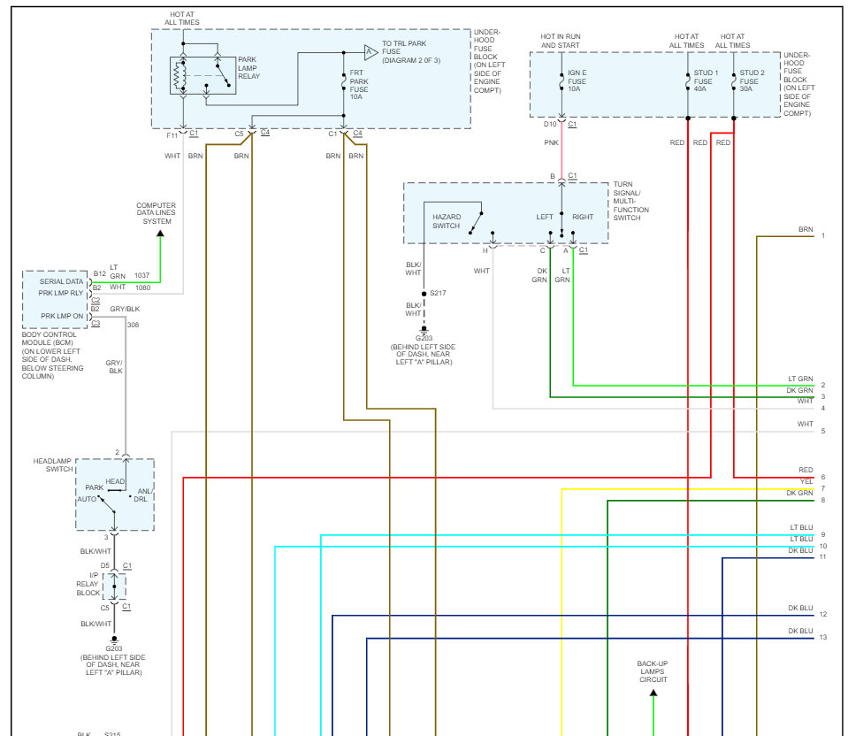
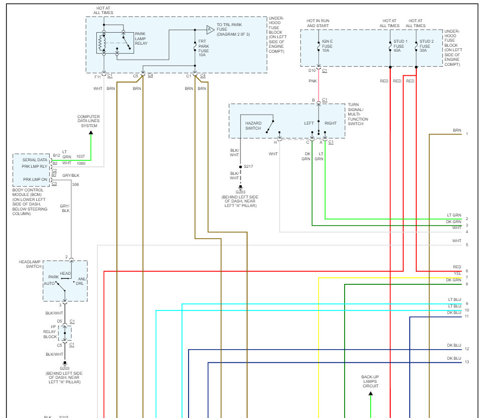
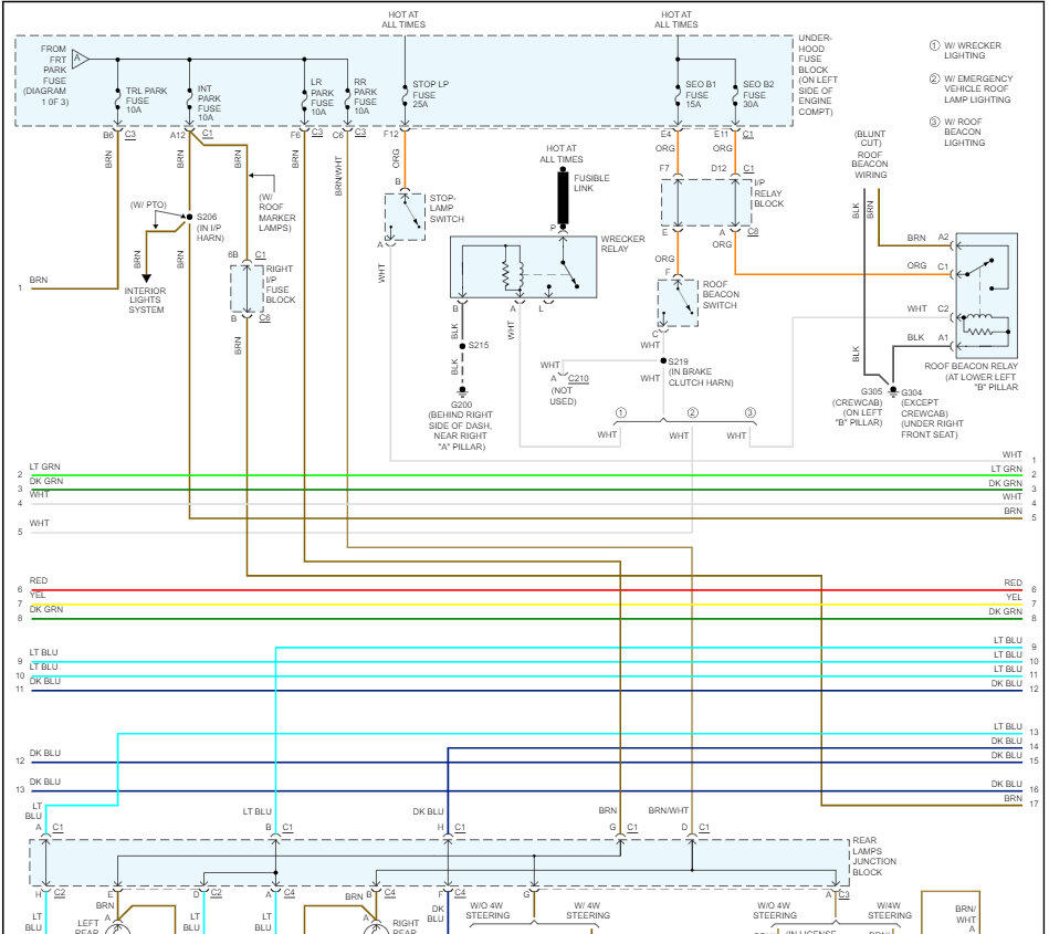
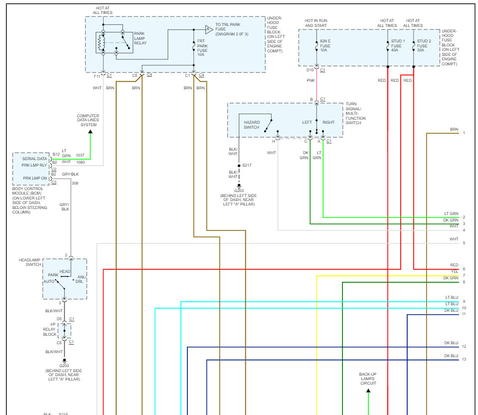
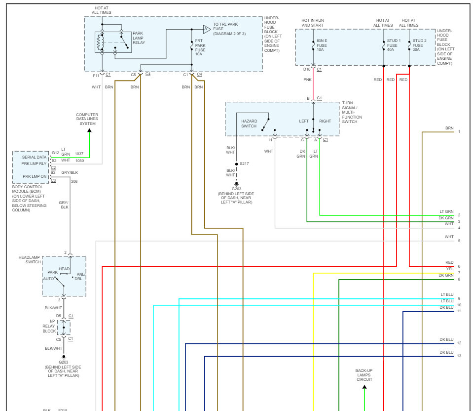
Let's start from square 1. We'll be testing at the socket for the "turn signal flasher module", under the left side of the dash. The brake lights go through this module.
The brake lights are fused seperately from a 25amp fuse(# unknown) in the underhood fuse block. This fuse should be hot all the time.
Fuse good, yes, test the orange wire at brake light switch.
Orange hot, yes, push the brake pedal and test the white wire on the BL switch.
White hot, yes? Test the white wire at the flasher module, terminal B, with brake pedal pressed.
Hot, yes?, check fuse #9 in fuse block by flasher module.
Fuse good?, yes, check the junctions and connections on the light blue wires going back to the brake light lamps.
Fuse #9 should be hot when the brake pedal is pressed.Let me know what you find.

Thursday, February 25th, 2021 AT 5:51 PM
(Merged)