Car will not start

Tiny
ITSMEJOJO98
  • MEMBER
  • 1994 BMW 325I
  • 2.4L
  • 6 CYL
  • 2WD
  • MANUAL
  • 197,000 MILES
My car broke down on a dirt road up in the mountains, it wouldn't start again even after resting for a while. My gas was 3/4 full, battery is new the car would crank but not start. When I turned the key all the dash lights came on like they should as well did all the gauges. There was no check engine light showing and no code displayed on the computer so I tried starting again. It turned over but would not start and when I let go of the key there was a fast clicking noise under the dash and all the gauges were going crazy so I turned the key off locked my car up and started my 10 mile walk home. The next day I got a ride back to my car it was still doing the same things. I'm a 56 year old gal that's partially disabled there's no way I could push the car by myself so I did the worst thing possible, I used the starter to crank the motor and turned my car around. Stupid yes it was and yes it fried my starter. The car was towed to a friends barn where it sat for a year while I tried to get help for it. I bought a new starter and had it installed and put the car back together. Checked all fluids, put another new battery in, turned the key all lights and gauges worked fine but starter wasn't engaging. I tried again a few days later this time all there was is a weird sound coming from the starter that sounded like electrical possibly? I don't know what to do, i'm scared that I have hurt my car and can't afford the repairs it needs now.

I had someone give me a push the other day and my car started right away when I let the clutch out, no sputtering, wasn't sluggish in fact it did great for a car that had been sitting over a year. Now i'm really worried this will be an expensive repair, God I hope not. Thank you in advance for taking time to read my message and for any help or advice you can give me.
Sunday, September 6th, 2020 AT 11:29 PM

15 Replies

Tiny
ASEMASTER6371
  • MECHANIC
  • 52,796 POSTS
Good morning,

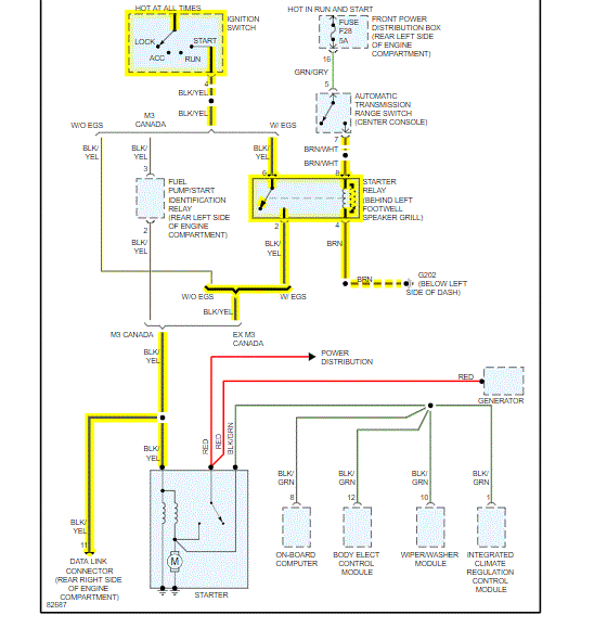
I attached a wiring diagram of the starter system for you.

If you have a test light or voltmeter, we can do some checks to see why it will not start.

https://www.2carpros.com/articles/how-to-check-wiring

https://www.2carpros.com/articles/how-to-check-an-electrical-relay-and-wiring-control-circuit

https://www.2carpros.com/articles/how-to-check-a-car-fuse

Let me know when you are ready to do some testing.

Roy
Was this
answer
helpful?
Yes
No
Monday, September 7th, 2020 AT 7:14 AM
Tiny
ITSMEJOJO98
  • MEMBER
  • 8 POSTS
Roy,
I'm ready to do some testing, where should I start?
Was this
answer
helpful?
Yes
No
Friday, September 11th, 2020 AT 10:49 PM
Tiny
ASEMASTER6371
  • MECHANIC
  • 52,796 POSTS
You will need to go to the relay and remove it. Then turn the key to the on position.

You should have one terminal that has power.

Then turn the key to the start position. You should have a second terminal with power.

Roy
Was this
answer
helpful?
Yes
No
Saturday, September 12th, 2020 AT 5:13 AM
Tiny
ITSMEJOJO98
  • MEMBER
  • 8 POSTS
Hi Roy, my friend removed the relay and tested it like you said. The relay works it's good. What should we do next?
Was this
answer
helpful?
Yes
No
Friday, September 18th, 2020 AT 1:27 PM
Tiny
ASEMASTER6371
  • MECHANIC
  • 52,796 POSTS
Okay, do you have 2 powers at the relay with the key on?

It may click but not send power to the starter.

If you do, then go to the starter itself and test for power from the relay to the solenoid.

If you do not, make sure the fuse F28 has power on both sides.

Roy
Was this
answer
helpful?
Yes
No
Monday, September 21st, 2020 AT 4:44 AM
Tiny
ITSMEJOJO98
  • MEMBER
  • 8 POSTS
Roy,

There is power from the relay to the solenoid.
Was this
answer
helpful?
Yes
No
Saturday, September 26th, 2020 AT 6:24 PM
Tiny
ASEMASTER6371
  • MECHANIC
  • 52,796 POSTS
If you have power from the relay to the solenoid, you need a starter motor.

https://www.2carpros.com/articles/how-to-replace-a-starter-motor

Roy
Was this
answer
helpful?
Yes
No
Saturday, September 26th, 2020 AT 6:38 PM
Tiny
ITSMEJOJO98
  • MEMBER
  • 8 POSTS
Are you serious? The starter is new, does this mean I paid for a starter that is no good?
Was this
answer
helpful?
Yes
No
Saturday, September 26th, 2020 AT 7:03 PM
Tiny
ASEMASTER6371
  • MECHANIC
  • 52,796 POSTS
If you have power to the solenoid then it needs a starter.

Roy
Was this
answer
helpful?
Yes
No
Saturday, September 26th, 2020 AT 7:08 PM
Tiny
ITSMEJOJO98
  • MEMBER
  • 8 POSTS
Thank you, I really do appreciate all your help. I'll order another starter and hope it works. I'll let ya know how it goes.
Was this
answer
helpful?
Yes
No
Saturday, September 26th, 2020 AT 7:14 PM
Tiny
ASEMASTER6371
  • MECHANIC
  • 52,796 POSTS
You are welcome.

Always glad to help.

Roy
Was this
answer
helpful?
Yes
No
Sunday, September 27th, 2020 AT 4:32 AM
Tiny
ITSMEJOJO98
  • MEMBER
  • 8 POSTS
Hi Roy,

I have a question. We had to take apart almost the entire top end of the engine to get the starter out of my car, isn't there an easier way to do this?
Was this
answer
helpful?
Yes
No
Wednesday, September 30th, 2020 AT 7:30 PM
Tiny
ASEMASTER6371
  • MECHANIC
  • 52,796 POSTS
Okay, no, there is no easy way.

It pays 5 hours in a shop to perform this operation.

I posted the procedure below for you.

Roy

Note instructions for disconnecting and connecting battery. Refer to Service Precautions. See: Starter Motor > Technician Safety Information

Disconnect battery ground wire and mask it.

ImageOpen In New TabZoom/Print

Remove grill from air inlet on heater.

ImageOpen In New TabZoom/Print

Unfasten screws in air manifold box.

ImageOpen In New TabZoom/Print

Unfasten screw of air manifold box.

ImageOpen In New TabZoom/Print

Unscrew screws of air manifold box.

ImageOpen In New TabZoom/Print

Pull out air manifold box.

ImageOpen In New TabZoom/Print

Loosen the screws, remove the reinforcing pipe.

ImageOpen In New TabZoom/Print

Remove cover (1) from fuel lines.

ImageOpen In New TabZoom/Print

Unclip fuel lines (2) and line for reversing light (3) from bracket.

ImageOpen In New TabZoom/Print

Unfasten nuts and remove cable.

Installation:
Was this
answer
helpful?
Yes
No
Wednesday, September 30th, 2020 AT 7:41 PM
Tiny
ITSMEJOJO98
  • MEMBER
  • 8 POSTS
I figured it wasn't going to be easy but had to ask anyway.
Thank you again for your help Roy, you are appreciated very much.
Was this
answer
helpful?
Yes
No
Thursday, October 1st, 2020 AT 11:02 AM
Tiny
ASEMASTER6371
  • MECHANIC
  • 52,796 POSTS
You are welcome.

Always glad to help.

Roy
Was this
answer
helpful?
Yes
No
Thursday, October 1st, 2020 AT 11:59 AM

Please login or register to post a reply.