Engine running but the car will not Move?

Tiny
FUZAIL AHMAD
  • MEMBER
  • 2011 VOLKSWAGEN POLO
  • 1.4L
  • TURBO
  • AUTOMATIC
  • 85,000 MILES
I stopped at a traffic signal. Traffic signal released but the car would not move. I moved the gear stick to park and then the car won't let me move the stick to drive. I opened the gear stick case and used the emergency gear release and moved the gear stick to drive, but still the car wouldn't move.

There are lights near to the gear stick. Those lights keep blinking depending on the gear I chose.

(I added the pic of lights. Just downloaded pic from online just to show which lights)

The engine looks fine though.
Sunday, September 4th, 2022 AT 9:13 AM

3 Replies

Tiny
KEN L
  • MASTER CERTIFIED MECHANIC
  • 55,512 POSTS
I don't see the images, but it sounds like it could be the first gear shift solenoid shorted out. We need to run the codes to see what comes up. Also, I would check all fuses with the key on and check the transmission fluid. Here is a guide to help and how to check the transmissions fluid in the images below:

https://www.2carpros.com/articles/checking-a-service-engine-soon-or-check-engine-light-on-or-flashing

Here is how to change the fluid and the shift solenoids in the images below, please let me know what you find out.
Was this
answer
helpful?
Yes
No
Monday, September 5th, 2022 AT 11:51 AM
Tiny
FUZAIL AHMAD
  • MEMBER
  • 2 POSTS
Oil level is okay.

Other symptoms are:
1. Engine Revs, car won't move
2. Error code says U0101 - lost communication with TCM
3. Checked all fuses, some fuses (total 3) do not get power

I'm trying to check the relay now. Also have pin diagram of Mechatronic Unit? Maybe I can check that also.
Was this
answer
helpful?
Yes
No
Thursday, September 22nd, 2022 AT 2:30 PM
Tiny
KEN L
  • MASTER CERTIFIED MECHANIC
  • 55,512 POSTS
On the left side of the ash the fuse panel has a fuse #14 and #2 which need to be checked for power. This guide can help.

https://www.2carpros.com/articles/how-to-check-a-car-fuse

If okay, it could be the TCM has gone out but to be sure we should do a CAN scan which is easy. You can get a CAN scanner (Controller Area Network) from Amazon for about $36.00.

Here is a video to show you how:

https://youtu.be/u-4syLc-ifQ

and

https://www.2carpros.com/articles/can-scan-controller-area-network-easy

Amazon CAN scanner link for about $35.00:

https://amzn.to/3R9lJ60

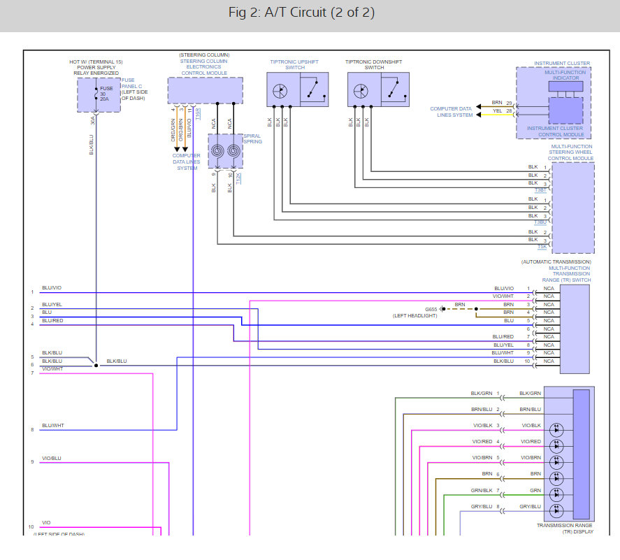
Here are the TCM wiring diagrams so you can see how the system works. Check out the images (below). Please let us know what happens.
Was this
answer
helpful?
Yes
No
Friday, September 23rd, 2022 AT 12:21 PM

Please login or register to post a reply.