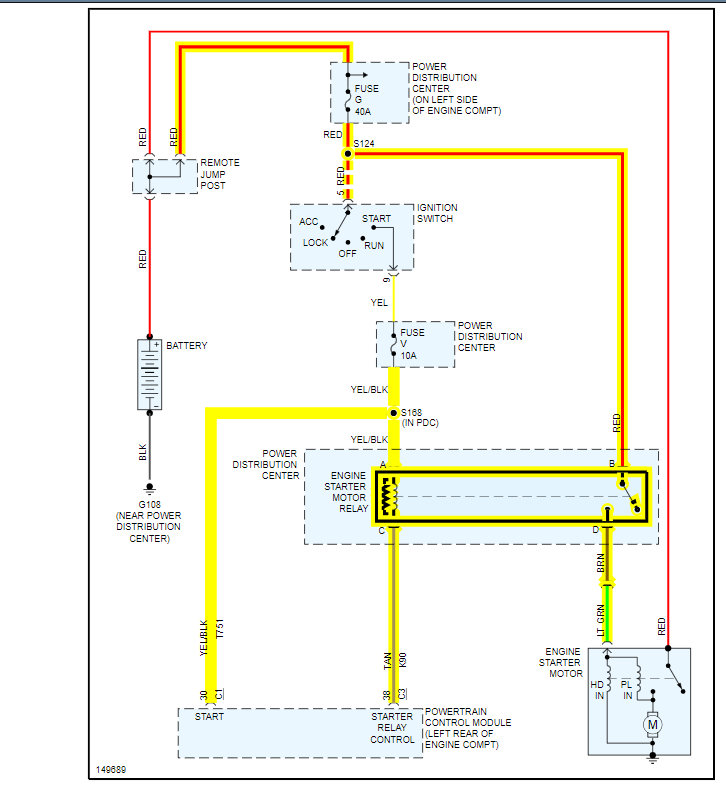
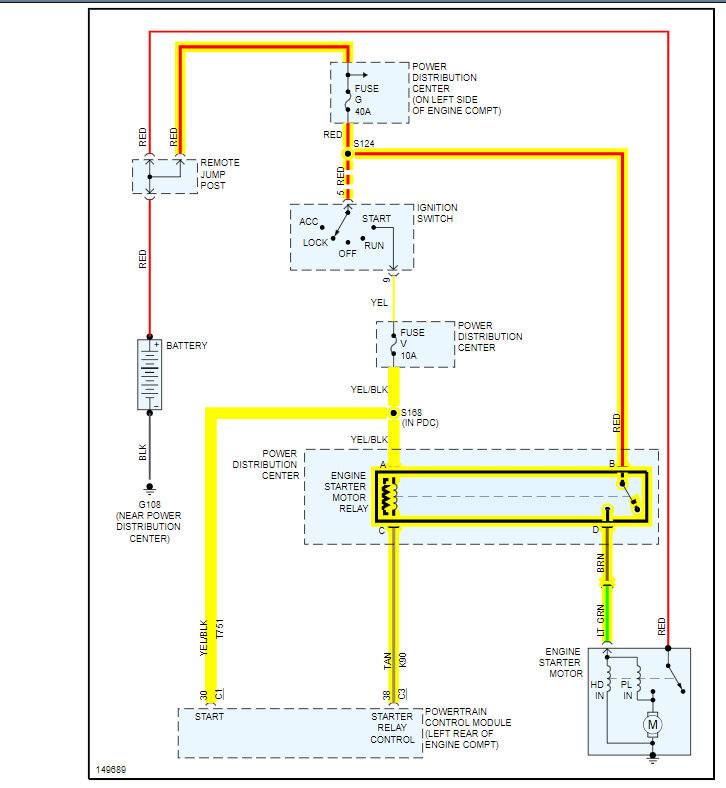
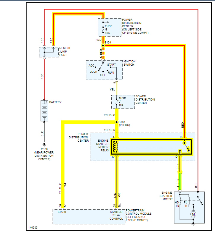
Friday, September 3rd, 2021 AT 12:34 PM
I got my battery tested, my starter tested and my alternator also. But my car still won’t crank. Does anyone know what the problem could be?




