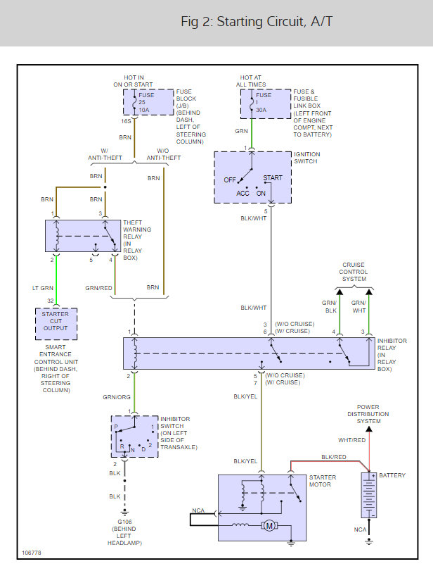
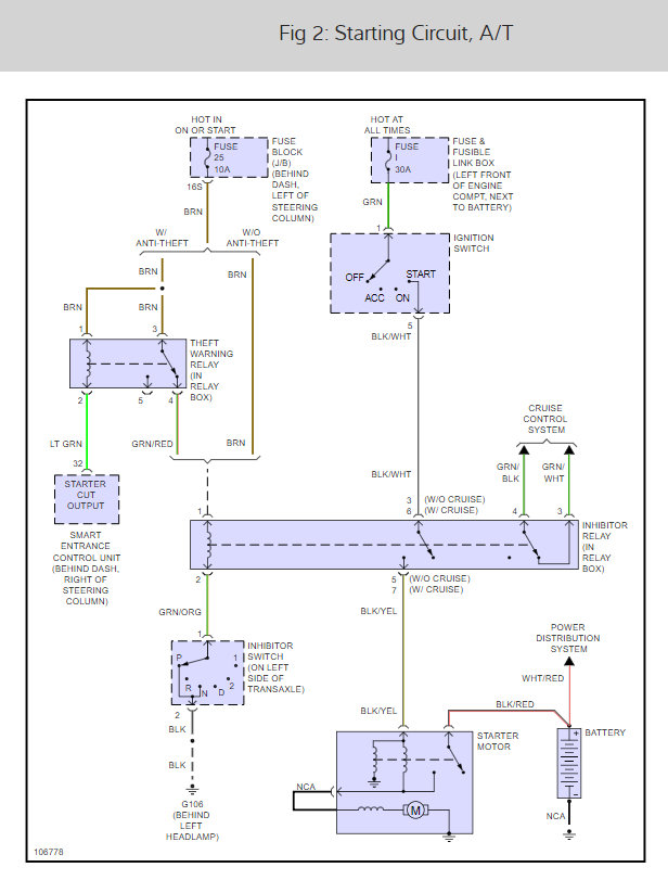
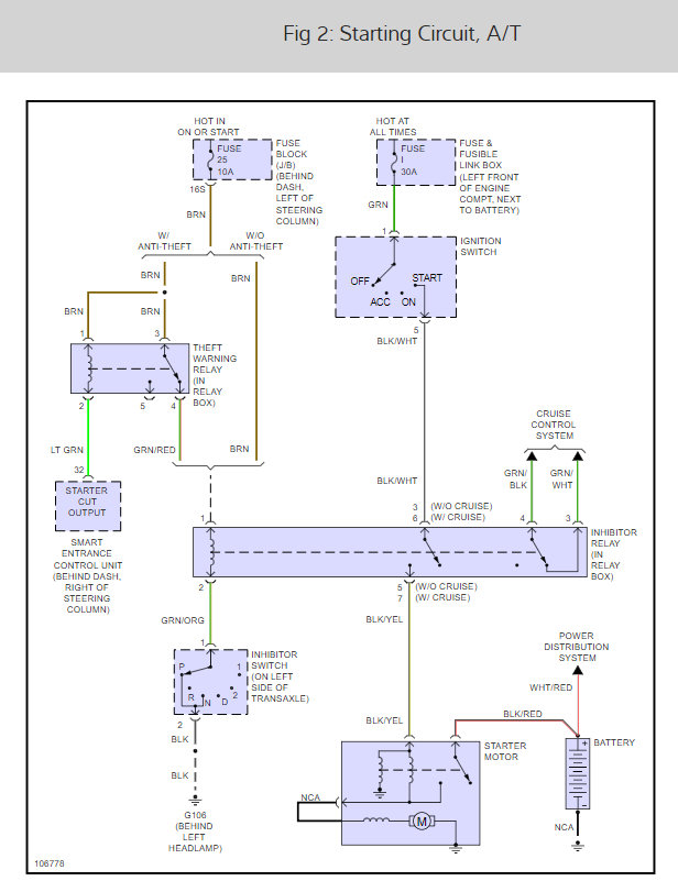
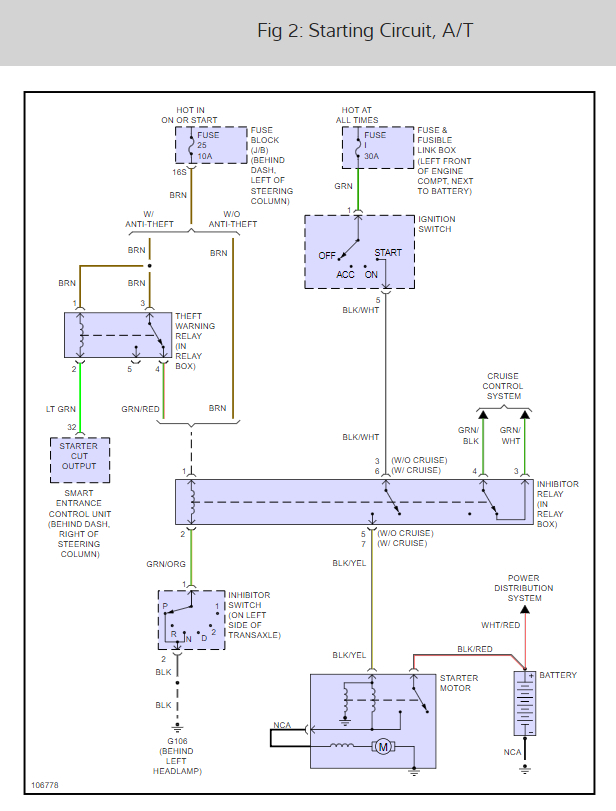
Wednesday, December 12th, 2018 AT 3:42 PM
All the lights come on. I replaced the starter, battery and the ignition switch and it still will not crank. The fuses and relays works fine.




