Car radio and speakers not working properly

Tiny
DARNELLLOMAN
  • MEMBER
  • 2011 CHEVROLET HHR
  • 125,000 MILES
My radio turns on and off but now the sound only comes out of the front tweeter speakers on front side panels on dash.
Monday, January 4th, 2021 AT 10:51 AM

3 Replies

Tiny
DANNY L
  • MECHANIC
  • 5,648 POSTS
Hello, I'm Danny.

It sounds like you might be having an issue with the speaker outputs on your radio. I would suggest removing a door pane to access one of the front or rear speakers to test the wiring to see if you are receiving power to the speaker. Here is a tutorial on how to remove a door panel and test electrical wiring:

https://www.2carpros.com/articles/door-panel-removal

https://www.2carpros.com/articles/how-to-check-wiring

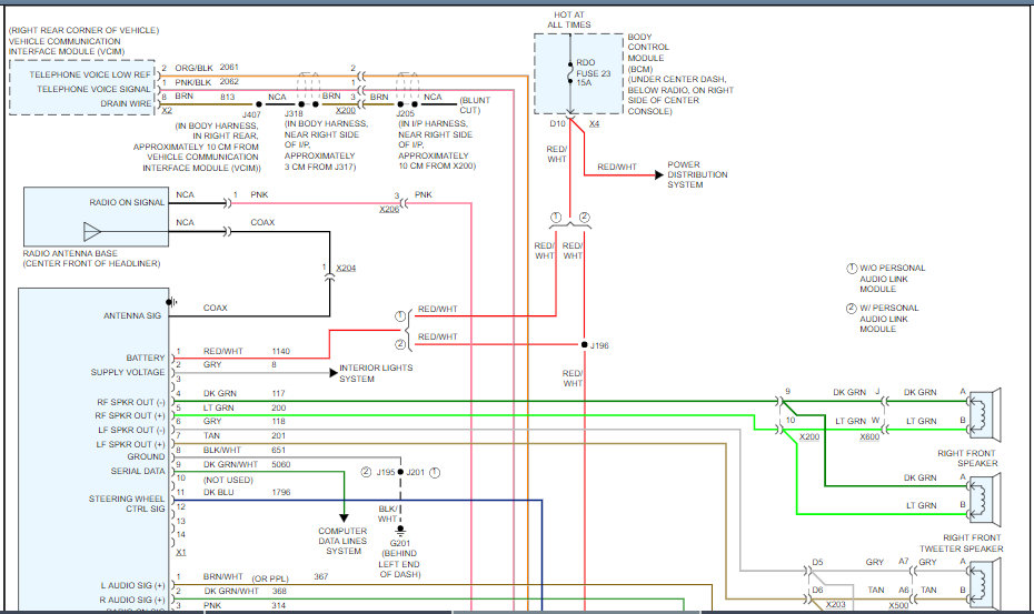
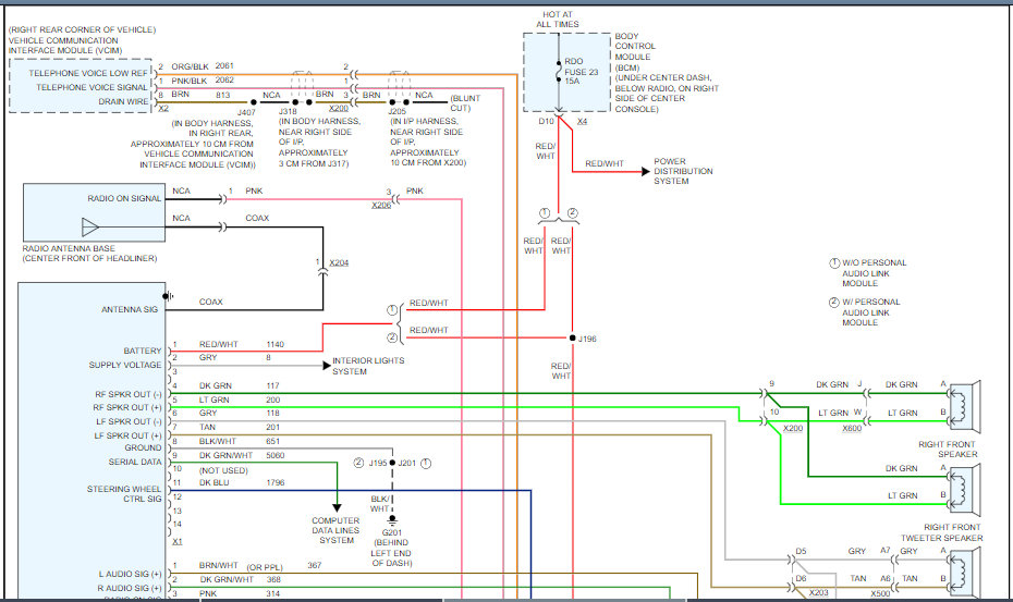
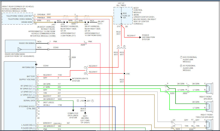
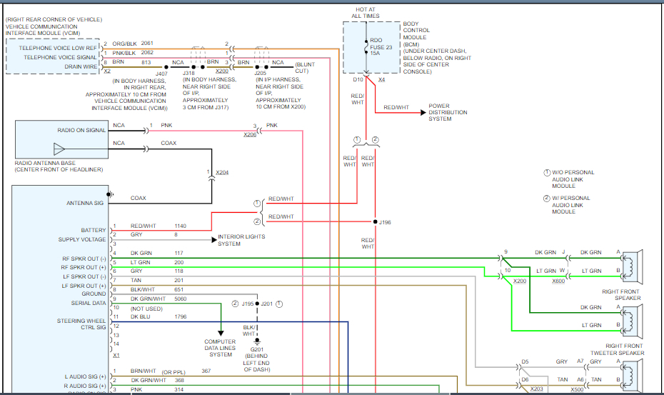
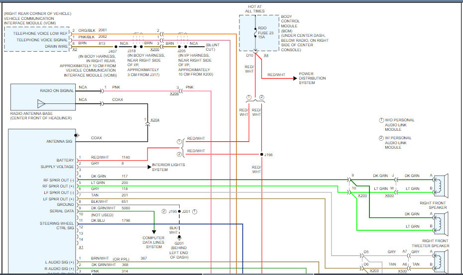
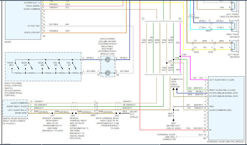
I've attached wiring diagrams below for the 2 different audio systems available in your vehicle. I've cut the pictures in half so you can view larger. The first pictures are for audio system equipped with an amplifier and the second set is for without. Hope this helps and thanks for using 2CarPros.

Was this
answer
helpful?
Yes
No
+1
Monday, January 4th, 2021 AT 7:57 PM
Tiny
CARADIODOC
  • MECHANIC
  • 34,468 POSTS
Hi guys. This sounds similar to a blown amplifier fuse on Chrysler products. They don't run the dash tweeters through the amp, so you'll still have that high-pitched tinny sound from the radio.
Was this
answer
helpful?
Yes
No
+1
Tuesday, January 5th, 2021 AT 4:46 PM
Tiny
DANNY L
  • MECHANIC
  • 5,648 POSTS
Hello again.

I've attached pictures below of the right side center console fuse block relating to the 2 fuses related to the amplifier and audio system. The amplifier fuse is in location #6 and the audio system fuse is in location #23. Hope this helps and thanks again for using 2CarPros.

Danny-
Was this
answer
helpful?
Yes
No
Wednesday, January 6th, 2021 AT 7:26 PM

Please login or register to post a reply.