Wednesday, August 17th, 2011 AT 12:10 AM
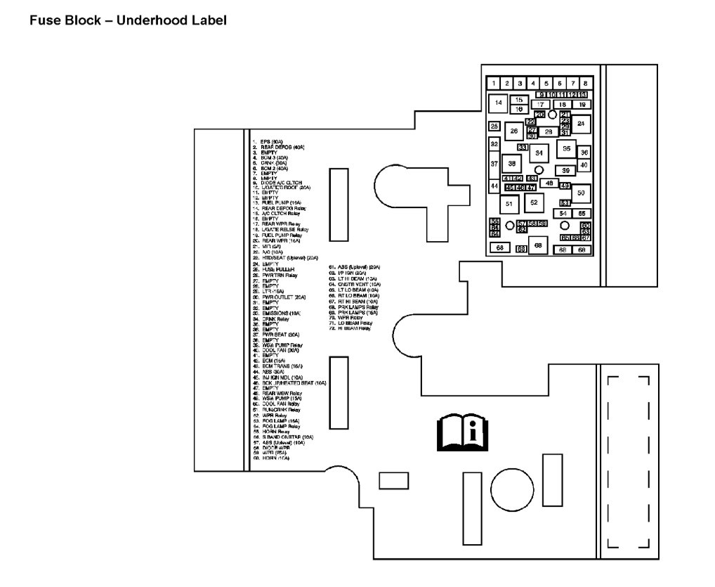
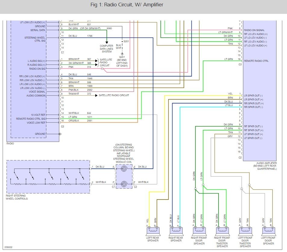
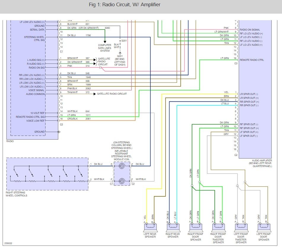
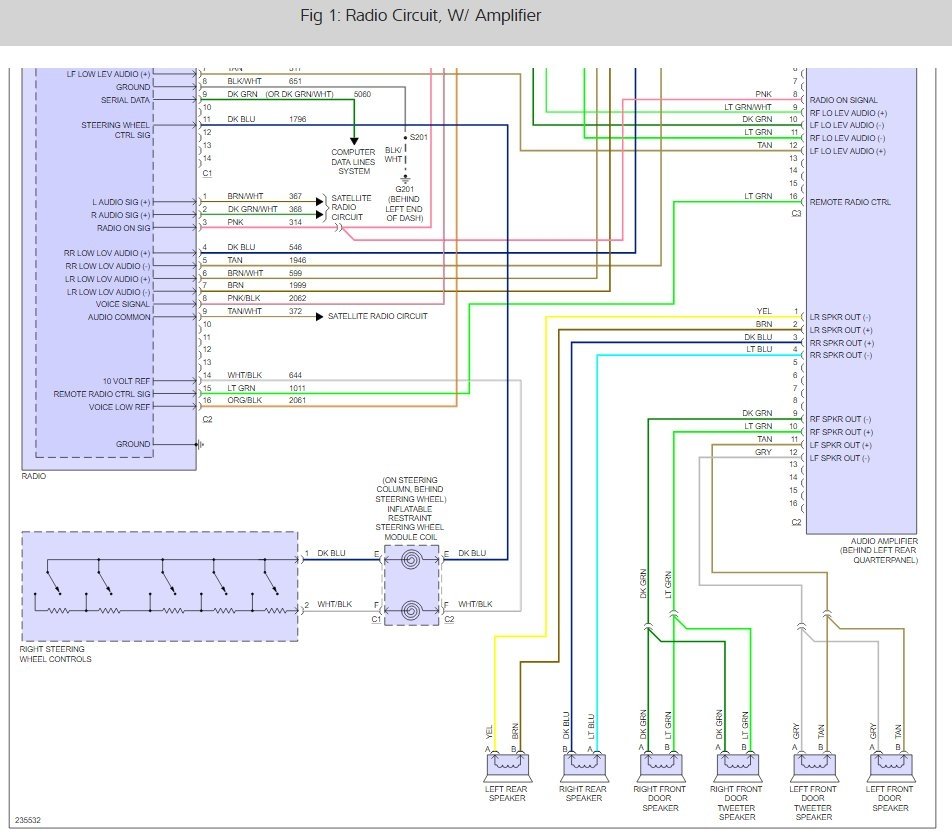
WE have HHR 2006, the battery went dead and now the radio does not work at all. We have checked the fuse in the fuse box and it is ok. I understand there is one in the back of the radio, how do we get to that fuse



























