Saturday, March 16th, 2019 AT 10:44 PM
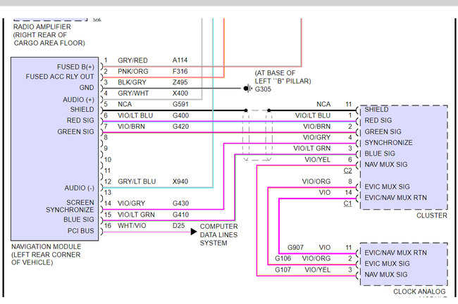
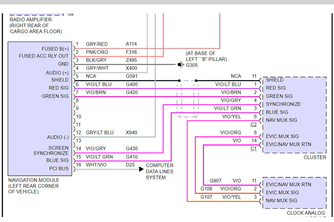
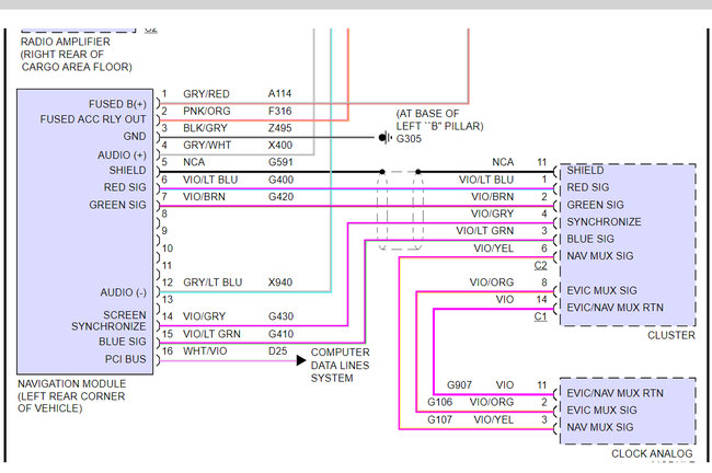
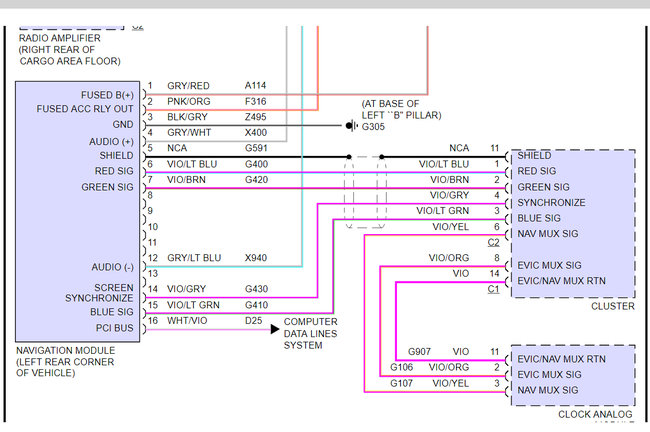
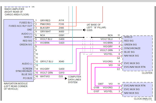
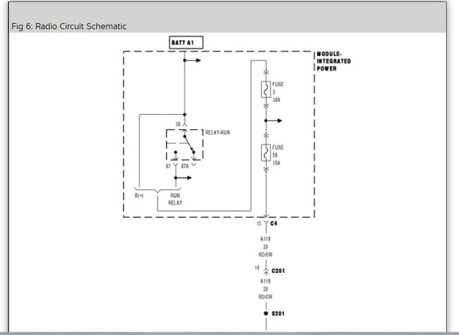
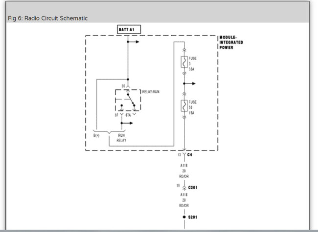
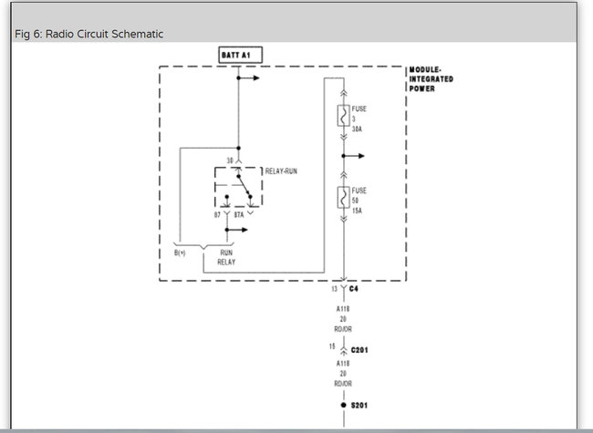
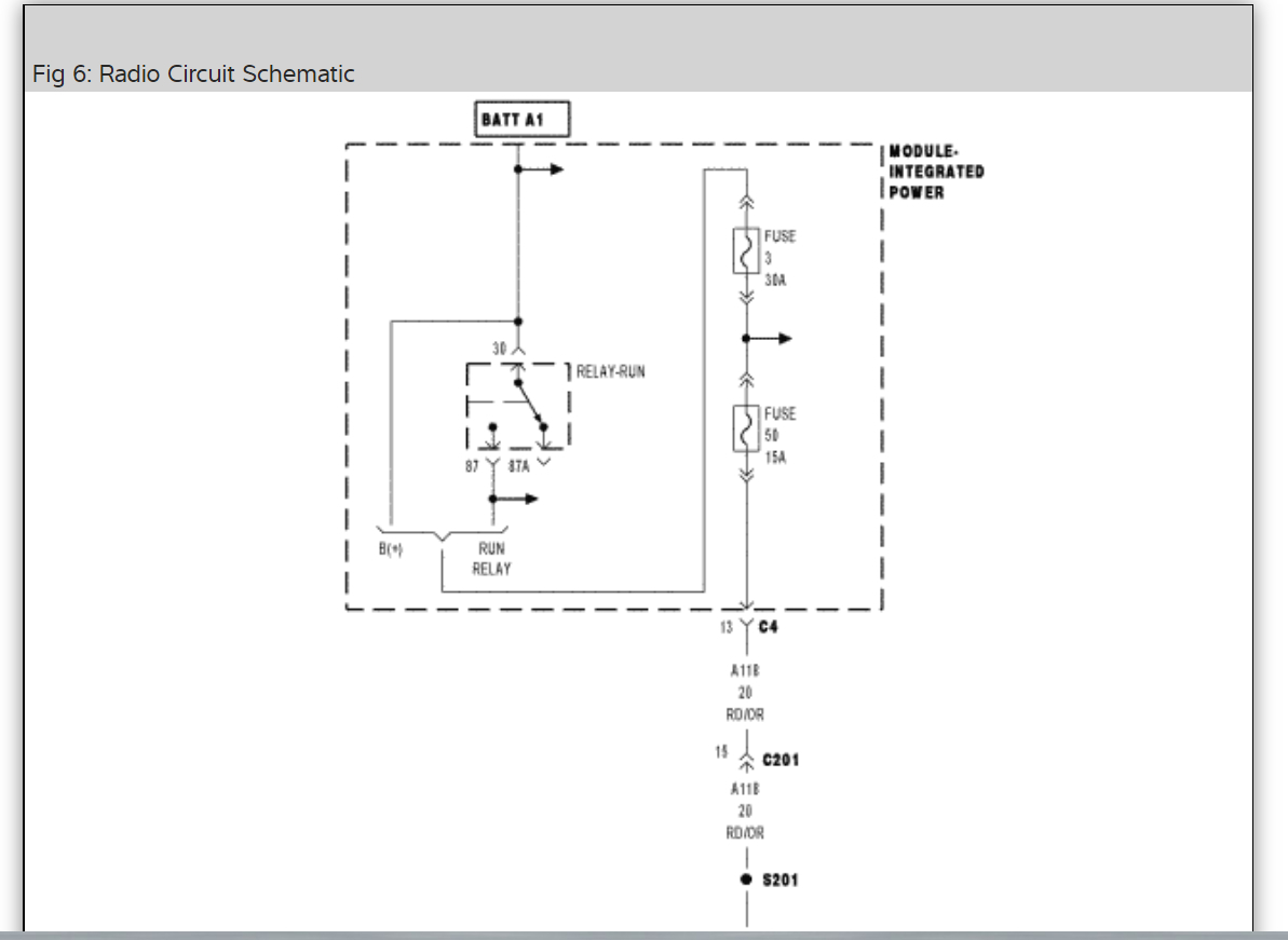
My factory radio stopped working, but it will show the time and the amp has power. Also my miles until empty wont show the miles anymore. Already checked the fuse box and that's not the issue. Please help





















