Car overheats

Tiny
TOM FLATAU
  • MEMBER
  • 2001 CHRYSLER 300
  • 3.5L
  • FWD
  • AUTOMATIC
  • 148,000 MILES
Installed new head gaskets, new thermastat, new rad. Could pcm be the problem. No codes come up, runs good.
Thursday, March 23rd, 2017 AT 11:09 AM

21 Replies

Tiny
STEVE W.
  • MECHANIC
  • 15,541 POSTS
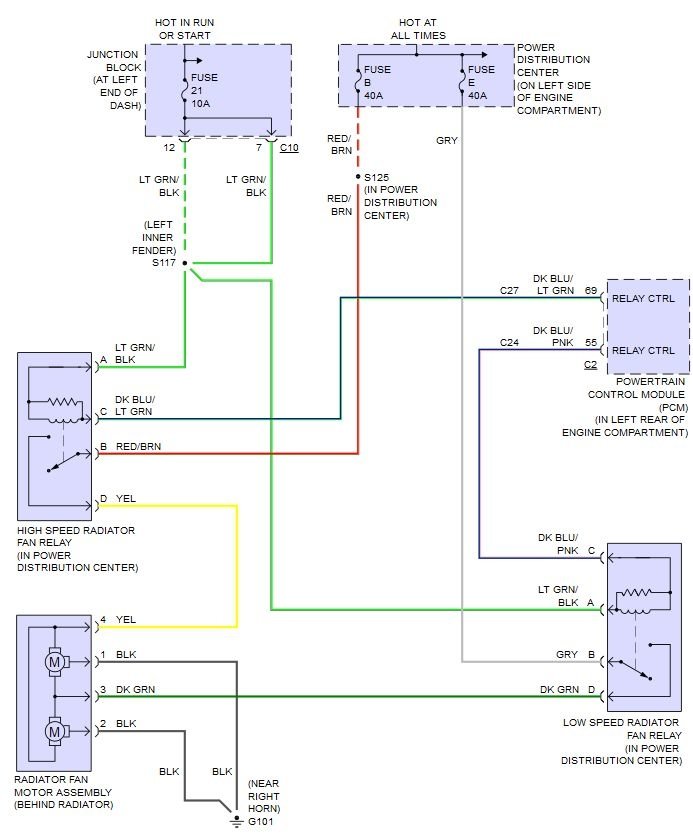
Check the cooling fans and the temperature sending switch that controls the fan relays as well as the relays themselves. If you unplug the temp sender the fans should kick on. Check the fuses shown and for power at the relays.
If the fans are operating then check for actual coolant flow from the pump.
Was this
answer
helpful?
Yes
No
Thursday, March 23rd, 2017 AT 1:33 PM
Tiny
TOM FLATAU
  • MEMBER
  • 10 POSTS
Both fans were runing when guage went over half between L and H. INSTALLED a new water pump when I had heads off. Will check things on diagram.
Was this
answer
helpful?
Yes
No
Thursday, March 23rd, 2017 AT 3:43 PM
Tiny
STEVE W.
  • MECHANIC
  • 15,541 POSTS
OK, what are you calling "overheating" just the gauge? Did it actually overheat and boil? Gauges can be very inaccurate. I would test it with a thermometer and see what temperature it is actually running.
Was this
answer
helpful?
Yes
No
+1
Thursday, March 23rd, 2017 AT 8:17 PM
Tiny
TOM FLATAU
  • MEMBER
  • 10 POSTS
The top hose burns you fingers, I took off new rad having end taken off to see if that could be a flow problem, bottom hose not that hot, new thermostat open at 180 on the stove.
Was this
answer
helpful?
Yes
No
+1
Friday, March 24th, 2017 AT 7:06 AM
Tiny
STEVE W.
  • MECHANIC
  • 15,541 POSTS
The top hose should be hotter than the bottom, that is how the radiator works, Hot water in the top, cooler water out the bottom. Put an actual thermometer on it and check the real temperature of the coolant. That system normally runs around 200 degrees. Put a scan tool on and see what the computer sees as the operating temperature.
Was this
answer
helpful?
Yes
No
Friday, March 24th, 2017 AT 9:40 AM
Tiny
TOM FLATAU
  • MEMBER
  • 10 POSTS
My scan tool only shows codes, My new Rad had lots of blockage. The ran wire down each row, will put it back on monday and test run, no codes up.I think this might solve it.
Was this
answer
helpful?
Yes
No
Saturday, March 25th, 2017 AT 6:15 AM
Tiny
KEN L
  • MASTER CERTIFIED MECHANIC
  • 54,852 POSTS
Glad you could get it fixed please use 2CarPros. Com anytime we are here to help

Best, Ken
Was this
answer
helpful?
Yes
No
-1
Tuesday, March 28th, 2017 AT 12:15 PM
Tiny
RITA WOLF
  • MEMBER
  • 1 POST
  • 2001 CHRYSLER 300
  • 180,000 MILES
We have had a mechanic look at our car he couldn't find out what was causing our problem. We drive it for a few miles it will overheat we turn it off you don't hear any noise like it is boiling. We turn the key off them turn it back on and it pegs out in the red it doesn't take too long for it too cool back down any suggestions we put a radiator cap on
Was this
answer
helpful?
Yes
No
+1
Tuesday, March 28th, 2017 AT 12:15 PM (Merged)
Tiny
JACOBANDNICKOLAS
  • MECHANIC
  • 110,189 POSTS
Are you sure the engine is overheating? Do the cooling fans come on? Have you checked the thermostat? Have you flushed the radiator?

Let me know and describe what occurs when it "overheats."
Was this
answer
helpful?
Yes
No
Tuesday, March 28th, 2017 AT 12:15 PM (Merged)
Tiny
KRIBABE22
  • MEMBER
  • 1 POST
  • 2001 CHRYSLER 300
  • 6 CYL
  • 4WD
  • AUTOMATIC
  • 11,760 MILES
Engine Cooling problem
2001 Chrysler 300 6 cyl Four Wheel Drive Automatic 117, 60 miles

Helllo,

I had a little bout of road rage the other day. Gunned the engine and overheated the car. I was about 3-5 minutes from my home when it happened so being the "typical woman" that I am. Kept driving. I let it sit for a day, but got impatient at the bus stop this morning and thought, "maybe nothing's wrong. Maybe I can drive it to work just for today." Needless to say, I got about a mile or so from my house and it began to overheat again. I watched the temperature gauge closely and pulled over as soon as it started to rise quickly. When I got out to listen to the car, I heard a faint knocking sound. Something unfamiliar, but I knew it wasn't good. I plan on towing it back to my home today as the repairs can't be done until next week sometime. What do you think I've done? : ( I'm traveling next month and an unexpected (and pricey) car repair is not the ideal situation. I know it's my fault anyway. I should be more patient on the road (and in life). Hope this doesn't turn into one of those "expensive lessons". Thanks.
Was this
answer
helpful?
Yes
No
Tuesday, March 28th, 2017 AT 12:15 PM (Merged)
Tiny
RASMATAZ
  • MECHANIC
  • 75,992 POSTS
Check the thermostat.
Was this
answer
helpful?
Yes
No
Tuesday, March 28th, 2017 AT 12:15 PM (Merged)
Tiny
  • MEMBER
  • 0 POST
  • 2001 CHRYSLER 300
  • 17,000 MILES
My car had over heated and shut off. What is the matter with my car? What can I do to fix it? How much will it take to fix it if it if possible?
Was this
answer
helpful?
Yes
No
Tuesday, March 28th, 2017 AT 12:16 PM (Merged)
Tiny
BLAZE45
  • MECHANIC
  • 380 POSTS
Possible cooling issues include but are not limited to:

headgasket(s)
fan switch
cooling system needing a coolant flush
thermostat
block radiator
leak in cooling system
bad fan switch relay
bad coolant temp sensor
water pump is toast

Make sure there isnt oil in your coolant or coolant in your oil. This would denote a headgasket issue. Next check your thermostat. Make sure there are not any leaks. Make sure the fan turns on when the car is getting hot.

Worse case scenario is the headgaskets is gone costing a lot in labor.
Was this
answer
helpful?
Yes
No
Tuesday, March 28th, 2017 AT 12:16 PM (Merged)
Tiny
TOM FLATAU
  • MEMBER
  • 10 POSTS
  • 2001 CHRYSLER 300
  • 3.5L
  • 6 CYL
  • FWD
  • AUTOMATIC
  • 146,000 MILES
Thought cleaning the new Rad would work and it helped but, car still runs hot. Gauge goes up after leveling off at half, you can here it bubble when you shut it off near the red zone. Running the heater wide open will stop the gauge s long as the car is moving, only 50 out. Thinking there is a flow problem someplace
Was this
answer
helpful?
Yes
No
Friday, March 31st, 2017 AT 1:40 PM (Merged)
Tiny
KEN L
  • MASTER CERTIFIED MECHANIC
  • 54,852 POSTS
Hello Tom,

It sounds like you have a head gasket that is leaking, here is a guide so you can check for the problem.

https://www.2carpros.com/articles/head-gasket-blown-test

Please let us know what happens.

Best, Ken

Was this
answer
helpful?
Yes
No
-1
Friday, March 31st, 2017 AT 1:40 PM (Merged)
Tiny
AGDVONA
  • MEMBER
  • 3 POSTS
  • 2000 CHRYSLER 300
Engine Cooling problem
2000 Chrysler 300 6 cyl Wheel Drive Type unknown Automatic 160000 miles

Greetings,

My high mileage (mostly highway miles) 160,000 mile 2000 Chrysler 300 M is running hot. I have had the thermostat and radiator changed. Sometimes I (burp) it, open the antifreeze compartment to let it hiss and settle down and cool the car down then it runs fine for a day or two. I am in the Chicago area and notice that as the weather is warming up it is running hot more often. THE FANS ARE ON AND BLOWING, NO LEAKS WITH ANY ANTIFREEZE. Thanks sooo much!
Was this
answer
helpful?
Yes
No
Friday, March 31st, 2017 AT 1:40 PM (Merged)
Tiny
RASMATAZ
  • MECHANIC
  • 75,992 POSTS
Try having the cooling system bleed out-that don't work get the water pump and radiator tested-

Also might want to go ahead and have it block and pressure tested to check for combustion leakage.
Was this
answer
helpful?
Yes
No
+1
Friday, March 31st, 2017 AT 1:40 PM (Merged)
Tiny
JOHN MCALPINE
  • MEMBER
  • 1 POST
  • 2000 CHRYSLER 300
Engine Mechanical problem
2000 Chrysler 300 Front Wheel Drive 128000 miles

the engine overheated and died its full of coolant
now it won't start and turns over fast
Was this
answer
helpful?
Yes
No
Friday, March 31st, 2017 AT 1:40 PM (Merged)
Tiny
DOCFIXIT
  • MECHANIC
  • 18,828 POSTS
Check timing belt if O.K. Then check compression
Was this
answer
helpful?
Yes
No
Friday, March 31st, 2017 AT 1:40 PM (Merged)
Tiny
FREDDIED
  • MEMBER
  • 1 POST
  • CHRYSLER 300
Car Info

Year-1999
Make-Chrysler
Model-300M
24 Valve
3.5 Liter engine
Miles-98000

My car keeps overheating, I have already replaced the Trans Cooling Unit, the Fans, The Radiator, and the Thermostat. Please help. Could it be that now the Water Pump or the Temperature gauge is gone.
Was this
answer
helpful?
Yes
No
Friday, March 31st, 2017 AT 1:40 PM (Merged)

Please login or register to post a reply.