Car not starting

Tiny
NASMOM123
  • MEMBER
  • 2004 PONTIAC GRAND PRIX
  • 2WD
  • 196,000 MILES
Brought the car off someone they said they haven’t driven it in months. The car won’t even crank over. No lights light up on the dash. When trying to jump start it it makes a whining sound and the lights pop up, but it still doesn’t crank or come on.
Friday, March 1st, 2019 AT 3:58 PM

1 Reply

Tiny
JACOBANDNICKOLAS
  • MECHANIC
  • 110,194 POSTS
Hi and thanks for using 2CarPros.

When you say it is whining, does it sound like an electric motor spinning? If it does, it sounds like the starter Bendix is bad. Also, what lights pop up?

If it does sound like an electric motor, I would recommend disconnecting the battery, removing the starter, and having it bench tested. Most parts stores will do it for free.

Here is a link that shows in general how to remove a starter:

https://www.2carpros.com/articles/how-to-replace-a-starter-motor

Here are the directions specific to your vehicle for removing the starter. The attached pictures correlate with the directions.

_______________________

STARTER MOTOR REPLACEMENT

REMOVAL PROCEDURE

picture 1
1. Disconnect the negative battery cable.
2. Raise and support the vehicle. Refer to Vehicle Lifting.
3. Remove the front lower air deflector panel.
4. Remove the torque converter covers.
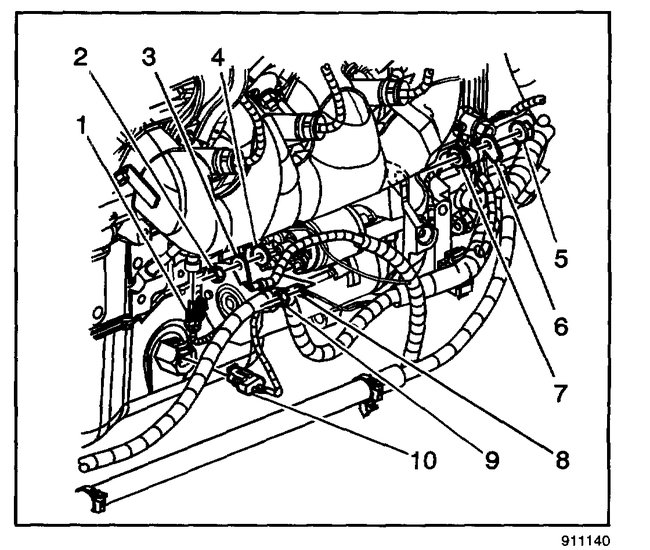
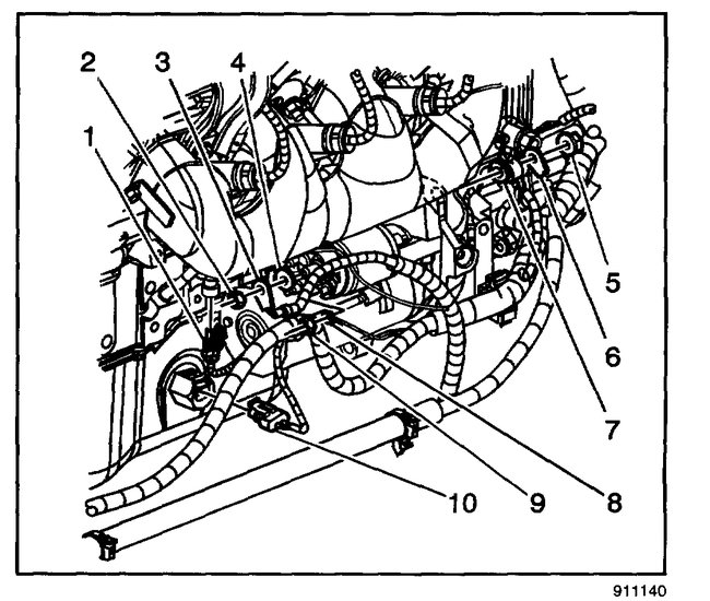
5. Remove the starter solenoid S terminal nut (9) and remove the starter solenoid wire (8) from the starter motor.
6. Remove the starter solenoid BAT terminal nut (2) and remove the positive battery cable (3) from the starter motor.

picture 2
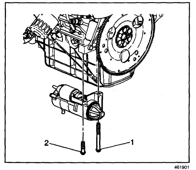
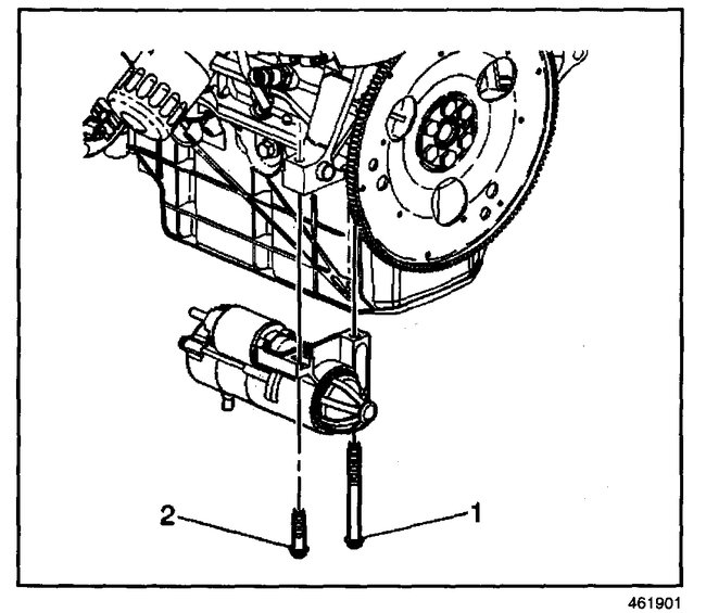
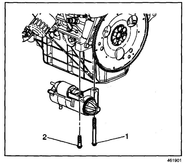
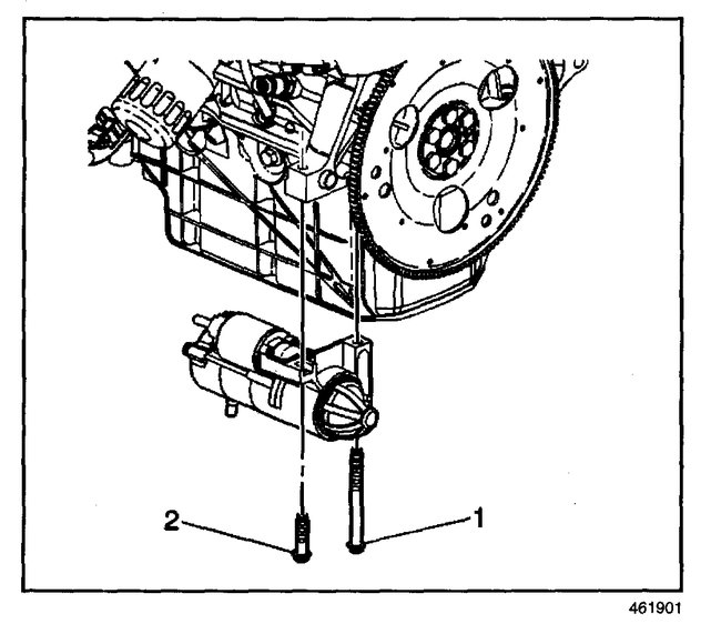
7. Remove the starter bolts (1,2) and the starter motor.

INSTALLATION PROCEDURE

picture 3
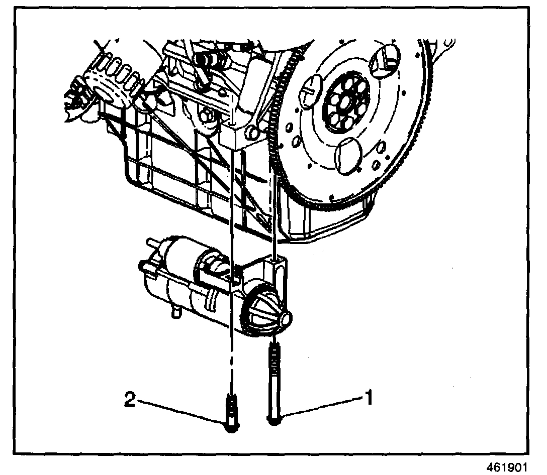
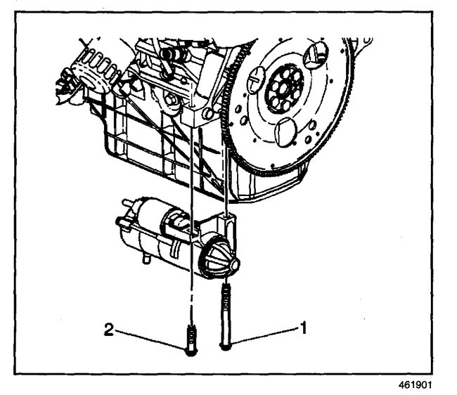
1. Align the starter motor to the engine.

NOTE: Refer to Fastener Notice in Service Precautions.

2. Install the starter bolts (1,2) finger tight until seated.

Tighten
Tighten the starter bolts to 43 N.m (32 lb ft).

picture 4
3. Install the positive battery cable (3) and the solenoid BAT terminal nut (2). Tighten finger tight to the starter motor.
4. Install the starter solenoid wire (8) and the starter solenoid S terminal nut (9). Tighten finger tight to the starter motor.

Tighten
4.1. Tighten the solenoid BAT terminal nut (2) to 9.5 N.m (84 lb in).
4.2. Tighten the starter solenoid S terminal nut (9) to 2.3 N.m (20 lb in).

5. Install the torque converter covers.
6. Install the front lower air deflector panel.
7. Lower the vehicle.
8. Connect the negative battery cable.

_________________________________

I hope this helps. Let me know if you have other questions. Also, if you could record the sound you hear and upload it for me, it may help.

Take care,
Joe
Was this
answer
helpful?
Yes
No
Friday, March 1st, 2019 AT 11:08 PM

Please login or register to post a reply.