Thursday, June 30th, 2011 AT 1:22 AM
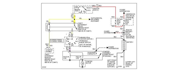
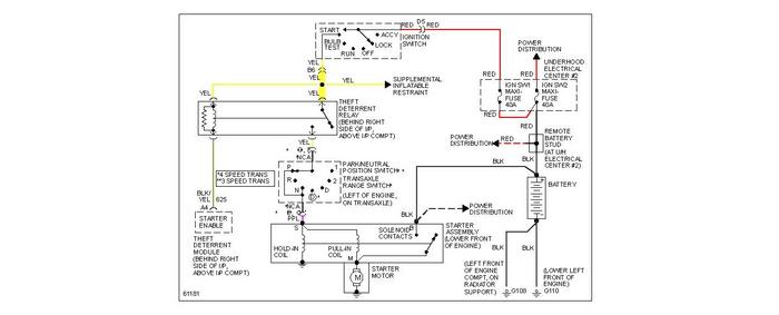
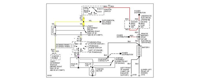
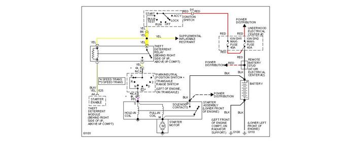
I have a 1994 Pontiac Grand Prix and it will not start. This has happened in the past, but it was just the shifter not in proper gear. Eventually it would start. Recently, I bent the key and possibly messed up the chip. Tried the key, it didn't work. Had a replacement key made, still didn't work. Thought the neutral safety switch had gone out because of the previous issue and replaced it, didn't start. Moved on to the ignition control module because I tried using the broken key, STILL wouldn't start. The dealership and quiet a few forums online stated that it could either be the ICM or TDM. The dealership and forums stated that the security light has to be on when the key is turned on for it to be a TDM problem for the car not to start. When I turn the key everything comes on. (Radio, AC, ect.) But the car will not crank or even attempt to. Also the security light does not stay on.(So that rules out TDM) Checked fuses, wires, alternator, battery, everything. PLEASE HELP! I am STUMPED and just want my car to start.


