Will not start

Tiny
DESIGRIMES123
  • MEMBER
  • 2004 PONTIAC GRAND PRIX
  • 6 CYL
  • 4WD
  • AUTOMATIC
  • 77,000 MILES
Battery is good, headlights work, radio plays but car will not start. Took battery off and had it checked and was good. Sometimes before this happened when I would normally start the car I would have to give it gas to start it but then it would normally work with no problem.
Thursday, January 6th, 2011 AT 3:49 PM

54 Replies

Tiny
JDL
  • MECHANIC
  • 16,098 POSTS
Are you saying it cranks good but will not start or it will not even crank? What about your security system? When you try to start, is there a message on your driver information center?
Was this
answer
helpful?
Yes
No
+16
Thursday, January 6th, 2011 AT 5:37 PM
Tiny
DESIGRIMES123
  • MEMBER
  • 6 POSTS
Will not start, will not crank.
Was this
answer
helpful?
Yes
No
+1
Thursday, January 6th, 2011 AT 9:18 PM
Tiny
JDL
  • MECHANIC
  • 16,098 POSTS
You need to figure some way to rule out your security system. I can crank it for you, but, if security issue, it still will not start. Repeating the issue, does not help anything, you need to work with me.
Was this
answer
helpful?
Yes
No
+6
Thursday, January 6th, 2011 AT 9:40 PM
Tiny
DESIGRIMES123
  • MEMBER
  • 6 POSTS
I can hear a clicking noise when you start it up.
Was this
answer
helpful?
Yes
No
+3
Friday, January 7th, 2011 AT 3:19 PM
Tiny
JDL
  • MECHANIC
  • 16,098 POSTS
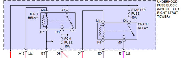
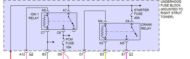
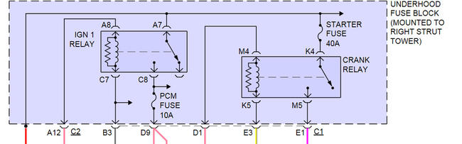
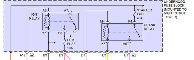
Remove the starter relay, under-hood fuse box. Make sure the transmission is in park or neutral and the e-brake is set. Use a jumper wire between terminals K4 and M5 in the diagram. The starter should crank. If it cranks but will not start, it may be the security system. I cannot diagnose the security system from here.
Was this
answer
helpful?
Yes
No
+3
Friday, January 7th, 2011 AT 4:03 PM
Tiny
DESIGRIMES123
  • MEMBER
  • 6 POSTS
Okay, will try. Are you talking using jumper cable between k4 and m5?
Was this
answer
helpful?
Yes
No
Friday, January 7th, 2011 AT 5:47 PM
Tiny
JDL
  • MECHANIC
  • 16,098 POSTS
No not jumper cables, a 14 gage automotive wire should work fine, small piece.
Was this
answer
helpful?
Yes
No
Friday, January 7th, 2011 AT 7:27 PM
Tiny
DESIGRIMES123
  • MEMBER
  • 6 POSTS
I guess that I can buy that wire at AutoZone.
Was this
answer
helpful?
Yes
No
Friday, January 7th, 2011 AT 8:31 PM
Tiny
JDL
  • MECHANIC
  • 16,098 POSTS
You do not have a small piece laying around? Walmart, AutoZone, any of those places should have it.
Was this
answer
helpful?
Yes
No
-1
Friday, January 7th, 2011 AT 8:55 PM
Tiny
WILLIAMS1633351
  • MEMBER
  • 3 POSTS
Jumper wire k4 to m5, starter clicks no crank.
Was this
answer
helpful?
Yes
No
+1
Thursday, December 10th, 2015 AT 2:45 PM
Tiny
KGGGKD
  • MEMBER
  • 1 POST
  • 2004 PONTIAC GRAND PRIX
  • 3.8L
  • 6 CYL
  • FWD
  • AUTOMATIC
  • 111,111 MILES
Hello, I have a 2004 Grand Prix that I am having problems with. I will try to tell you every problem that I know so maybe I can narrow it down or try not to leave out anything out. The car will not start or hit a lick. I put the key in the ignition and the motor will not crank or anything. The lights come on the dash when key is turn to ACC or On position. And the gauges will go all the way forward and then go back to normal spot when you turn the key to try to start it. I have check the battery which is fine. I tried a different battery actually and still no luck. I crossed wired the starter and it appears to be fine. I see no Security Light flashing as a common problem with the Grand Prix from what I read. So any ideas to try would be great. Thanks in advanced!
Was this
answer
helpful?
Yes
No
Monday, April 29th, 2019 AT 7:52 PM (Merged)
Tiny
HMAC300
  • MECHANIC
  • 48,601 POSTS
Try resetting security system first then check fuses under hood and starter relay see pic. This guide can help as well

https://www.2carpros.com/articles/car-cranks-but-wont-start

and

https://www.2carpros.com/articles/how-to-reset-a-security-system

Please run down these guides and report back.

Was this
answer
helpful?
Yes
No
+1
Monday, April 29th, 2019 AT 7:52 PM (Merged)
Tiny
REY-GTS
  • MEMBER
  • 1 POST
I had this problem and had to get a new fuel pump cost me 143.00 for the part! All fixed
Was this
answer
helpful?
Yes
No
Monday, April 29th, 2019 AT 7:52 PM (Merged)
Tiny
KORITADAVIS
  • MEMBER
  • 1 POST
  • 2004 PONTIAC GRAND PRIX
Electrical problem
2004 Pontiac Grand Prix 6 cyl Automatic 95k miles

I recently replaced the starter on my 2004 grand prix and I had the battery and alternator checked and they were both good but my car still won't turn over. What else could it be?
Was this
answer
helpful?
Yes
No
+2
Monday, April 29th, 2019 AT 7:52 PM (Merged)
Tiny
RASMATAZ
  • MECHANIC
  • 75,992 POSTS
But my car still won't turn over, Dunno if its cranking over and w/n start or just plain nothing when you hit the key

Get a helper disconnect a sparkplug wire or 2 and ground it to the engine at least 3/16 away from ground -have helper crank engine over-do you have a snapping blue spark? If so-you have a fuel related problem, check the fuel pressure to rule out the fuel filter/fuel pump/pressure regulator and listen to the injector/s are they pulsing or hook up a noid light. No snapping blue spark continue to troubleshoot the ignition system-power input to the coil/coil packs, coil's resistances, distributor pick-up coil, ignition control module, cam and crank sensors and computer Note: If it doesn't apply disregard it.

No crank at all/nothing/nada:

Could be the starter, starter relay, park and neutral switch/clutch switch and ignition switch assuming the battery and connections are good
Was this
answer
helpful?
Yes
No
-2
Monday, April 29th, 2019 AT 7:52 PM (Merged)
Tiny
DESIGRIMES123
  • MEMBER
  • 6 POSTS
  • 2004 PONTIAC GRAND PRIX
  • 6 CYL
  • 4WD
  • AUTOMATIC
  • 77,000 MILES
My car wont do anything when you try to start it. The headlights and radio works, the battery is good but the car wont start or crank. Could it be my starter that needs to be replaced. Usually I would have to pump the gas in order to start the car first thing in the morning but now it is doing anything.
Was this
answer
helpful?
Yes
No
Monday, April 29th, 2019 AT 7:52 PM (Merged)
Tiny
JDL
  • MECHANIC
  • 16,098 POSTS
It can be the starter here is a guide to confirm.

https://www.2carpros.com/articles/starter-not-working-repair

Please run down this guide and report back.
Was this
answer
helpful?
Yes
No
Monday, April 29th, 2019 AT 7:52 PM (Merged)
Tiny
JONNIED25
  • MEMBER
  • 1 POST
  • 2004 PONTIAC GRAND PRIX
  • 202,600 MILES
Car wont start when starting cold? Could it be spark plugs they are original? And I have a p0455 emission leak and losing gas when driving according to gauge? Car is a 2004 pontiac grand prix gt2
Was this
answer
helpful?
Yes
No
-2
Monday, April 29th, 2019 AT 7:52 PM (Merged)
Tiny
RASMATAZ
  • MECHANIC
  • 75,992 POSTS
https://www.2carpros.com/articles/car-cranks-but-wont-start

Get a helper disconnect a sparkplug wire or 2 and ground it to the engine atleast 3/16 away from ground-have helper crank engine over-do you have a snapping blue spark? If so-you have a fuel related problem, Do you hear the fuel pump come On when you turn key on? If not check fuel pump fuse and fuel pump relay if okay-check the fuel pressure to rule out the fuel filter/fuel pump/pressure regulator and listen to the injector/s are they pulsing or hook up a noid light. No snapping blue spark continue to troubleshoot the ignition system-power input to the coil/coil packs,coil's resistances,cap and rotor,distributor pick-up coil, ignition control module, cam and crank sensors and computer Note: If it doesn't apply disregard it and keep testing
Was this
answer
helpful?
Yes
No
Monday, April 29th, 2019 AT 7:52 PM (Merged)
Tiny
DMHOLLAND06
  • MEMBER
  • 4 POSTS
  • 2004 PONTIAC GRAND PRIX
  • 6 CYL
  • FWD
  • AUTOMATIC
  • 50,200 MILES
I just got my car a week ago and already it is causing me problems. The car will usually start up in the morning with no problems, but if I drive it and then park it and let it sit for about 30 minutes, it takes a couple pumps of the gas pedal to get it started. The engine turns over fine. I was thinking maybe it was the fuel injectors because it seems to hesitate everytime I start it. I did have a drain on the battery but that has been taken car of I am not sure what is going on now.
Was this
answer
helpful?
Yes
No
Monday, April 29th, 2019 AT 7:52 PM (Merged)

Please login or register to post a reply.