Saturday, November 16th, 2019 AT 5:25 PM
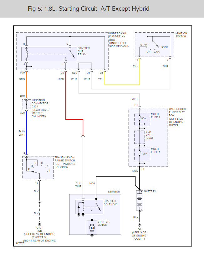
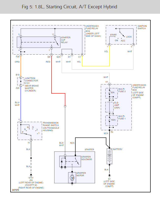
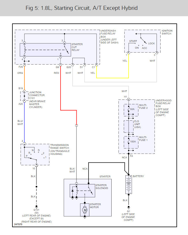
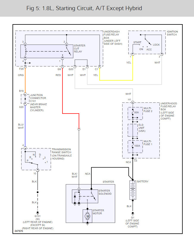
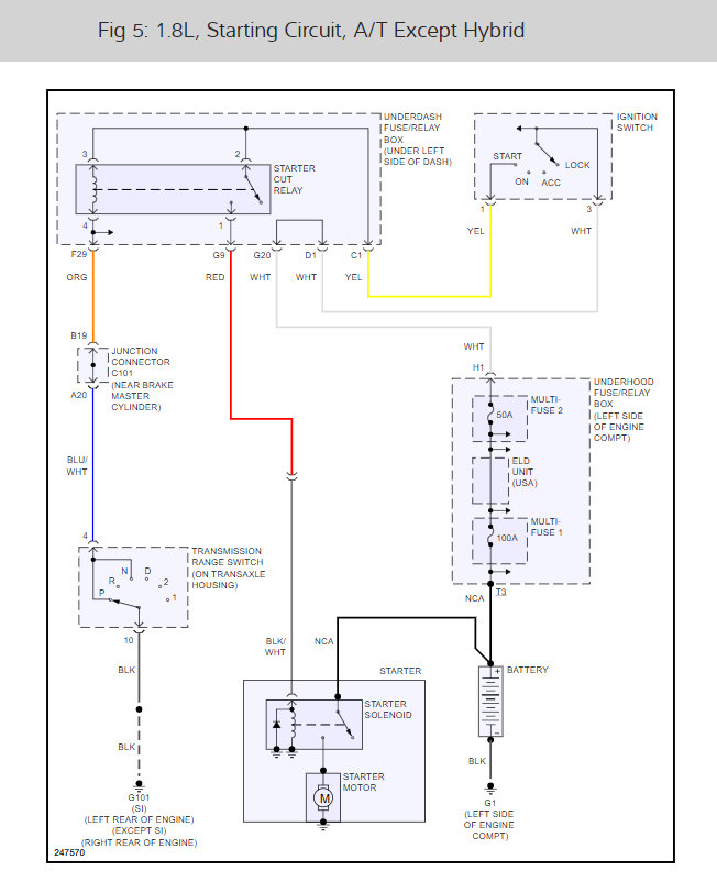
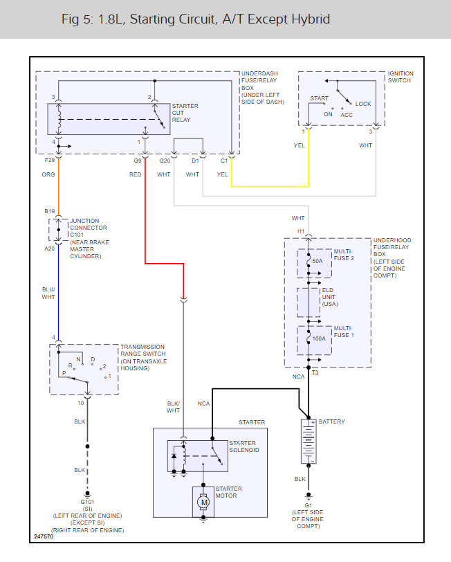
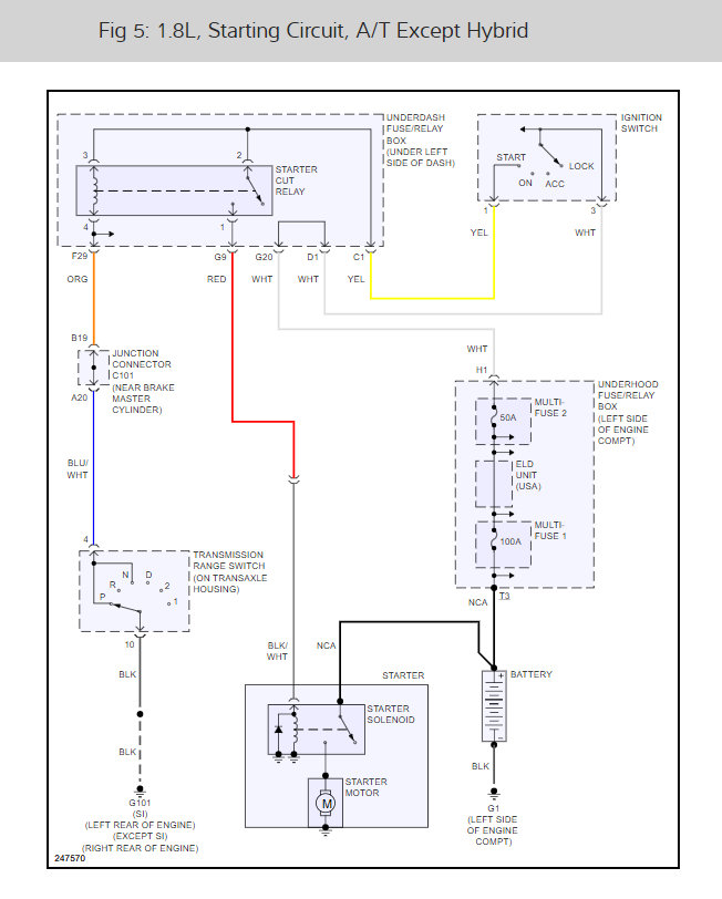
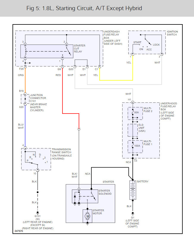
Came out to a car that wouldn't start early Thursday morning. No clicking; no lights when I turned the ignition. Tried jumping it to no avail. Roadside assistance couldn't jump it off. He said the battery tested as good (barely a year old). Tow guy got it working without jumping it. Got it to Honda where they claimed it was a bad starter. Replaced the starter. Allegedly tested the battery, alternator, and solenoid. Drove fine for 1.5 days. Shut off on me Saturday afternoon after a five minute stop. Weird because I'd stopped earlier without issue. Again there was no clicking, no flashing lights. Tried jumping it. Nothing. It took RA over a half an hour to jump it off with two boosters and changing up the ground multiple times. Had intermittent door chimes and ignition dinging before car finally started. Drove it home. Tried to restart it after a 45 minute drive. Same problem. Electrical system short?




