Car horn make noise

2010 DODGE CARAVAN
190,000 MILES • 3.5L • 6 CYL • 2WD • AUTOMATIC
Avatar
ALEX WOO
  • MEMBER
  • 3 POSTS
It is not a horn problem. It makes noise sometimes when raining.
Now I fuss out. I don't know how can I do. I check fuse. Fuse also okay.
Dec 25, 2018 at 7:57 PM
Advertisement
Avatar
ALEX WOO
  • MEMBER
  • 3 POSTS
https://youtu.be/NPIB0LCUqkE
Dec 25, 2018 at 7:59 PM
Avatar
ALEX WOO
  • MEMBER
  • 3 POSTS
It similar with this file.^^*
Dec 25, 2018 at 8:00 PM
Avatar
ASEMASTER6371
  • CAR REPAIR CONTRIBUTOR
  • 52,796 POSTS
Good morning,

The horn seems to be going off on its own. This is not from an alarm signal as that is a different sound sequence.

What comes to mind is the horn pad on the steering wheel. I have seen the sensitivity has caused the horn to go off for no reason. when this happens, if you touch the horn pad, can you make it stop blowing?

There is another possibility. there is a steering control module in the steering column for the horn. if it is bad, it can cause this but needs to be confirmed. you would need a scan tool to check the operation

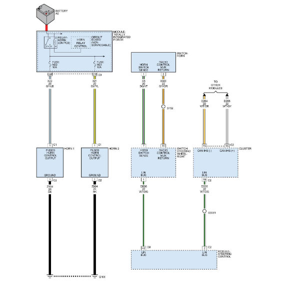
Description

This vehicle is equipped with a Steering Control Module (SCM) that is internal to the multi-function switch housing. The multi-function switch is located on the left side of the steering column, just below the steering wheel. This switch is the primary control for the front and rear wiper and washer systems, and also is the driver control for the turn signals and the headlamp beam selection. The only visible components of the switch are the control stalk (1), control knob and control sleeve that extend through the steering column shrouds on the left side of the column. The remainder of the switch, including its mounting provisions and electrical connections, is concealed beneath the shrouds.

The switch housing and controls are constructed of molded black plastic. A single latch feature and key features integral to the multi-function switch housing are used to secure the switch to the mounting bracket integral to the clock-spring (3). Each of the switches within the multi-function switch is internally connected to the SCM. A single connector receptacle integral to the back of the switch housing connects the SCM to the vehicle electrical system through a dedicated takeout and connector of the instrument panel wire harness. The SCM within the multi-function switch is a Local Interface Network (LIN) slave and communicates over a dedicated LIN bus circuit with the ElectroMechanical Instrument Cluster (EMIC) (also known as the Cab Compartment Node/CCN), which is the LIN master.

The SCM cannot be adjusted or repaired, and is not flash update capable. If ineffective or damaged the entire multi-function switch must be replaced. See: Combination Switch > Removal and Replacement > Multi-function Switch - Removal.

Another possibility is the TIPM or the fuse box under the hood. it controls the output of to the horns. this module is a common failure but also needs to be confirmed with a scan tool.

Roy
Dec 26, 2018 at 4:17 AM
Advertisement
Repair Safety Notice: This information is for general instructional purposes only. Vehicle repair can be dangerous. Verify all information, follow manufacturer service procedures, use proper tools and safety equipment, and consult a qualified repair shop when needed.