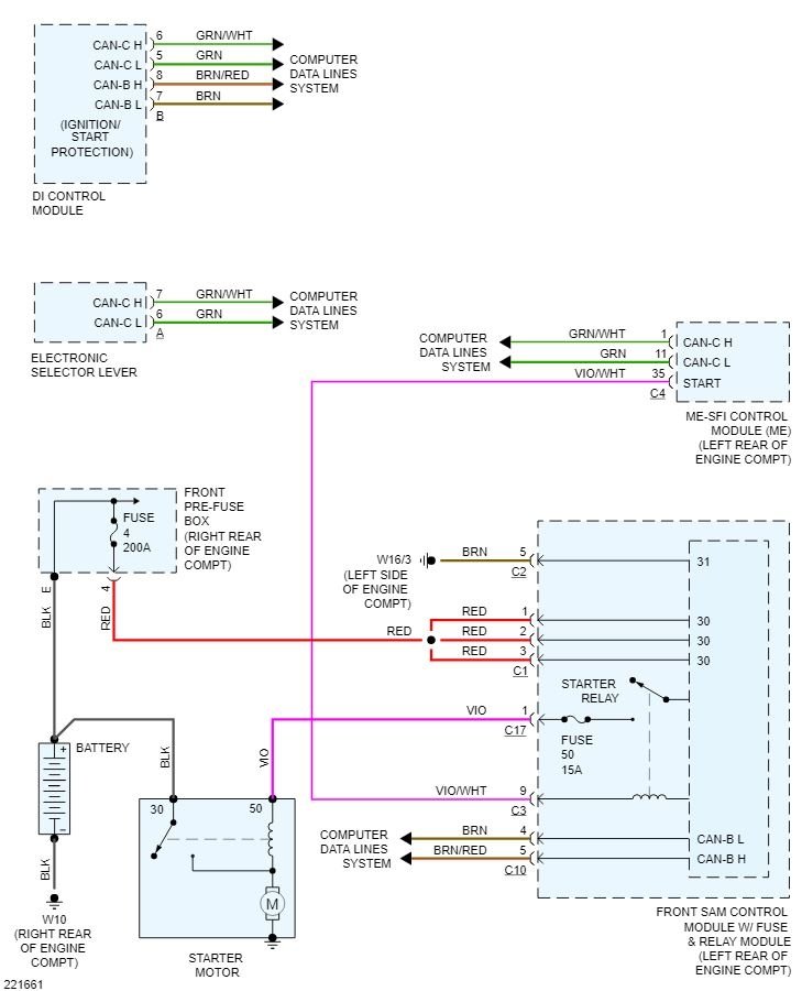
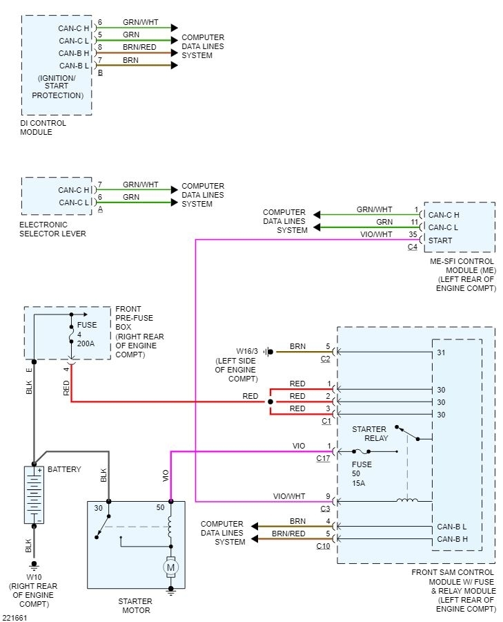
After one week of replacing the sunroof glass I noticed the car does not crank.I checked my car battery, the starter relay, the pump relay they are good. The dashboard lights are on but the car does not crank.
I was working on my car and I accidentally removed the negative terminal of the battery while the key nob was still in place.I replaced the negative terminal of the battery and removed the key.
But now the dash lights up, the radio is on, but I can't start the car. The battery is fully charged.
Please your advice will be highly appreciated. Thanks in advance.
Wednesday, July 10th, 2019 AT 10:26 AM








