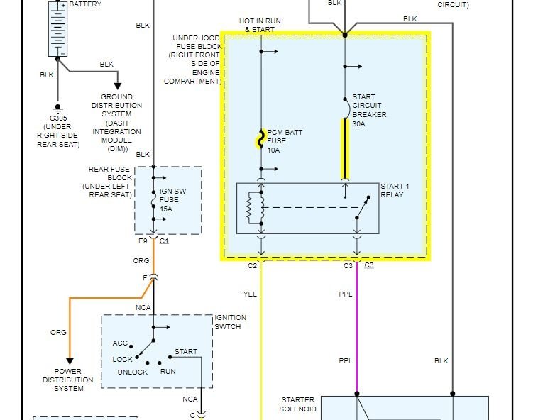
The battery is fine -- 12 v and checked out fine under load at AutoZone. Connections were clean and were cleaned anyhow. 12 v is seen at the fuse box under the rear seat and under the hood.
With the ignition switch off, the keyless entry works fine. There does not appear to be any change from normal operations when the key is turned to on, i.E, the radio works, wipers wipe, and driving lights turn on automatically (made in Canada).
What seems very strange is that when the key is turned to start the instrument panel dies as does the wipers (if I have them turned on), BUT THE HEADLIGHTS KEEP SHINING UNDIMINISHED. When the switch is released back to the on position, the instrument panel come back to life after a second. The voltage at the battery when the ignition switch is turned to start drops only to 11 v. Now why is that? And where is the problem?
Thank you in advance,
Al
Saturday, September 15th, 2007 AT 8:39 PM



