Last time I faced a non-start situation was September 14, 2021. Here is the link-- https://www.2carpros.com/questions/flashing-security-warning-on-dash-no-crank-no-click/r/991766741
This time, there is no security issue with the body control module, since the instrument panel indicator "Security" comes on briefly, and disappears again, and the ABS indicator flashes and disappears, as well.
The new problem appeared after I had driven at least ten miles around the city with no issues. I parked, turned off the ignition, locked the car doors, and went inside the house. I returned to the car about four hours later, put the key in the ignition, and turned the key-- no starter noise, but an instrument panel full of indicators.
(1) OIL, TEMP, BATT
(2) When I turn the ignition key ON, but not to start position, all the indicators light, but Security and ABS flash briefly but soon disappear.
(3) With key turned to start, foot on brake pedal, I hear no starter noise, with no change in indicator light intensity. Security and ABS indicators flash briefly, but soon disappear.
Already, I have checked the Minifuses and Maxifuses with a VOM, and all appear OK. I have not checked the relays, yet. Battery is OK, with driving lights full on.
Questions and Comments--
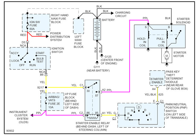
1. At first glance, this appears a starter relay issue, but I am rusty since the last time I traced the starter circuit 19 months ago. Going over my notes from 2021, my problem with checking the relay was concern about breaking the plastic relay housing, which is pushed over the relay connector until a clip clicks into place. In trying to release the relay cover. I have tried a straight-bladed screwdriver, without results-- is there a better technique?
2. Purchasing an OBD2 scanner seems a time-saver. Scanners will not provide every answer but can be useful on the road in determining what to do next. Do you have a list of features I should look for in selecting a scanner for the Buick 98? (Features like "live readout", on-device display or smartphone, Read/Erase data, etc.)
What brand and model seems to be what I need?
Thanks, Joe!
Wednesday, May 3rd, 2023 AT 2:40 AM




















