Flashing security warning on dash, no crank, no click

Tiny
ALPHAA10
  • MEMBER
  • 1998 BUICK LESABRE
  • 3.8L
  • V6
  • 2WD
  • AUTOMATIC
  • 243,000 MILES
Parked in front of a store during errands, I casually inserted the ignition key and tried to start. Nothing happened-- no click, no crank.
Sure that it was a starter problem on this aging sedan, I did all my research on starter and solenoid issues and repair methods. This morning, I was ready to start work on diagnostic tests.
However, as I tried a final check on symptoms, I found a security warning flashing at the upper right of the instrument panel. All the idiot lights also were on, but I had not registered the security warning until now.
According to what I have read, the first thing to do is to use a different ignition key, since the Hall Effect resistor on the original Buick key may have been damaged. However, that produced no results, and the security warning continued.
All other signs are normal-- strong headlights, a full battery charge (though no load test, yet), and the motor windows roll up and down.
Can you point me to an article 2CarPros has published on the security warning symptom?
Tuesday, September 14th, 2021 AT 3:30 AM

48 Replies

Tiny
DANNY L
  • MECHANIC
  • 5,648 POSTS
Hello, I'm Danny.

First thing I would suggest is to perform an anti-theft, security system reset. Here is the tutorial showing how to reset:

https://www.2carpros.com/articles/how-to-reset-a-security-system

Scroll the page to find the additional GM instructions.

I am also attaching all the info from the manual that includes some flow charts that are for the theft light staying on all the time or flashing.

So let's run through all this info and go from there.

Hope this helps and thanks for using 2CarPros.
Was this
answer
helpful?
Yes
No
+1
Tuesday, September 14th, 2021 AT 4:55 AM
Tiny
ALPHAA10
  • MEMBER
  • 232 POSTS
I have tried several of the OEM VATS system reset procedures in this article--
https://www.2carpros.com/articles/how-to-reset-a-security-system

1. Driver's door key reset-- tried this several times, using the side lock entry key to reenter after locking all doors and exiting car, waiting at least 15 minutes while more than 10 feet distant.
2. Activate key fob-- this involves pressing the panic button, and I wanted to disable the horn, first, to avoid antagonizing my neighbors. Searched and found the horn relay in the Maxifuse box, but having trouble opening the two black plastic thumb-style connectors, one on either side of the fuse box. Do these connectors slide open, or should I twist, then try to slide them open?
3. Turn ignition on-- inserted and turned ignition key, tried to start, and left key in on for about 10 minutes-- the flashing security warning did not stop flashing after even 20 minutes. After the first cycle, in which the flashing warning did not disappear, I repeated the sequence, allowed 20 minutes, and the warning continued without interruption.
4. Remove alarm fuse-- this is a simple procedure, but I am waiting for an answer to question 2, so I do not break the access connectors.
5. Disconnect battery-- Sears installed battery, but with a side terminal connector which appeared to have been rounded off, so there is no reliable way to turn the connector without using vise-grip pliers. The concern is not removal of the connector, but the purchase of a new connector, first. The whole procedure takes only a few minutes.
Was this
answer
helpful?
Yes
No
Thursday, September 23rd, 2021 AT 2:54 AM
Tiny
JACOBANDNICKOLAS
  • MECHANIC
  • 110,192 POSTS
Hi,

I noticed we haven't heard from you for a couple of days. Has any new progress been made? We are interested in knowing.

Also, the side mount battery terminal replacements are easy to find. Most parts stores will have them in stock.

I attached a pic below of what I believe you need.

Let me know.

Joe

See pic below.
Was this
answer
helpful?
Yes
No
+1
Saturday, September 25th, 2021 AT 11:06 PM
Tiny
ALPHAA10
  • MEMBER
  • 232 POSTS
Had you checked your email inbox? I sent my latest response September 23, according to the date line below my message text. Read that over, for my status as of last Thursday.
This past Saturday, September 25, I completed every technique 2CarPros suggested to bypass the GM security lockdown-- but the flashing "Security" warning continues.
Thanks for your suggestion for the part I need, but I already have purchased the battery terminal bolt (set of 2), and all on that concern has been taken care of.
If you refer to the original article I was given to read, to defeat the security lockdown, there are detailed procedures involving the valet key, the ignition key fob, the VATS fuse and disconnection of the negative battery terminal. In each case, I was careful to follow instructions carefully, but got no improvement in the situation.
During use of the ignition key technique, I attempted to start, and left the key in the ON position for 15 minutes. At no time did the security warning disappear.
During use of the valet key technique, I opened the car, rolled up all windows, made sure the trunk was secure, and relocked the car with the valet key. After waiting (with my key fob at least 20 feet away from the car for about 15 minutes, I opened the car with the valet key, but the security warning was still present.
Next, I withdrew the VATS alarm fuse (20a), and after about 15 seconds, reinserted it, but for no change the security warning.
Finally, I disconnected the negative battery terminal, installed the new battery terminal, but for no change in the security warning.
Today, I plan to try the resistor technique. Cutting into the VATS signal line (orange wire) running from the ignition to the general terminal connector assembly, The VATS signal line has two white wires, one from the below-dash terminal to the ignition, and the other from the ignition back to a second connector on the below-dash terminal. The idea is to make a short-circuit between the two below-dash attachment points, and solder into that short wire length a resistor rated at the Ohms of the pellet-based ignition key. In my case, my ignition key pellet displayed 1860 Ohms on my VOM, for which I plan to use a 2000 Ohm resistor.
Throughout, I have presumed my nightly charging of the battery would keep the battery at operating level, capable of a full l starting load. Each morning, when I have checked the battery maintainer, its LED glows green, to show a normal charge has been achieved and is being maintained. However, a charged battery is not necessarily capable of a full starting load. For that reason, I plan to take the battery today to a local auto parts store for a load test.
Summary
1. Install the appropriate resistor in the VATS ignition signal line.
2. Load test the existing 2-year old battery. (Walmart type 78S)
Was this
answer
helpful?
Yes
No
Sunday, September 26th, 2021 AT 1:41 AM
Tiny
JACOBANDNICKOLAS
  • MECHANIC
  • 110,192 POSTS
Hi,

If you emailed him, chances are that is why he didn't realize you responded. Your summary indicated VATS resistor and a load test. Are these two things still needing to be done?
Was this
answer
helpful?
Yes
No
Sunday, September 26th, 2021 AT 7:12 PM
Tiny
ALPHAA10
  • MEMBER
  • 232 POSTS
Response was sent as a reply to this original thread (above), dated September 23. My reference to "inbox" had to refer to this thread, because I do not have his email address.

In answer to the two questions, the battery load test was performed yesterday by Advance Auto, and the battery passed the test. A 2,000 Ohm VATS resistor will be installed ASAP, probably tomorrow.

Appreciate your follow up.
Was this
answer
helpful?
Yes
No
Tuesday, September 28th, 2021 AT 3:29 AM
Tiny
JACOBANDNICKOLAS
  • MECHANIC
  • 110,192 POSTS
Hi,

Thanks for the update. If you have a chance, let us know if the resister takes care of the problems. We are interested in knowing.

Take care,

Joe
Was this
answer
helpful?
Yes
No
+1
Tuesday, September 28th, 2021 AT 6:20 PM
Tiny
ALPHAA10
  • MEMBER
  • 232 POSTS
Hi,

As I prepared to cut the ignition security sensor (orange) cable this afternoon, I discovered there seems to be two orange wires under the dash. One orange wire runs from the below-cash connector assembly (located to the right of the below-dash fuse box, and directly below the steering column), and the other orange wire seems to emerge from behind the main wire mass/bundle, upward, toward the ignition switch. Now that I reconsider, this could be the same orange wire, seeming to run upward, then looping down into my view, before disappearing upward again, to connect with the ignition switch.
Until I take apart more of the under-dash panels, I cannot say, at this point.
I have included two photos for your comment.
Was this
answer
helpful?
Yes
No
Thursday, September 30th, 2021 AT 2:17 PM
Tiny
JACOBANDNICKOLAS
  • MECHANIC
  • 110,192 POSTS
Hi,

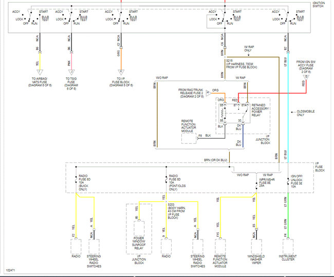
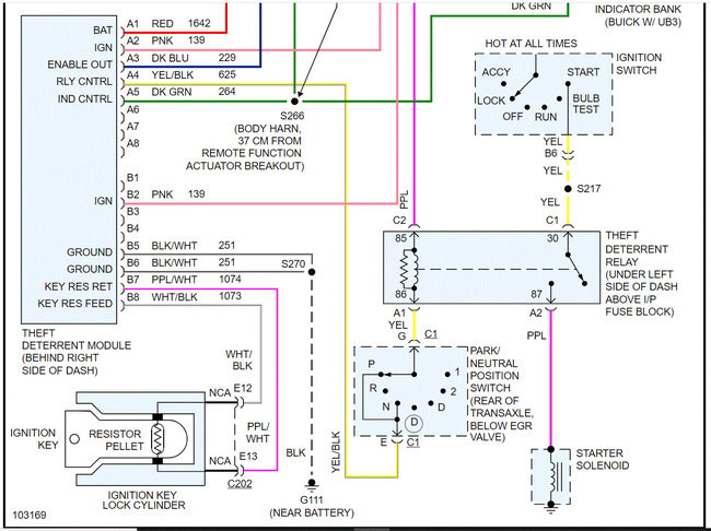
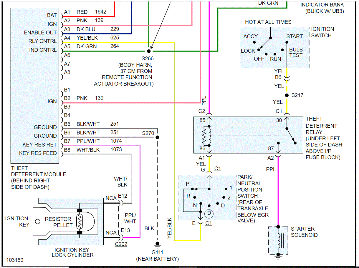
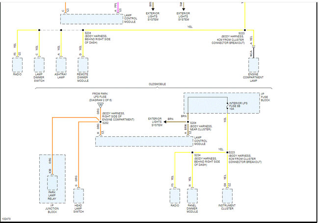
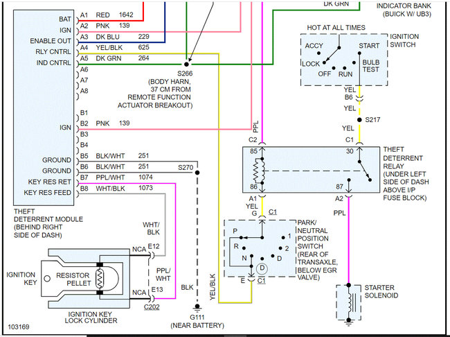
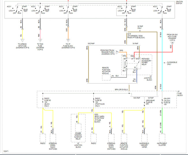
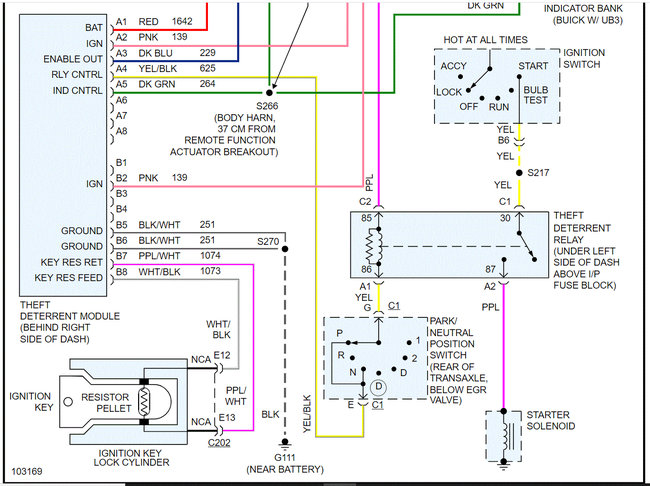
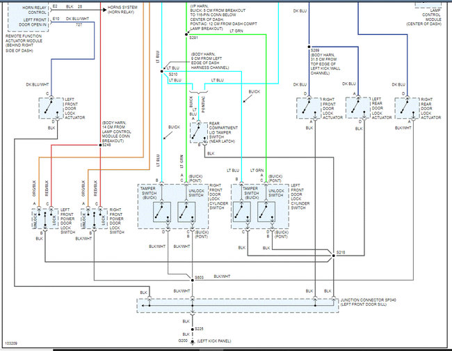
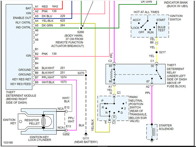
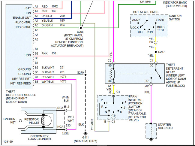
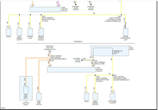
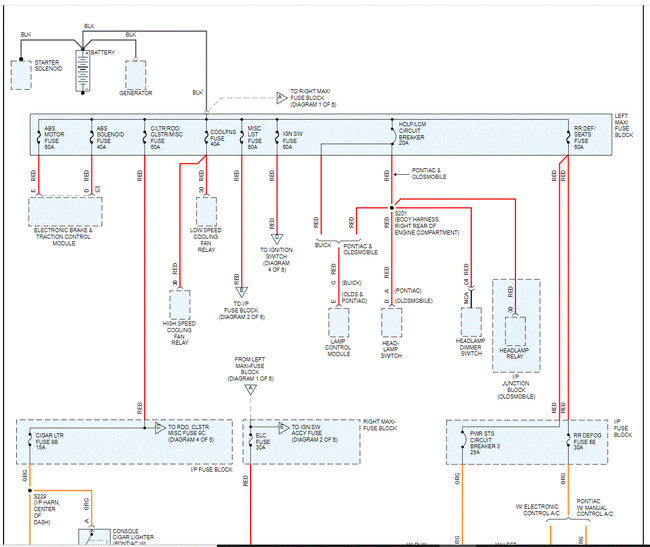
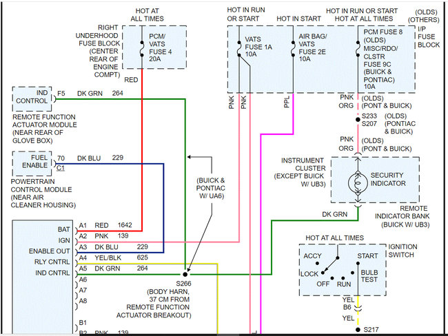
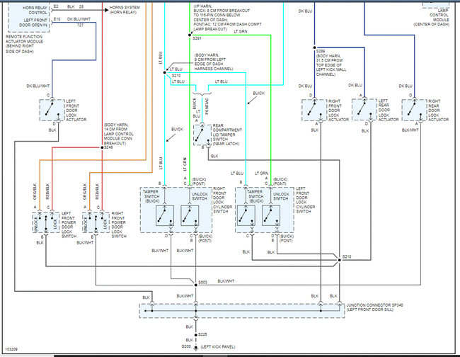
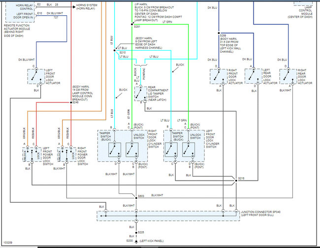
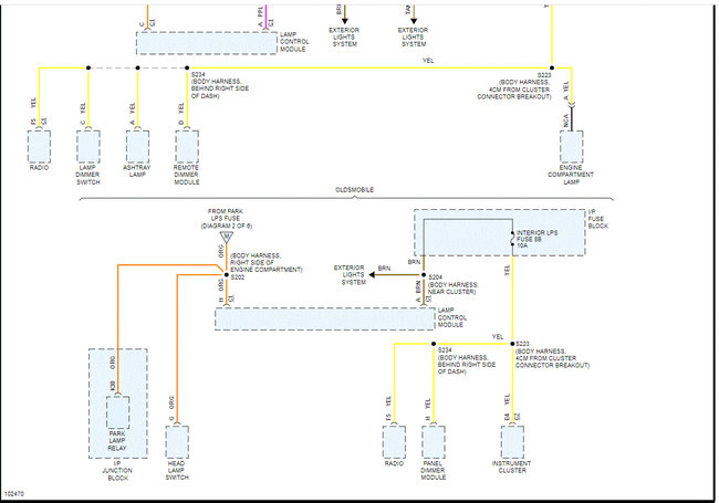
I attached the wiring schematics for both the pass key circuit and the forced entry circuits below.

Pic 1 and 2 are the forced entry circuit. I'm seeing one orange wire that supplies power to the remote actuator module. There are a few that are orange with a black tracer, but the pic appears to be solid orange.

Pics 3 and 4 are for the anti-theft pass key circuit. There are no orange wires.

Follow the orange wire and see if it goes to the right-side instrument panel fuse box.

Let me know.

Joe

See pic below: Note I had to cut each schematic in half to make them readable for you. I did overlap them so you can follow from one to the next.
Was this
answer
helpful?
Yes
No
+1
Thursday, September 30th, 2021 AT 6:41 PM
Tiny
ALPHAA10
  • MEMBER
  • 232 POSTS
Pics 3 and 4 for the anti-theft passkey circuit are the only diagrams that seem to apply to VATS and the ignition pellet key. Soon, I'll send photos of the actual wiring beneath the dash, in all their glorious colors (including orange) and all rendered in sharp focus.
Was this
answer
helpful?
Yes
No
Thursday, September 30th, 2021 AT 9:18 PM
Tiny
JACOBANDNICKOLAS
  • MECHANIC
  • 110,192 POSTS
Hi,

Sounds good. If there is a specific circuit you want me to look for, let me know.

Take care,

Joe
Was this
answer
helpful?
Yes
No
+1
Thursday, September 30th, 2021 AT 9:40 PM
Tiny
ALPHAA10
  • MEMBER
  • 232 POSTS
Here is a photo of the under-dash fuse panel, and a frontal view of under-dash wiring. I hope to select the correct orange wire which controls the VATS system from the ignition key. As you will see immediately, these photos are much better quality than the two (above) which were sent earlier.
In the photo of under-dash wiring, I have drawn arrows to the prospective orange wire to be cut. Regarding "To Be Identified" orange wires 3 and 4, they emerge from the same black tape-wrapped wire bundle (to the left of the airbag's yellow wire). Wire 4 has been traced to the under-dash courtesy light (with small red plastic connector), and Wire 3 runs from the wire bundle to the EBD socket. From the photo, alone, neither of those seems part of the VATS ignition wire circuit. Your wiring schematic 3/4 may have clues I missed.
Your own confirmation/advice will make the critical difference before I cut any orange wire. Of course, I could cut by trial-and-error, but rather would plan ahead, than regret, later, when possible.
In the photo of the interior fuse panel, I provide you a reference photo for other questions, later, if the orange wire trick does not work.
Was this
answer
helpful?
Yes
No
Friday, October 1st, 2021 AT 1:51 PM
Tiny
JACOBANDNICKOLAS
  • MECHANIC
  • 110,192 POSTS
Hi,

The vats schematic doesn't indicate any orange wires, which is confusing me. I tried looking through the power distribution schematics (6 pages long) and there must be a hundred orange wires, none of which are related.

In the pic, the left wire appears to be going to a fuse box. What fuse is it powering? Also, since I don't have a schematic specific to the ignition switch, the best thing to do is follow the wire to see if it goes to the switch. It's near the bottom of the steering column. See pic 1.

Not being there is making me nervous to indicate which to cut. I don't want to arbitrarily pick one and be wrong causing you more work. I hope you understand.

Let me know.

Joe
Was this
answer
helpful?
Yes
No
+1
Friday, October 1st, 2021 AT 8:22 PM
Tiny
ALPHAA10
  • MEMBER
  • 232 POSTS
Joe, thanks for the continued effort. As a (computer) tech support person, myself, I fully understand the task can be difficult. However, to be clear, I ask for only your advice, not to have you make the decision for me.

The immediate problem is to determine which orange wire leads to the ignition VATS module. What I plan to do is take apart the dash further and see whether I can trace physically the orange wire. Later, perhaps I can send a better photograph of the wiring paths.

Ideally, if I were able to go further into the steering column, I could do a continuity check between each of the orange wire(s) at the subdash connector panel and any orange wires going into the actual ignition switch area.

QUESTIONS--
Question 1-- Based on your reading of the ignition schematic, could the orange wire identified in my subdash wiring photo as wire 3, starting in the on-board diagnostics (EBD?) socket assembly, be involved in the VATS security system? If not likely, that leaves orange wires 1 and 2 as the only prospects, for now.

Question 2-- Is there any reason to leave the yellow airbag wire connected during my wire tracing movements? I don't want to strain the cable, and disconnection would prevent cable damage until I am ready to reconnect everything. However, you have more experience with the airbag circuitry than I, so I need to ask. Obviously, I don't want to trigger the airbag during my work (nor on re-connection of the airbag circuit connector).

Question 3-- Looking ahead, how can I release the starter relay retainer clips-- one each each side of the relay? I don't want to break the aging plastic retainer clips. Obviously, I cannot simply pull off the relay housing cube with a large-span pair of pliers (Channel Lock or Vise-Grip). Would you insert a flat-blade screwdriver beneath the clip? Is there a special puller for a plastic cube relay? Do you need a photo?

Question 4-- Fuse Panels
While the shifter was in PARK and ignition was on (all warning lights on), but the key released from its start engine position, I checked the interior subdash fuse panel fuses with a circuit/continuity checker. All of row 2 fuses (A through E) are off/out when I touch the two contacts on each fuse. (Since all row positions 2A-2E are labeled "spare", that presumably means they are not connected to any circuit). Fuse 2E, according to the Fuse Usage label on the fuse panel cover, is a red 10a spare for "AIRBAG/VATS". Of all active fuses in the panel, there is only a single fuse labeled "VATS" on row position 1A, and that fuse is on when I touch each of its two contacts with the circuit tester.

I have not yet checked the Maxifuse panel above the engine but have succeeded in opening the fuse panel cover without breaking the white, twist-open plastic connectors. My next step is to check all fuses in that panel, as well as its relays.
4a-- Should I switch the ignition key on during that fuse panel check?
4b-- What about the relays-- is there any way to check them without pulling the plastic cube from the panel for a physical continuity check?

Question 5-- when working to resolve a VATS lockdown, have you ever encountered a vehicle which did not work with any of the steps in the article 2CarPros offered here?
https://www.2carpros.com/articles/how-to-reset-a-security-system

Again, thanks for staying with this effort.
Was this
answer
helpful?
Yes
No
Saturday, October 2nd, 2021 AT 3:20 AM
Tiny
ALPHAA10
  • MEMBER
  • 232 POSTS
Still facing the flashing security warning, which indicates I have not defeated the security lockdown, and am still looking for the switch or condition responsible. Tomorrow, I take apart the dash further, so I can trace the under-dash wiring, and identify which of several orange wires is the ignition key resistance signal line.
As of this evening, I have tested all fusible links (both fuses and Maxifuses) with the ignition key on, and all are okay. Pending your answer to my question (above) about how to remove a relay which has retainer clips, I can remove and test all six of the under-hood relays with a circuit continuity checker. I realize, of course, a starting circuit relay does not seem directly related to a security lockdown condition, but it is one of the pre-diagnostic steps recommended by the OEM.
For your convenience, I have numbered the important issues and questions in the previous message. I encourage you to comment on each in as much detail as you like.

Today, I bought and downloaded a PDF of the GM service and repair manual for the Buick 1992-1998. After a brief look inside, I realize this may be the same resource you use. If this manual is also your own resource, you can refer me to a particular page (appreciate all the attachments you have provided with your messages and comments).
Was this
answer
helpful?
Yes
No
Saturday, October 2nd, 2021 AT 6:14 PM
Tiny
JACOBANDNICKOLAS
  • MECHANIC
  • 110,192 POSTS
Hi,

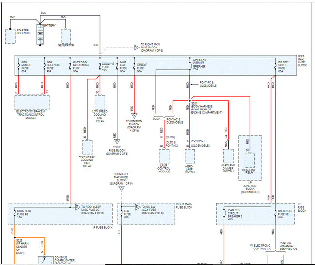
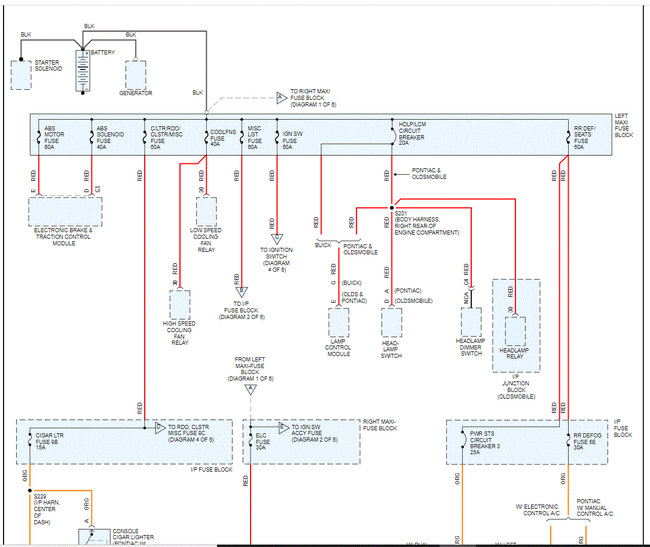
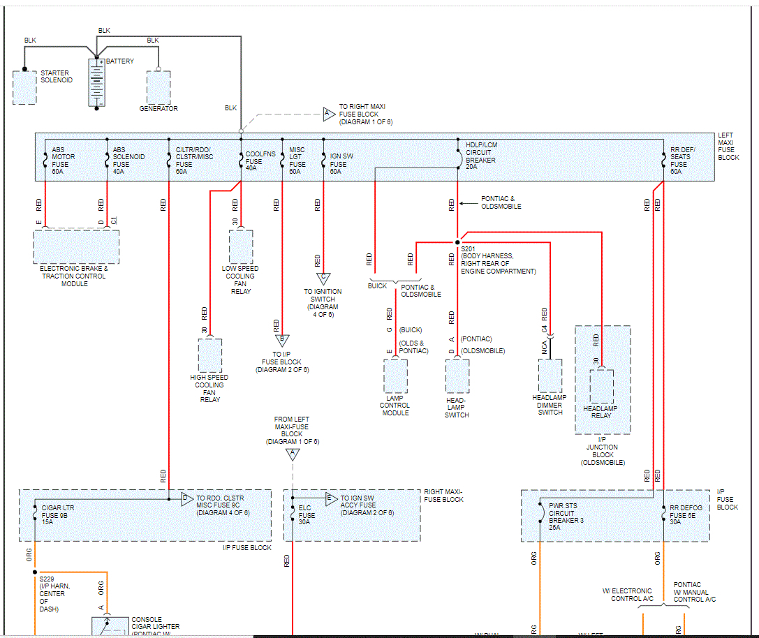
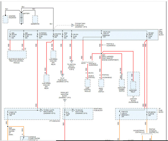
It sounds like we have our hands full. LOL I looked at the schematic again. There are three fuses related to VATS. See picture one below. Note, the pcm/vats fuse goes to the anti-theft control module. The interesting one is the airbag/vats fuse. I noted that it only gets power in the start position and in turn, it signals the theft deterrent relay under the dash.

Recheck those.

Now, with regards to your questions, see below.

Q1 -- I looked through the schematic again. At this point, I don't feel it could. I looked through the power distribution schematics and found one orange wire going to the DLC. See pics below. Note: I cut each of the six pages in half to make them readable. I did overlap them. If you look at pic seven below, I highlighted the DLC, wiring, and fuse. Unless that wire is spliced, I don't think that is the source. Take a look through the schematic (it's somewhat large) and note how many orange wires were used. LOL

Q2 -- As far as the airbag, you can disconnect it. However, it is very important to have the power disconnected both when disconnecting and reconnecting it. I always tell people to disconnect the battery for at least 30 minutes before working on it. You can remove the fuse as well. We just need to take the power away.

Q3 -- I think you are referring to the starter enable relay. Take a look at pics 13 and 14. Those are the directions. If it is something different, let me know.

Q4 -- Fuse 2E is the starter enable relay fuse. That should have power in the start position. See pic 15 below. Note: I crossed out "Oldsmobile" because I believe that is a reference to the instrument cluster since it follows it.

Q5 -- The answer to Q5 is yes. The reset provided is a general reset. It works with many vehicles but not all.

Let me know if any of this helps.

Take care,

Joe

I just realized I forgot to add pic 1. It is now the last on the page. Sorry.
Was this
answer
helpful?
Yes
No
+1
Saturday, October 2nd, 2021 AT 7:35 PM
Tiny
ALPHAA10
  • MEMBER
  • 232 POSTS
Thanks, Joe-- all your answers help. Below is my effort to understand your answers completely.

Q1-- Diagnostics port orange wire--
"DLC" means diagnostics port?
There are almost too many orange wires to count, which is the primary reason for going further into the dash wiring.

Q2-- Airbag cable and fuse 2E--
Since fuse 2E is labeled Airbag/VATS, can I do all sub dash and under-hood work with the airbag fuse removed, and with the yellow airbag cable disconnected?
That is, if fuse 2E controls VATS, as well, could that pose a problem?
> As I read your reply, so long as I am careful to disconnect both battery and fuse 30 minutes before removing the airbag cable (yellow) and the airbag fuse, I should be okay.

** On reconnection of battery and fuse 2E, I now understand I must connect the fuse and airbag (yellow) cable before reconnecting the battery. (Appreciate the warning about a surge and accidental airbag deployment)

> My urgent question about fuse 2E is whether this Airbag/VATS fuse 2E-- if bad and/or loose in its socket-- could trigger the Security warning and VATS lockdown. The red 10A fuse fits very poorly in its socket. I cannot feel a solid insertion when I press on the fuse top, so it may be going in crookedly. As your diagram #15 indicates, the fuse must be tested in ignition position start to be active. (Of all sub dash and under-hood fuses, this is the only active (non-spare) fuse on fuse row 2.)
> Since the ignition switch must be in start position to test fuse 2E, must I have somebody else to turn the ignition key while I probe the fuse? Without a remote starter cable, is there another way for me to switch the ignition key with one hand, and probe 2E with the tester? Incidentally, with the ignition key in "run" (but not start), I have no light on my continuity/circuit tester, which is expected.

Q3-- Starter enable relay--
Except for the starter enable relay, located under dash, relays are located in the under-hood fuse blocks (left and right). For your convenience, I have attached a photo of the row of under-hood relays, so you can see why I am puzzled by physical removal difficulty. I have not been able simply to pull the relay cube housing outward, despite wiggling it.
> Could a Security lockdown warning be triggered by a faulty starter relay? I realize the PCM is the source of all security actions but did wonder.

Q4-- "Starter enable relay fuse 2E"--
> I was not aware the starter enable relay had a fuse. Fuse 2E is labeled Airbag/VATS on the fuse cover inside label.
> On the relay, itself, I plan to test ASAP, although my attention has been focused on the VATS warning. As in Q3, above, I still need to determine how to remove the relay from its socket, it order to test the relay on all its contact points. Even if the relay clicks when power is applied, could it still be faulty?

Q5-- Security system reset failure--
Have you heard any comments about this PCM bypass device? --
https://duckduckgo.com/?q=rockies+ignition+bypass&atb=v293-3&ia=web

Since I doubt, I can afford this device ($297.00), I wonder what other bypass devices for the PCM are on the market. When I searched, I did not find any, which explains the high price of the device.

Was this
answer
helpful?
Yes
No
Sunday, October 3rd, 2021 AT 4:11 PM
Tiny
JACOBANDNICKOLAS
  • MECHANIC
  • 110,192 POSTS
Hi,

There are too many orange wires. They go in every direction. LOL

Yes, the DLC is the data link connector used for diagnostics.

Before we do anything else, I need you to go back to fuse 2E. You indicated it doesn't feel correct when inserting a fuse and there is no power evident. Inspect the terminals to make sure one hasn't pushed inward preventing it to attach to the fuse.

Also, before you reconnect the battery, the fuse and connector to the airbag should be installed/connected. You don't want it disconnected and receive a power surge after the battery has been connected.

Let me know about the fuse.

Take care,

Joe
Was this
answer
helpful?
Yes
No
+1
Sunday, October 3rd, 2021 AT 5:01 PM
Tiny
ALPHAA10
  • MEMBER
  • 232 POSTS
Your answer arrived just as I revised and sent to you my latest message, above, timed 4:11pm. Please look over the revised message, and I'll concentrate on the fuse 2E. If I find a 2E socket problem, can that fuse socket be repaired from beneath the dash? I may have to remove the entire fuse socket panel/block.
Summary--
1. Check fuse 2E
2. Send to you a photo of the under-hood relays, and a close-up of their plastic housing retainer clips.

Thanks, Joe.
Was this
answer
helpful?
Yes
No
Sunday, October 3rd, 2021 AT 5:14 PM
Tiny
ALPHAA10
  • MEMBER
  • 232 POSTS
Joe,

As promised--
1. Fuse 2E is okay on both contact points-- somehow, I was able to hold the probe with one hand and try to start the engine with the other hand.
2. Attached are photos of the left and right under-hood Maxi fuse and relay panels. And a photo of the starter relay plastic housing clip that resists being opened. On that, I need to know how you would pull out the relay-- use a special tool, or continue pulling and wiggling?
Was this
answer
helpful?
Yes
No
Sunday, October 3rd, 2021 AT 9:30 PM

Please login or register to post a reply.