Thursday, September 17th, 2020 AT 2:01 PM
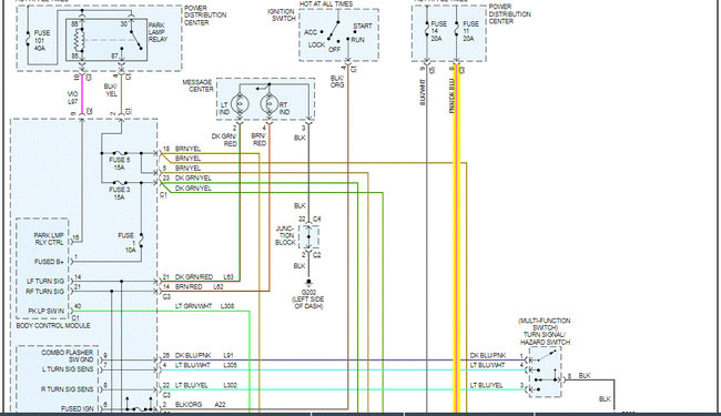
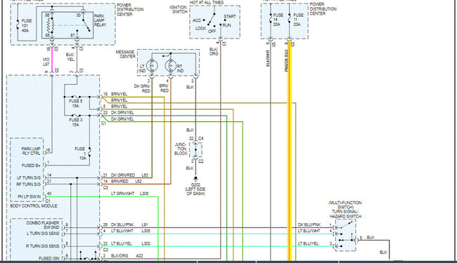
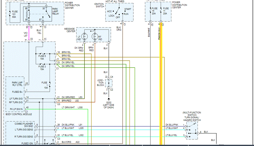
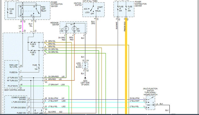
Replaced the bulbs, brake lights still won't come on. Taillights are fine so it is not a bulb issue. Checked brake light fuse it is fine so is my brake light switch. 3rd brake light is the only brake that lights up. Any suggestions on what to try next?




