Friday, November 19th, 2021 AT 3:09 PM
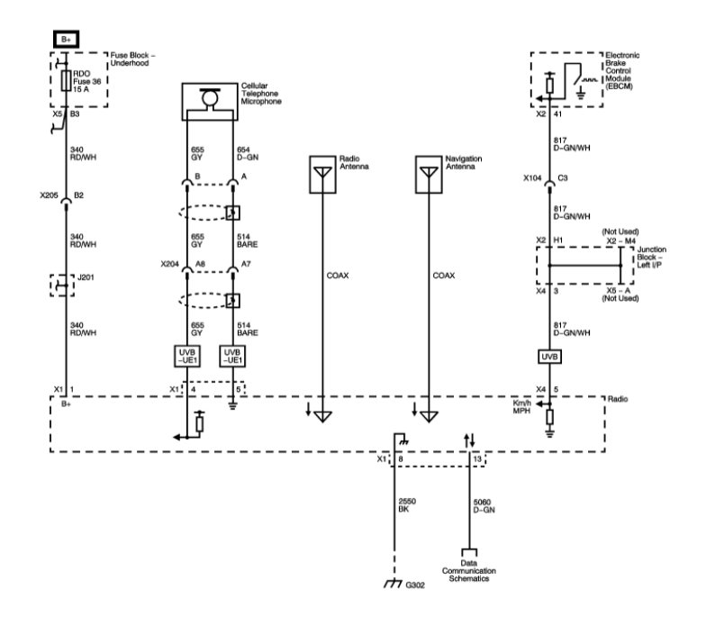
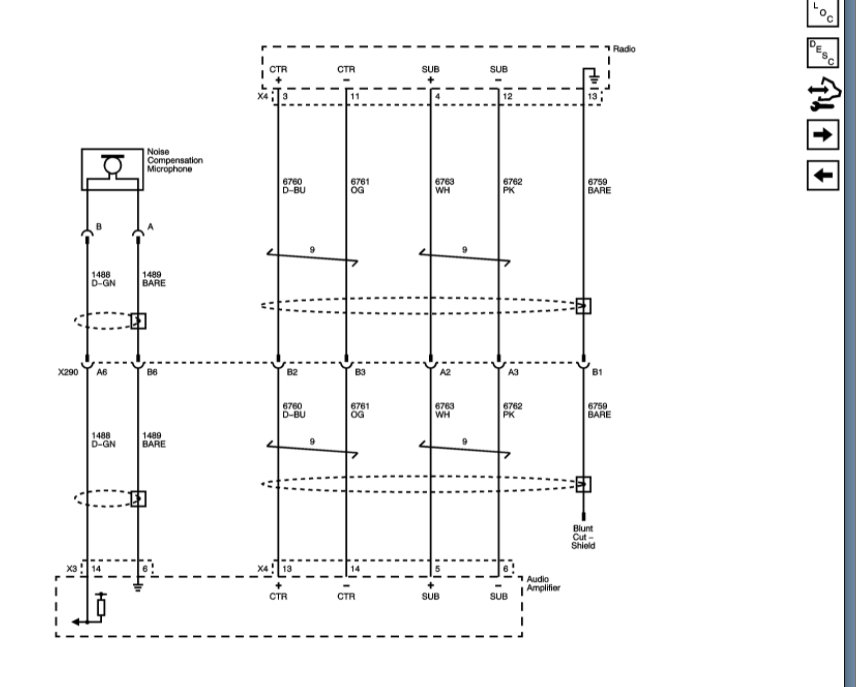
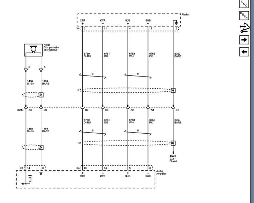
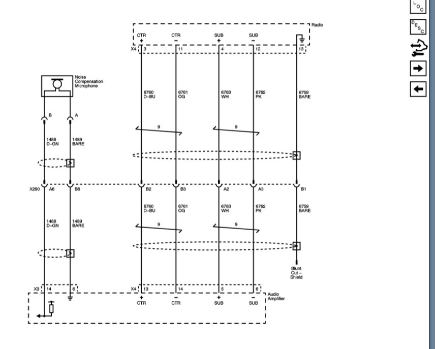
Hello, I have been having issues with my Bose radio system for many years. The OEM GM head unit has been replaced at least three times. I gave up and went to an aftermarket radio from Alpine. I used the PAC brand interfaces to retain OEM system functions like OnStar, Steering wheel controls and backup camera, etc. All was okay for a few weeks but then the no sound problem returned. The no sound problem can be re-created. I can cause the no sound issue in two methods: first method is by turning left and braking. If I cycle the engine on/off the sound will return. The second method to cause the no sound is to increase the volume to between 17 and 20 and there the sound will begin clipping. I suspect a failing Bose amp or a problem within the order into which the GM truck electrical bus and network lines fire up the radio and Bose amp. This is not a basic problem.














