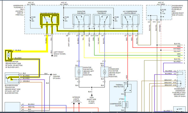
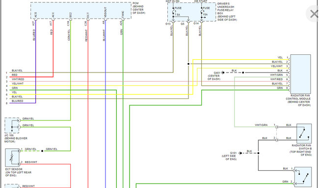
Friday, April 9th, 2021 AT 3:38 PM
Blown out 2 blower resistors. The main screen on the center console don't work. Pushing the auto and off buttons I get err E1, so where do I go? Blown 2 resistors. Replaced wiring from resistor to blower, only code is E1.






