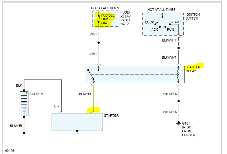
I've got the truck listed above that has been sitting for nearly two years. Today I went out to begin the process of making it road-ready again and drained the old oil completely, put in fresh oil, removed the valve cover, poured fresh oil in over everything up top, pulled the spark plugs, sprayed some PB blaster in each hole and then slowly turned the crankshaft by hand. Immediately coolant sprayed out.
After some inspection I discovered that it was coming from the 2nd cylinder spark plug hole. Everything in the cylinder head under the valve cover looks completely normal, including the old oil that was still in there AND the old oil that I drained out from the oil pan. The timing chain cover is metal, and the guide is metal backed.
Is it likely that the head gasket shrunk or gave way while the truck was sitting?
I've already had the head rebuilt and the block's cylinders bored when I was rebuilding the engine in 2017.
Full Disclosure: In 2021 I was having some welding work done on the exhaust while the engine was running and the up on the lift at the shop. The engine started to sputter, and the gauge showed it was near overheating, so we turned it off and sprayed down the radiator *immediately*. I'd been having problems with the truck's engine coming up to operating temperature, it wouldn't. I replaced the fan clutch and that helped, but it still seemed a bit too cool. So, I'd been trying to burp the cooling system for weeks attempting to get any air out, but it never seemed like that was the problem. I also replaced the T-Stat with a better, dual stage model.
The truck ran exactly the same after the incident at the muffler shop and didn't seem to be harmed so I'm hoping the head gasket just contracted while sitting over these past couple of years.
Thank you in advance for any help.
Thursday, June 22nd, 2023 AT 7:28 PM





