Fuel pump not working pulled over at store and wouldn’t start

Tiny
HYUNDAI_BLOWS
  • MEMBER
  • 2005 HYUNDAI SANTA FE
  • 2.7L
  • 6 CYL
  • 2WD
  • 120,000 MILES
Recently changed out the fuel pump and alternator to this car once done noticed that there was a 15 amp fuse blown, replaced it, it controls the PCM, ECM, TCM, and fuel pump. Vehicle started great and ran for about thirty miles pulled over at store and wouldn’t start. A girlfriend was driving it. Went to go get the car, installed a slightly larger fuse in place of the 15 started the car made it about a mile had to pull back over and then when I restarted it and back out the fuse blows again. Had it towed replaced the fuse started. Drove around still hasn’t popped a fuse, but I’m sure it will. I want to make it safe for my girlfriend. Anybody can let me know?
Thursday, March 14th, 2019 AT 4:55 AM

1 Reply

Tiny
SCGRANTURISMO
  • MECHANIC
  • 4,897 POSTS
Hello,

The reason your vehicle keeps blowing this fuse is that you have a short to ground somewhere in the circuit that this fuse protects. Also, you should never replace a blown fuse with one that has a higher amp rating. The original fuse was put in place to protect whatever the load is for that circuit. If you replace a 15A fuse with a 30A fuse you could be allowing excess current to reach the device the 15A fuse was protecting, frying it.
A short to ground works like this. The neat thing about automobile electrical circuits is that according to Ohm's law is one of the three electrical properties remains constant, than when one of the others rises the other must fall. What am I talking about. The constant in this equation is voltage, or the force of the electricity. Your car battery supplies a nice constant 12.6 volts. So if you have a bare wire that is grounding out on the car frame, and not allowing all available voltage to be dropped across the circuit's load, resistance, or anything that opposes the electrical flow, goes down, meaning that current (amps) must go up. The current, or flow, of the electricity will continue to rise until it surpasses the rating of the fuse on the circuit and, pop, blows the fuse.
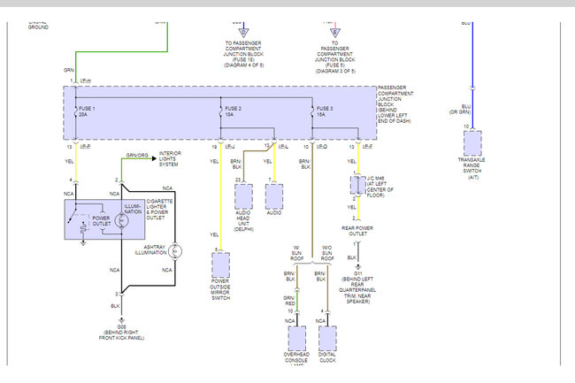
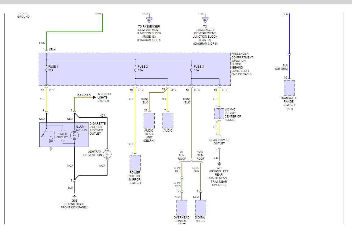
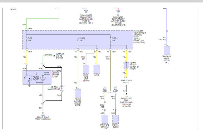
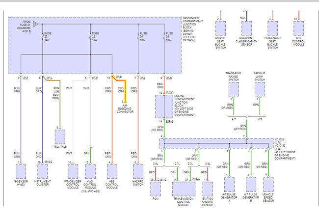
So, in the diagrams below I have given you the diagrams for the under hood fuse box and the Power Distribution Wiring Diagrams for your vehicle. Follow the circuit from the blown fuse and find the wire that is shorting to ground from the information below. Please get back to us with what you find out.

Thanks,
Alex
2CarPros
Was this
answer
helpful?
Yes
No
Saturday, May 8th, 2021 AT 10:12 AM

Please login or register to post a reply.