Blower motor keeps blowing fuses

Tiny
FLHOGI
  • MEMBER
  • 14 POSTS
The cooling tube came off motor. I'm starting to think the motor got burnt out. I have one coming Monday.
Was this
answer
helpful?
Yes
No
Saturday, December 7th, 2019 AT 11:45 AM
Tiny
ASEMASTER6371
  • MECHANIC
  • 52,796 POSTS
Okay, keep me updated.

Roy
Was this
answer
helpful?
Yes
No
Saturday, December 7th, 2019 AT 11:47 AM
Tiny
FLHOGI
  • MEMBER
  • 14 POSTS
Thanks. I'm done with it for today. It's beer thirty time, lol.
Was this
answer
helpful?
Yes
No
Saturday, December 7th, 2019 AT 11:48 AM
Tiny
ASEMASTER6371
  • MECHANIC
  • 52,796 POSTS
You are welcome.

Always glad to help.

Roy
Was this
answer
helpful?
Yes
No
Saturday, December 7th, 2019 AT 11:51 AM
Tiny
FLHOGI
  • MEMBER
  • 14 POSTS
Hey, giving an update that tan was the relay unplugged fan didn't blow at all. Put a new relay wasn't the problem installed a new blower motor all is good to go. Thank you.
Was this
answer
helpful?
Yes
No
Tuesday, December 10th, 2019 AT 11:47 AM
Tiny
ASEMASTER6371
  • MECHANIC
  • 52,796 POSTS
You are welcome.

Always glad to help.

Roy
Was this
answer
helpful?
Yes
No
Tuesday, December 10th, 2019 AT 12:21 PM
Tiny
SKYSTONER13
  • MEMBER
  • 2 POSTS
I am having the same issue! I have a 2002 Infiniti I35. I have changed the blower motor, blower motor resistor, blower motor relay and the blower motor fuses. Every time I turn mine on high A/C or heat I blow fuses. What would cause that?
Was this
answer
helpful?
Yes
No
Saturday, July 17th, 2021 AT 4:21 PM
Tiny
ASEMASTER6371
  • MECHANIC
  • 52,796 POSTS
Good morning,

Since you replace all those parts, you will need to do an amp draw test on the blower motor. It sounds like it is drawing too much current.

https://www.2carpros.com/articles/how-to-check-wiring

https://www.2carpros.com/articles/how-to-use-a-voltmeter

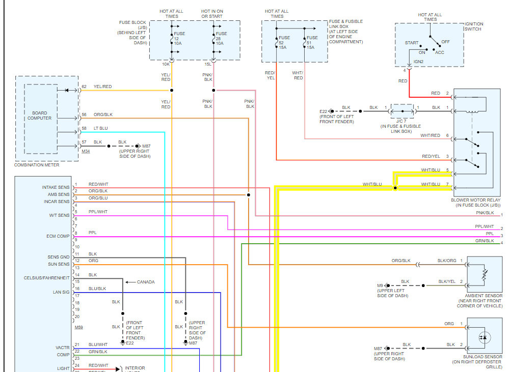
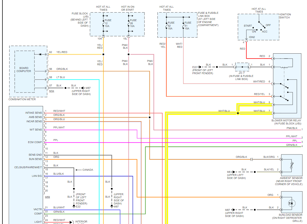
I attached the wiring diagrams of the system for you to view. You need a voltmeter with an amp clamp to test the draw. Your new blower motor may be the issue.

Roy
Was this
answer
helpful?
Yes
No
+1
Sunday, July 18th, 2021 AT 5:02 AM
Tiny
SKYSTONER13
  • MEMBER
  • 2 POSTS
Even the old blower motor is blowing the same fuses. I thought the same thing so I took the new output the old back in and tried again. I don’t have the tool to check wires so should I just assume that’s my issue and spend the $30.00 to replace the wire harness?
Was this
answer
helpful?
Yes
No
Sunday, July 18th, 2021 AT 10:07 AM
Tiny
ASEMASTER6371
  • MECHANIC
  • 52,796 POSTS
There is an amplifier in the circuit. That could be it but I doubt it.

The harness is a guess. I would borrow one from someone to confirm.

Roy
Was this
answer
helpful?
Yes
No
+1
Sunday, July 18th, 2021 AT 10:13 AM

Please login or register to post a reply.