Blend door actuators will not sync up?

2005 CHEVROLET SILVERADO
105,000 MILES • 6.0L • V8 • 4WD • AUTOMATIC
Avatar
CLINT HOPE
  • MEMBER
  • 2 POSTS
I had discovered that my 2 blend door actuators were stuck on cool/cold air. After taking the entire dash off, I replaced the upper temperature blend door actuator. It sits almost center of the dash in the middle of where heater core and cold air are. After I started the truck up it continued to blow cold air now. The actuator will move to the cold air position and stop there every time. It will not go back to the hot air position and open the hot door. I've tried a couple of different actuators and they all do the same thing, stuck on cold!
Mar 15, 2023 at 1:19 AM
Advertisement
Avatar
STRAILER
  • CAR REPAIR CONTRIBUTOR
  • 54,270 POSTS
Does this truck have dual climate HVAC system?

RE-CALIBRATING ACTUATORS

When replacing the HVAC control module, it will be necessary to allow the HVAC control module to perform a calibration process. When installing the HVAC control module be sure to perform the following:

IMPORTANT: Do not adjust any controls on the HVAC control module while the HVAC control module is self-calibrating. If interrupted, improper HVAC performance will result.

1. Place the ignition switch to the OFF position.
2. Disconnect the scan tool.
3. Install the HVAC control module.
4. Connect all previously disconnected components.
5. Start the vehicle.
6. Wait 40 seconds for the HVAC control module to self-calibrate.
7. Verify that no DTCs have set as current DTCs.

When replacing the HVAC actuator it will be necessary to allow the HVAC control module to perform a calibration process. When installing the HVAC actuator be sure to perform one of the following:

IMPORTANT: Do not adjust any controls on the HVAC control module while the HVAC control module is self-calibrating. If interrupted, improper HVAC performance will result.

Preferred Method (w/ Scan Tool)
1. Clear all DTCs.
2. Place the ignition switch in the OFF position.
3. Install the HVAC actuator.
4. Connect all previously disconnected components.
5. Start the vehicle.
6. With the scan tool, initiate the Motor Re-calibration feature of the Heating and Air Conditioning Special Functions menu.
7. Verify that no DTCs have set as current DTCs.

IMPORTANT: Do not adjust any controls on the HVAC control module while the HVAC control module is self-calibrating. If interrupted, improper HVAC performance will result.

Alternate Method (w/o Scan Tool)
1. Clear all DTCs.
2. Place the ignition switch to the OFF position.
3. Install the HVAC actuator.
4. Connect all previously disconnected components.
5. Remove the HVAC/ECAS fuse for a minimum of 10 seconds.
6. Install the HVAC/ECAS fuse.
7. Start the vehicle.
8. Wait 40 seconds for the HVAC control module to self-calibrate.
9. Verify that no DTCs have set as current DTCs.

Please let me know what happens
Mar 15, 2023 at 2:57 PM
Advertisement
Avatar
CLINT HOPE
  • MEMBER
  • 2 POSTS
I have tried the re-set option of pulling the fuse method... probably a good 20 times. I have not tried the scan tool method. mostly because I was trying to avoid taking it to the dealer. But at this point I think it's my only option. I have tried 3 different climate control modules and they have all been the same model #. I have tried at least 7-8 actuators. Making sure that each one was the correct OEM part #. And also made sure that the correct actuator was in the correct spot. Of the 4 actuators, I believe only the Inlet/recirculation actuator is a different part # than the other 3. The other 3 are all interchangeable. I have bench tested the actuators and calibrated them to where the line is directly in the middle of its throw/cycle. Granted I have used entirely actuators that I have pulled from the salvage yard, along w/ the climate controllers. But none of them seemed to work. At least from bench testing them with a 9v battery. And yes... it is the dual climate with auto. The digital display one.
Mar 16, 2023 at 4:43 AM
Avatar
STRAILER
  • CAR REPAIR CONTRIBUTOR
  • 54,270 POSTS
When the actuators were off of the HVAC plenum did you make sure the inner door pivots moved from one closed position to the other? This guide can help you see what I am talking about:

https://www.2carpros.com/articles/replace-blend-door-motor

I would try to unplug the ambient air temperature sensor to see if that changes anything. Also, we could do a CAN scan to see if anything comes up. You can get a CAN scanner (Controller Area Network) from Amazon here is a video to show you how.

https://youtu.be/u-4syLc-ifQ

and

https://www.2carpros.com/articles/can-scan-controller-area-network-easy

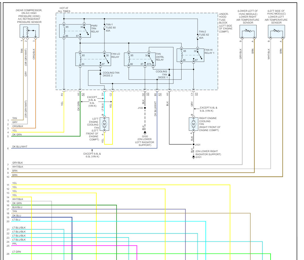
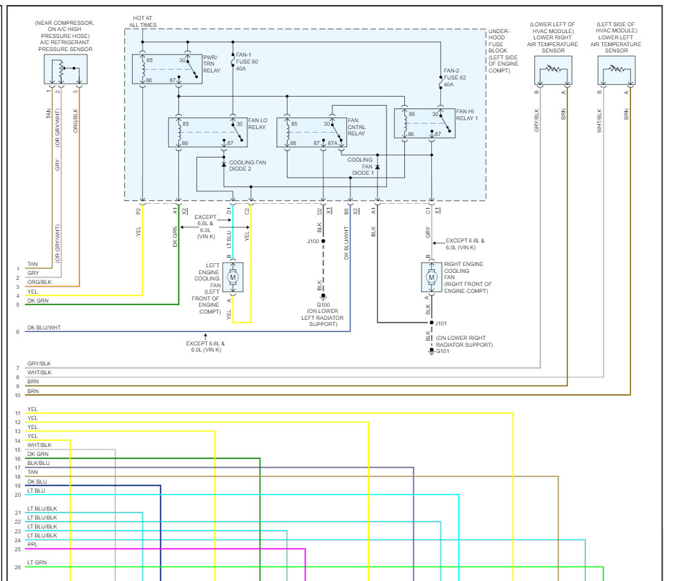
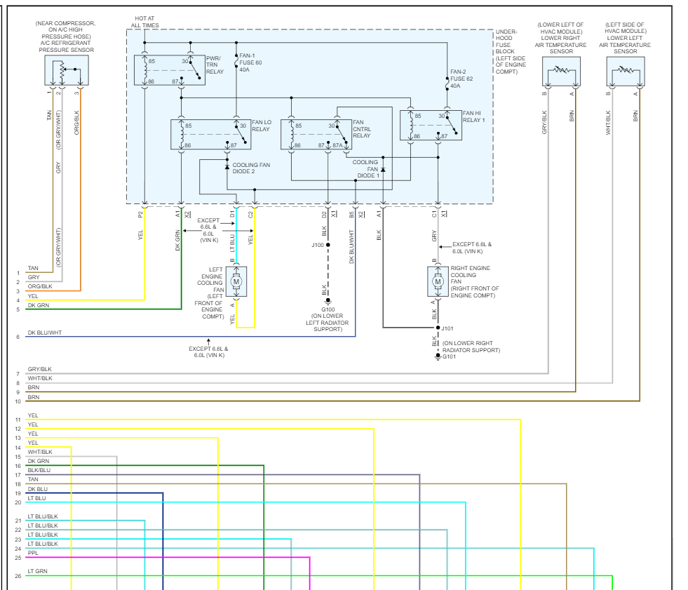
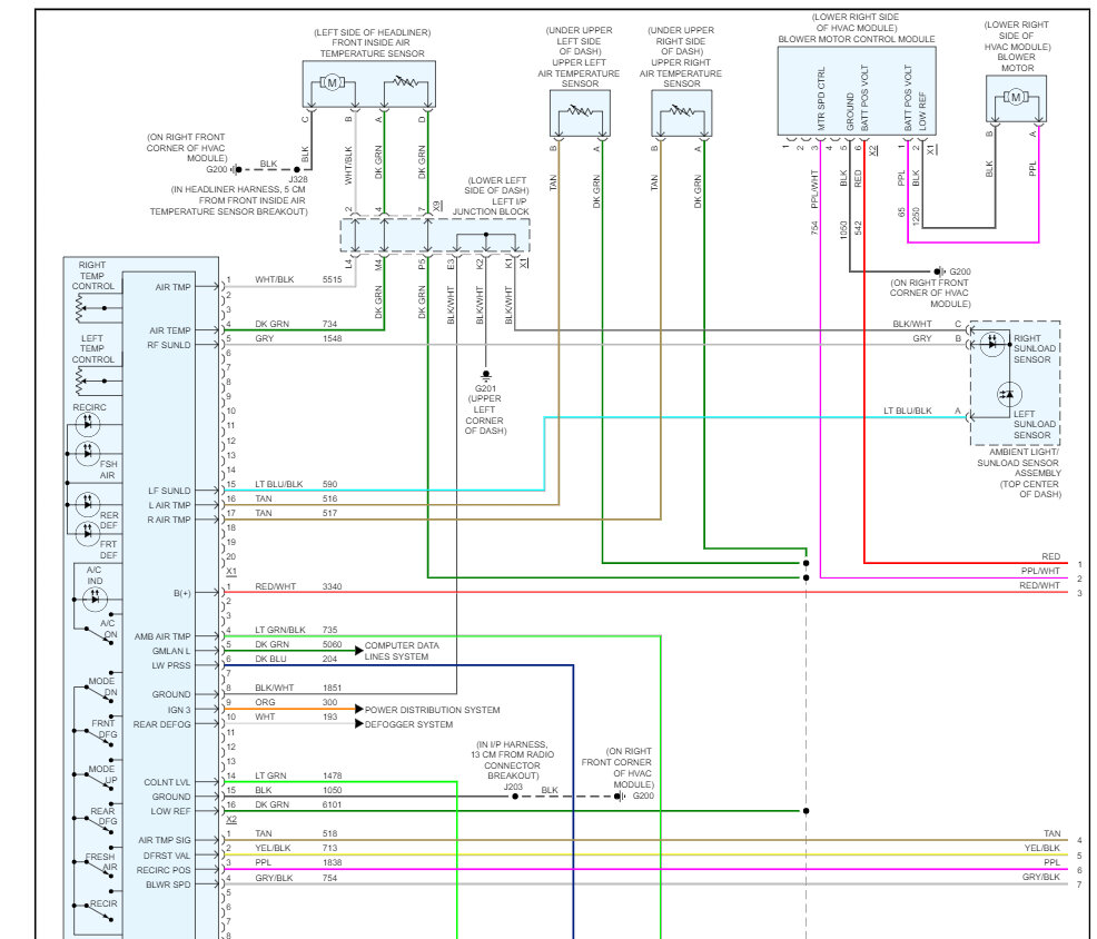
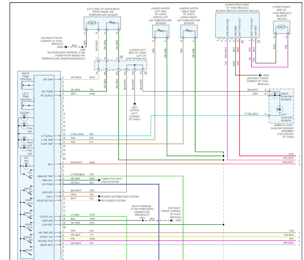
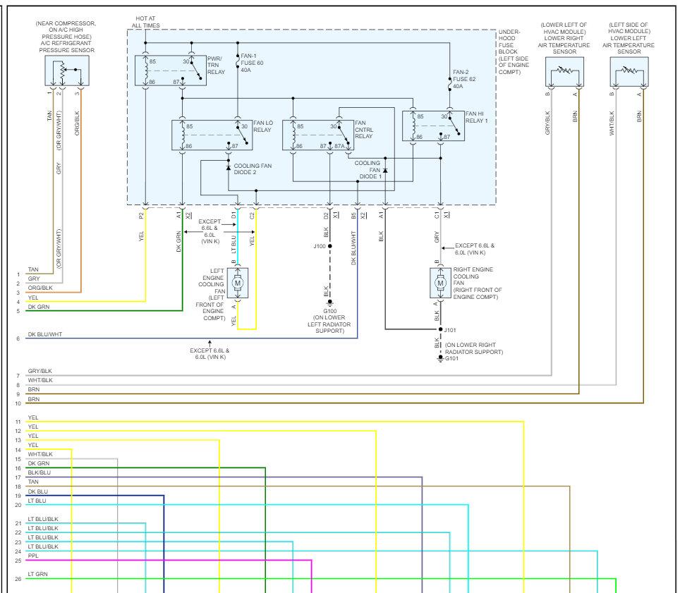
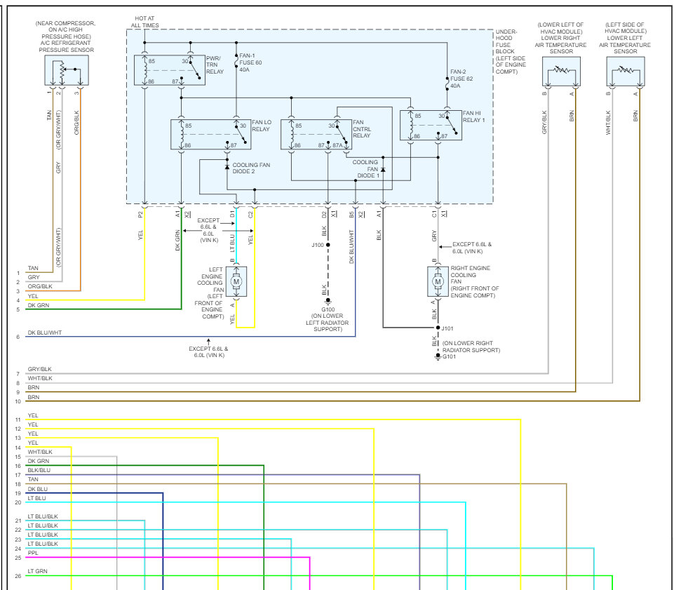
Here is the location of the ambient air temperature sensor in the front of the truck so you can check it out. Also, I have included the HVAC wiring diagrams so you check the grounds and connections.

https://www.2carpros.com/articles/how-to-check-wiring

Check out the images (below). Please let us know what happens.
Mar 16, 2023 at 11:14 AM
Repair Safety Notice: This information is for general instructional purposes only. Vehicle repair can be dangerous. Verify all information, follow manufacturer service procedures, use proper tools and safety equipment, and consult a qualified repair shop when needed.