Blend door actuator

Tiny
JAIME WINSKIE DYAL
  • MEMBER
  • 2005 HONDA ACCORD
  • V6
  • 2WD
  • AUTOMATIC
  • 217,000 MILES
I have dual A/C. Driver side was blowing heat with temperature all the way down. And passenger side would only blow cold. I ordered both right and left side blend door actuators thinking maybe they had both gone out. I even heard the clicking sound on the passenger side. I found and replaced the one that’s part number said driver side but it fixed the passenger side problem. Can you tell me where the other blend door actuator is located? I only see motors. Including a picture of the one left to replace.
Friday, October 11th, 2019 AT 5:45 PM

30 Replies

Tiny
SCGRANTURISMO
  • MECHANIC
  • 4,897 POSTS
Hello,

I have included the information that you have requested in the diagrams down below. Please go through the guide from the vehicle manufacturer and report back with how everything turns out, please.

Thanks,
Alex
2CarPros
Was this
answer
helpful?
Yes
No
+3
Friday, October 11th, 2019 AT 6:08 PM
Tiny
JAIME WINSKIE DYAL
  • MEMBER
  • 2 POSTS
I see the diagrams but are there two blend door actuators? I can only find one. And I ordered the two available. One for the drivers and one for the passenger.
Was this
answer
helpful?
Yes
No
+1
Friday, October 11th, 2019 AT 6:28 PM
Tiny
SCGRANTURISMO
  • MECHANIC
  • 4,897 POSTS
Hello,

I don't see a actuator for driver or passenger side. I did include the two diagrams, one for a coupe [2 door] and one for a sedan [4 door]. His is the only configurations that were available for the year, make, and model of your vehicle.

Thanks,
Alex
2CarPros
Was this
answer
helpful?
Yes
No
Saturday, October 12th, 2019 AT 1:17 AM
Tiny
JASON LONG
  • MEMBER
  • 2 POSTS
  • 2005 HONDA ACCORD
  • 126,000 MILES
I have the car listed above EX V-6 with dual zone heat and AC. The vents blow only to the defroster. I have checked, and the mode door actuator does not move.

So, here are my questions:

1. Where is the fuse located for this? Going by the diagrams, nothing is listed for this. Online, I have seen that it is fuse #8, however that is the power windows.

2. Where can I get the motor, if needed? Looking online and all I can find is the blend door actuator. This is not what I need. I specifically need the mode control actuator located behind the glove compartment.
Was this
answer
helpful?
Yes
No
Tuesday, December 1st, 2020 AT 12:52 PM (Merged)
Tiny
STEVE W.
  • MECHANIC
  • 15,697 POSTS
Welcome to 2CarPros.

If the other controls work and only the mode control is not the issue is not the fuse as it provides all of the power to the HVAC controls as well as the AC relay. It is fuse 30 in the under dash box.
For the motor, that is likely a dealer only item, unless you can find a used one.

For the mode motor
Honda shows part number 79140-SDN-A01 for the 2 door unit and 79140-SDA-A01 for the 4 door.
Hondapartsnow. Com

Here are the tests for that motor for both the 2 and 4 door version.
To do these tests it would be easier to remove the mode motor first. Or leave it installed and if the motor moves you could move it using a couple of jumper wires to the power terminals as needed until you found a new motor.

Mode Control Motor Test

4-door
1. Disconnect the 7Pin connector from the mode control motor.
NOTE: Incorrectly applying power and ground to the mode control motor will damage it.
Follow the instructions carefully.
2. Connect battery power to the No.2 terminal of the mode control motor, and ground the No.1 terminal; the mode control motor should run smoothly, and stop at Vent. If it doesn't, reverse the connections; the mode control motor should run smoothly, and stop at Defrost. When the mode control motor stops running, disconnect battery power immediately.
3. If the mode control motor did not run in step 2, remove it, then check the mode control linkage and doors for smooth movement.

- If the linkage and doors move smoothly, replace the mode control motor.
- If the linkage or doors stick or bind, repair them as needed.
- If the mode control motor runs smoothly, go to step 4.

4. Use a digital multimeter with an output of 1 mA or less at the 20 kOhm range. With the mode control motor running as in step 2, check for continuity between the No.3, 4, 5 and 6 terminals and the No.7 terminal individually. There should be continuity for a moment at each terminal as the motor moves past the switch's terminal.
5. If there is no continuity for a moment at each terminal, replace the mode control motor.

2-door

1. Disconnect the 10P connector from the mode control motor.
NOTE: Incorrectly applying power and ground to the mode control motor will damage it.
Follow the instructions carefully.
2. Connect battery power to the No.2 terminal of the mode control motor, and ground the No.1 terminal; the mode control motor should run smoothly, and stop at Vent. If it doesn't, reverse the connections; the mode control motor should run smoothly, and stop at Defrost. When the mode control motor stops running, disconnect battery power immediately.
3. If the mode control motor did not run in step 2, remove it, then check the mode control linkage and doors for smooth movement.

- If the linkage and doors move smoothly, replace the mode control motor.
- If the linkage or doors stick or bind, repair them as needed.
- If the mode control motor runs smoothly, go to step 4.

4. Use a digital multi-meter with an output of 1 mA or less at the 20 kOhm range. With the mode control motor running as in step 2, check for continuity between the No.6, 7, 8 and 9 terminals and the No.10 terminal individually. There should be continuity for a moment at each terminal as the motor moves past the switch's terminal.
5. If there is no continuity for a moment at each terminal, replace the mode control motor.
Was this
answer
helpful?
Yes
No
+1
Tuesday, December 1st, 2020 AT 12:52 PM (Merged)
Tiny
JASON LONG
  • MEMBER
  • 2 POSTS
Thanks. That is exactly what I was looking for.

I had a feeling the mode control was on the same fuse as another function, but could not find that information.
Was this
answer
helpful?
Yes
No
Tuesday, December 1st, 2020 AT 12:53 PM (Merged)
Tiny
STEVE W.
  • MECHANIC
  • 15,697 POSTS
You are welcome. So far they have not quite got everything on its own fuse, but give them time, At the rate some companies are going they will.
Was this
answer
helpful?
Yes
No
Tuesday, December 1st, 2020 AT 12:53 PM (Merged)
Tiny
WAYNE BLUE
  • MEMBER
  • 15 POSTS
  • 2005 HONDA ACCORD
  • 3.0L
  • V6
  • AUTOMATIC
  • 166,000 MILES
There are various doors in my system to direct air to appropriate places as you change the settings on your dash. The heater is no longer sending to my top and bottom vents. It appears my Heater Blend Door Actuator (Flap Actuator) has malfunctioned (it only sends to my front vents). Can you help me with a diagram showing how to replace it? I understand it is underneath the driver’s side.

Thank you so much!
Was this
answer
helpful?
Yes
No
Tuesday, December 1st, 2020 AT 12:53 PM (Merged)
Tiny
ASEMASTER6371
  • MECHANIC
  • 52,796 POSTS
Good morning.

It is behind the glove box. Instruction below.

Roy

4-door

1. Open the glove box. Remove the damper from the glove box, then release the glove box stops and let the glove box hang down.

ImageZoom/Print

2. Remove the relays from the bracket.

ImageZoom/Print

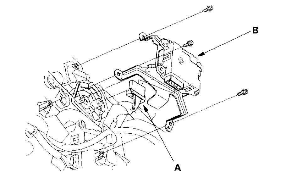
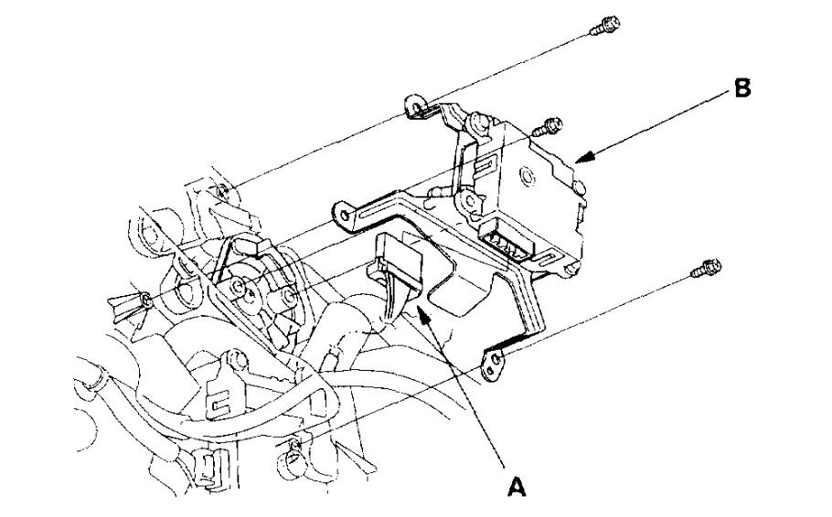
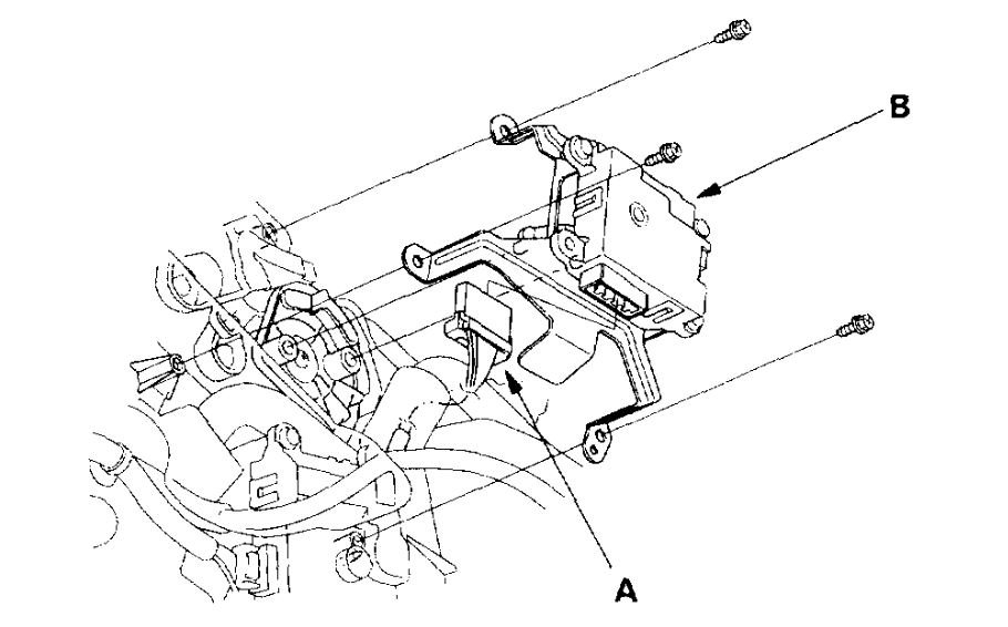
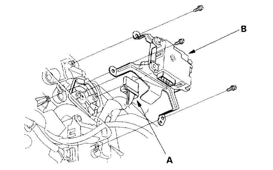
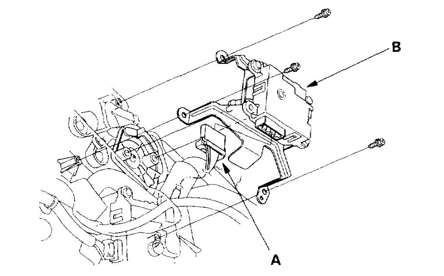
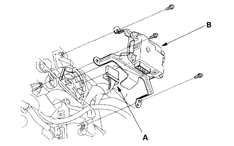
3. Disconnect the 7P connector (A) from the mode control motor (B). Remove the self-tapping screws and the mode control motor from the heater unit.
4. Install the motor in the reverse order of removal. After installation, make sure the motor runs smoothly.

2-door

1. Open the glove box. Remove the damper from the glove box, then release the glove box stops and let the glove box hang down.

ImageZoom/Print

2. Remove the relays from the bracket.

ImageZoom/Print

3. Disconnect the lop connector (A) from the mode control motor (B). Remove the self-tapping screws and the mode control motor from the heater unit.
4. Install the motor in the reverse order of removal. After installation, make sure the motor runs smoothly.
Was this
answer
helpful?
Yes
No
Tuesday, December 1st, 2020 AT 12:53 PM (Merged)
Tiny
WAYNE BLUE
  • MEMBER
  • 15 POSTS
I am sorry sir, but I have been informed that it is the left main, which is on the driver's side, underneath. Now I am confused.
Was this
answer
helpful?
Yes
No
Tuesday, December 1st, 2020 AT 12:53 PM (Merged)
Tiny
ASEMASTER6371
  • MECHANIC
  • 52,796 POSTS
You need a mode door actuator, not a blend door.

The blend door controls heat and cold.

The mode door controls the area the air comes from, such as floor, vent or defrost.

Is this what you mean?

Roy
Was this
answer
helpful?
Yes
No
+2
Tuesday, December 1st, 2020 AT 12:53 PM (Merged)
Tiny
WAYNE BLUE
  • MEMBER
  • 15 POSTS
Yes sir, that is what I mean. When I turned on my heater, it only comes out the front vents and not the top or bottom vents, like it used to.
Was this
answer
helpful?
Yes
No
Tuesday, December 1st, 2020 AT 12:53 PM (Merged)
Tiny
ASEMASTER6371
  • MECHANIC
  • 52,796 POSTS
Okay, that is the mode door. That is the information I sent you. All that was for the mode door actuator.

Roy
Was this
answer
helpful?
Yes
No
Tuesday, December 1st, 2020 AT 12:53 PM (Merged)
Tiny
WAYNE BLUE
  • MEMBER
  • 15 POSTS
Thank you so much.
Was this
answer
helpful?
Yes
No
Tuesday, December 1st, 2020 AT 12:53 PM (Merged)
Tiny
ASEMASTER6371
  • MECHANIC
  • 52,796 POSTS
You are very welcome. Glad to help.

Roy
Was this
answer
helpful?
Yes
No
Tuesday, December 1st, 2020 AT 12:53 PM (Merged)
Tiny
WAYNE BLUE
  • MEMBER
  • 15 POSTS
You have been awesome and I thank you so much. But, an elementary question for you,
"Remove the damper from the glove box". What the heck is that?
Was this
answer
helpful?
Yes
No
Tuesday, December 1st, 2020 AT 12:53 PM (Merged)
Tiny
WAYNE BLUE
  • MEMBER
  • 15 POSTS
Never mind, lol, lol. I got it figured our now. Thanks.
Was this
answer
helpful?
Yes
No
Tuesday, December 1st, 2020 AT 12:53 PM (Merged)
Tiny
ASEMASTER6371
  • MECHANIC
  • 52,796 POSTS
You are welcome.

Roy
Was this
answer
helpful?
Yes
No
Tuesday, December 1st, 2020 AT 12:53 PM (Merged)
Tiny
WAYNE BLUE
  • MEMBER
  • 15 POSTS
Mr. Roy,

There are three actuators on my 2005 Honda Accord EX V6. One under the driver's side and two in the glove compartment. Now I know I am not concern with the one under the driver's. However, I have attached a picture of the two in my glove box. There is one right next to the cabin air filter and one away from the cabin air filter. I am thinking that the one furthest away, is the Mode Air Door Actuator. (Also, what are both of those actuators called?)
Was this
answer
helpful?
Yes
No
Tuesday, December 1st, 2020 AT 12:53 PM (Merged)
Tiny
ASEMASTER6371
  • MECHANIC
  • 52,796 POSTS
Is there one at the end of the case, that is, more to the left like in the picture?

Roy
Was this
answer
helpful?
Yes
No
Tuesday, December 1st, 2020 AT 12:53 PM (Merged)

Please login or register to post a reply.