Battery voltage drop and car not starting

Tiny
RICKYBRADFORD
  • MEMBER
  • 2015 CHEVROLET MALIBU
  • 2.5L
  • 4 CYL
  • 2WD
  • AUTOMATIC
  • 100,000 MILES
My car won't start but I have lights and I perform the take negative contact off the car stayed on butmy portable jump starter won't even start the car
Saturday, January 29th, 2022 AT 7:46 PM

4 Replies

Tiny
SQM
  • MECHANIC
  • 6,383 POSTS
Hello,

Please note that the battery can have enough power to turn on the lights but not enough to start the engine.
So, when you try to start it, what does it do?
Does it make a clicking noise?
Does it crank over?

I know you tried to start it with the portable jump starter, but have you tried to jump it from another vehicle (just in case the jump box was not strong enough)?

https://www.2carpros.com/articles/how-to-check-an-electrical-relay-and-wiring-control-circuit

Let me know a little more of what you have been experiencing.
Thank you.
Was this
answer
helpful?
Yes
No
Saturday, January 29th, 2022 AT 9:13 PM
Tiny
JACOBANDNICKOLAS
  • MECHANIC
  • 110,194 POSTS
Hi,

When you turn the key to the start position, what happens? Is there any sound from the starter? Is there a click or does nothing happen?

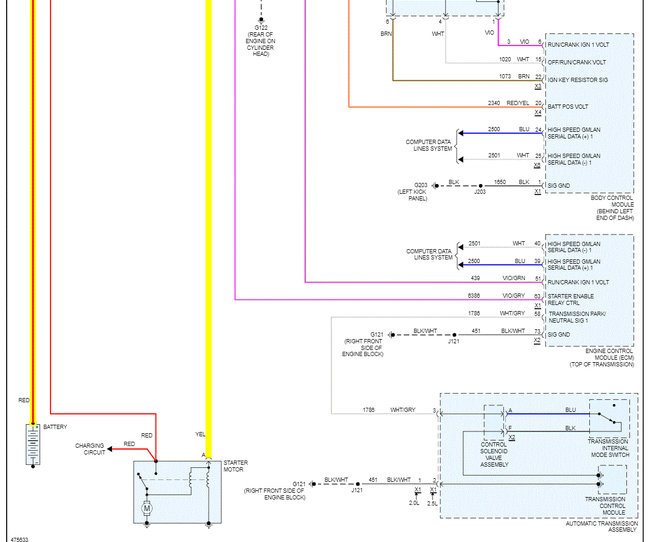
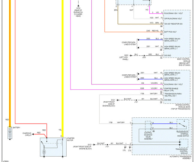
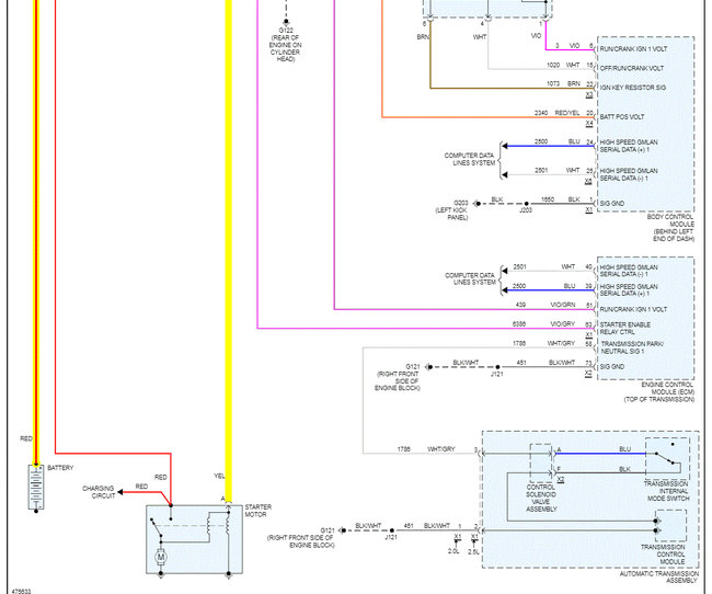
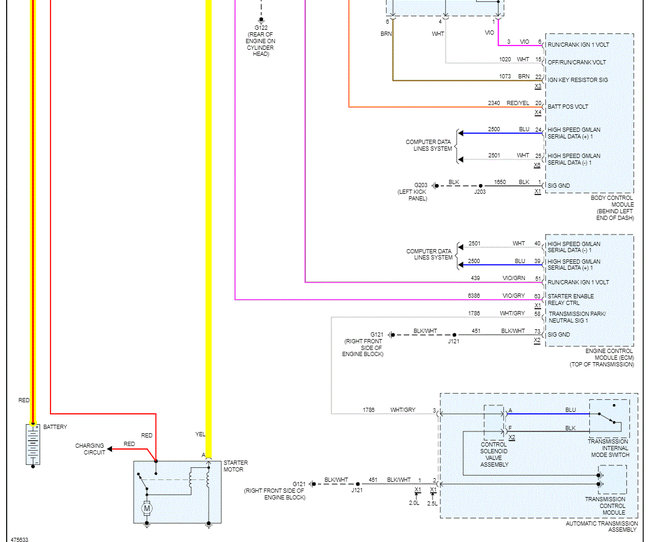
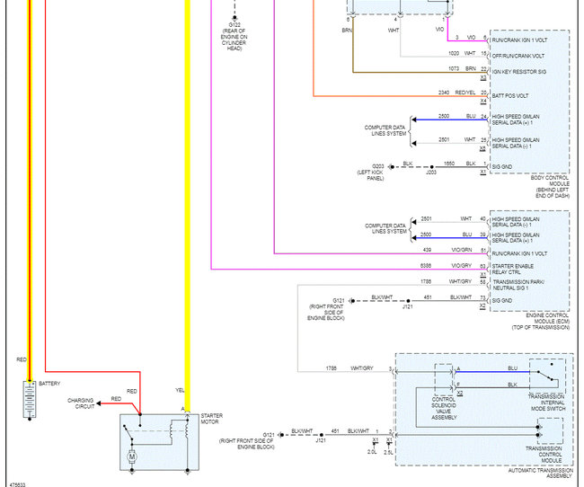
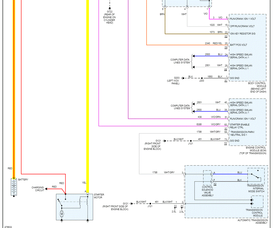
I attached the wiring schematic below for the starting system. If you have a push-button start, let me know. This schematic is for a traditional system.

First, see if it starts in neutral. If it does, then we have an issue with the transmission range sensor (Neutral Safety Switch). If it doesn't change anything, turn the headlamps on and have a helper watch the lights when you turn the key to start. Do they dim? Let me know.

Next, I attached the schematic below and highlighted the starter fuse. I highlighted its location in the under-hood fuse box. Check that fuse. If it is good, confirm there is power to and from it. Here is a link you may find helpful.

https://www.2carpros.com/articles/how-to-check-a-car-fuse

Let me know what you find at this point. Also, here is a link you may find helpful if the starter does nothing when trying to start the engine:

https://www.2carpros.com/articles/starter-not-working-repair

Let me know what you find or if you have other questions.

Take care,

Joe

See pics below.

Was this
answer
helpful?
Yes
No
Saturday, January 29th, 2022 AT 9:18 PM
Tiny
RICKYBRADFORD
  • MEMBER
  • 1 POST
It sometimes make motor sound then this morning when I turn it all power left I checked my under-hood fuse box and all seem okay. I had to manually check because I have no tools and to be honest no money to purchase.
Was this
answer
helpful?
Yes
No
Tuesday, February 1st, 2022 AT 10:52 AM
Tiny
JACOBANDNICKOLAS
  • MECHANIC
  • 110,194 POSTS
Have you been able to have the battery tested? It sounds like either a loose connection or a dead battery. If possible, remove the battery, take it to a parts store such as AutoZone and ask them to charge and load test it. They will do it at no charge (at least here they don't charge). Call one of the parts stores and ask if they will do it for you.

Also, here is a link that explains how to load test a battery at home. Try this and let me know the results. No tools are needed.

https://www.2carpros.com/articles/car-battery-load-test

Let me know what you find.

Joe
Was this
answer
helpful?
Yes
No
Tuesday, February 1st, 2022 AT 3:56 PM

Please login or register to post a reply.