My engine will not start up?

Tiny
ROSEBUD0426
  • MEMBER
  • 2003 CHEVROLET MALIBU
  • 6 CYL
  • AUTOMATIC
  • 190,000 MILES
Hi my Malibu just stopped running. I changed the battery and fully charged. The engine does get fuel, but it will not turn over. We check the spark plugs and the ignition coil changed. Still nothing, what could be the problem? I tried turning the key to have the lights come on the dash and my anti-theft light stay on, but it does not flash.
Tuesday, February 16th, 2016 AT 8:12 AM

17 Replies

Tiny
WRENCHTECH
  • MECHANIC
  • 20,761 POSTS
This sounds like a fuel pump or the crankshaft angle sensor has gone out. When you turn the key to the on position without cranking the engine over can you hear the fuel pump run in the tank for 5 seconds?

https://www.2carpros.com/articles/car-cranks-but-wont-start

Please run down this guide and report back.
Was this
answer
helpful?
Yes
No
+1
Tuesday, February 16th, 2016 AT 8:32 AM
Tiny
ROSEBUD0426
  • MEMBER
  • 2 POSTS
Thanks for the guide, I found out the fuel pump was no good it had no pressure, I had to drop the tank but got the job done and it started right up this site is nice to have online.
Was this
answer
helpful?
Yes
No
+1
Tuesday, February 16th, 2016 AT 10:38 AM
Tiny
WRENCHTECH
  • MECHANIC
  • 20,761 POSTS
Glad you could get it fixed, that kind of problem can be tough. Please use 2CarPros anytime we are here to help.
Was this
answer
helpful?
Yes
No
+1
Tuesday, February 16th, 2016 AT 10:59 AM
Tiny
DEBBIEF
  • MEMBER
  • 1 POST
  • 2003 CHEVROLET MALIBU
Ran out of gas now the car won't start.
Was this
answer
helpful?
Yes
No
Wednesday, January 27th, 2021 AT 5:44 PM (Merged)
Tiny
WRENCHTECH
  • MECHANIC
  • 20,761 POSTS
In tank fuel pumps are cooled and lubricated by the fuel in the tank. When you run a car out of gas, it pumps a lot of air through the pump which overheats it and causes some severe wear and many times, failure when they cool off.
You will need to use a fuel pressure gauge to verify this
Was this
answer
helpful?
Yes
No
Wednesday, January 27th, 2021 AT 5:44 PM (Merged)
Tiny
KEVIN FRENCH
  • MEMBER
  • 2 POSTS
  • 2003 CHEVROLET MALIBU
  • 3.1L
  • 6 CYL
  • 180,000 MILES
Crank, no start. Theft deterrent light indicated the problem and after quite a lot of trial and error managed to bypass the anti-theft. Wiring is back to as it was when I got the car and it was running briefly. I do have a new ignition cylinder in place and did the longer relearn procedure. The light is no longer on but there has been no change in terms of fuel delivery. Crank no start. Mechanic did diagnostic and says it is not the anti-theft but is the fuel pump (wants $580.00 to replace it on a $200.00 car!).
I replaced it and no change, I have not had the BCM reset or flashed but I know someone with a dealer scan tool. Could this BCM flash be the solution? Is it something that would have to be done after various changes were made to the ignition wiring? Trying resistors of different ohms etc, but all is back to how it was except ignition cylinder. If so, how exactly is the flash procedure done?
Was this
answer
helpful?
Yes
No
Wednesday, January 27th, 2021 AT 5:45 PM (Merged)
Tiny
KEN L
  • MASTER CERTIFIED MECHANIC
  • 55,322 POSTS
The BCM must be reflashed for the car to run with the new key. Have the BCM done and please let us know.

Cheers, Ken
Was this
answer
helpful?
Yes
No
Wednesday, January 27th, 2021 AT 5:45 PM (Merged)
Tiny
KEVIN FRENCH
  • MEMBER
  • 2 POSTS
Thanks for the reply. How do I flash the BCM? Also, would replacing the original ignition cylinder and key still require a reflash?
Was this
answer
helpful?
Yes
No
Wednesday, January 27th, 2021 AT 5:45 PM (Merged)
Tiny
KEN L
  • MASTER CERTIFIED MECHANIC
  • 55,322 POSTS
I shop needs to do the flash becasue it takes a special computer that can copy and transfer the operation system code.

You might be able to get a used one and plug it in I have seen that work sometimes.

Here is the location (below)

Please let us know what you find. I'm interested to see what it is.

Cheers, Ken
Was this
answer
helpful?
Yes
No
Wednesday, January 27th, 2021 AT 5:45 PM (Merged)
Tiny
1CANTINFLAS1
  • MEMBER
  • 1 POST
  • 2003 CHEVROLET MALIBU
Cranks but will not start. Replaced fuel pump 3 months ago and filter when it stopped running, ( thought that wold fix it) Where should I start?
Was this
answer
helpful?
Yes
No
Wednesday, January 27th, 2021 AT 5:46 PM (Merged)
Tiny
MHPAUTOS
  • MECHANIC
  • 31,937 POSTS
Hi there,

You will have to determine if you have fuel pressure, spark and injector pulse, run a diagnostic check as well report any fault codes and if you have lost fuel or spark, do this first. check out this guide

https://www.2carpros.com/articles/car-cranks-but-wont-start

Mark (mhpautos)
Was this
answer
helpful?
Yes
No
Wednesday, January 27th, 2021 AT 5:46 PM (Merged)
Tiny
TSAND12
  • MEMBER
  • 1 POST
  • 2002 CHEVROLET MALIBU
  • 2WD
  • AUTOMATIC
  • 190,000 MILES
I've had this problem in the past and trying it a few times, turning it into the "on" position and shutting it off, when the gas light turns off and the needle moves showing there's gas in there the car will start. Now, after about four attempts during different days the car will not start and the gas light will remain on when the key is in the "on" position.
Was this
answer
helpful?
Yes
No
Wednesday, January 27th, 2021 AT 5:49 PM (Merged)
Tiny
JACOBANDNICKOLAS
  • MECHANIC
  • 110,192 POSTS
Welcome to 2CarPros.

When you say it won't turn over, do you mean the starter doesn't engage or it does, but the engine doesn't run?

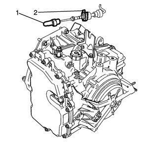
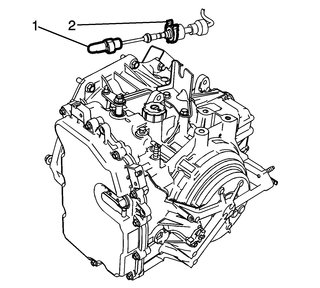
Now, the idea that the fuel gauge isn't working may be an indicator that there is a connection issue at the fuel pump. If you look at the picture I attached, it shows the pump and fuel level components.

Here is a link that explains what to check with a crank no start condition:

https://www.2carpros.com/articles/car-cranks-but-wont-start

Let me know exactly what is happening so I can better direct you.

Take care,
Joe
Was this
answer
helpful?
Yes
No
Wednesday, January 27th, 2021 AT 5:49 PM (Merged)
Tiny
GRAMPIE123
  • MEMBER
  • 1 POST
  • 2002 CHEVROLET MALIBU
  • 6 CYL
  • 2WD
  • AUTOMATIC
  • 120,000 MILES
I have 2002 Chev Malabu. Wont start. Fuel pump humms. Have spark. Air intake clear. What next? Where is fuel filter located?
Was this
answer
helpful?
Yes
No
Wednesday, January 27th, 2021 AT 5:49 PM (Merged)
Tiny
RASMATAZ
  • MECHANIC
  • 75,992 POSTS
No pic of fuel filter location but follow the fuel line back from the engine towards the fuel tank. Check the fuel pressure with a fuel pressure tester to rule out the fuel filter and fuel pump-
Was this
answer
helpful?
Yes
No
Wednesday, January 27th, 2021 AT 5:49 PM (Merged)
Tiny
HATCHER23
  • MEMBER
  • 1 POST
  • 2002 CHEVROLET MALIBU
  • 200,000 MILES
Left work yesterday, stopped at stop sign a few blocks into my drive home. Went to pull away and engine cut out, car hasn't run since. Cant seem to hear fuel pump kicking in either. Father in law tapped gas tank a couple times and it started, just barely, and only ran for a couple seconds. Any ideas?
Was this
answer
helpful?
Yes
No
Wednesday, January 27th, 2021 AT 5:50 PM (Merged)
Tiny
JACOBANDNICKOLAS
  • MECHANIC
  • 110,192 POSTS
It sounds as if the fuel pump is bad. Check to make sure it is producing the proper amount of pressure. If it isn't, you will need to drop the tank and replace it.
Was this
answer
helpful?
Yes
No
Wednesday, January 27th, 2021 AT 5:50 PM (Merged)

Please login or register to post a reply.