The back running lights and dashboard lights are not working?

Tiny
BABYMARY
  • MEMBER
  • 2004 CHEVROLET CAVALIER
  • 2.1L
  • 4 CYL
  • 2WD
  • AUTOMATIC
  • 198,000 MILES
Back running lights and dashboard lights aren't working?
Saturday, August 24th, 2024 AT 2:30 AM

7 Replies

Tiny
KEN L
  • MASTER CERTIFIED MECHANIC
  • 55,488 POSTS
The first thing we need to do is check the EXT LP fuse 20 amp in the fuse panel inside the car, this guide can help you and I have included the fuse location in the images below.

https://www.2carpros.com/articles/how-to-check-a-car-fuse

Check out the images (below). Please upload pictures or videos in your response of any problems so we can see what to help you with.
Was this
answer
helpful?
Yes
No
Saturday, August 24th, 2024 AT 11:28 AM
Tiny
BABYMARY
  • MEMBER
  • 5 POSTS
  • 2004 CHEVROLET CAVALIER
  • 2.1L
  • 4 CYL
  • 2WD
  • AUTOMATIC
  • 289,000 MILES
Still have not found the problem to my running back lights and dashboard lights not working blinkers work brake light work front head lamps work but just no back lights or dashboard lights cheeked fuses but can't really pinpoint the exact location on the diagram of fuses for backlights or dashboard. Please help.
Was this
answer
helpful?
Yes
No
Sunday, August 25th, 2024 AT 10:18 AM (Merged)
Tiny
KEN L
  • MASTER CERTIFIED MECHANIC
  • 55,488 POSTS
Did you check the fuse I listed above?
Was this
answer
helpful?
Yes
No
-1
Sunday, August 25th, 2024 AT 10:19 AM
Tiny
BABYMARY
  • MEMBER
  • 5 POSTS
Yes.
Was this
answer
helpful?
Yes
No
Sunday, August 25th, 2024 AT 10:20 AM
Tiny
KEN L
  • MASTER CERTIFIED MECHANIC
  • 55,488 POSTS
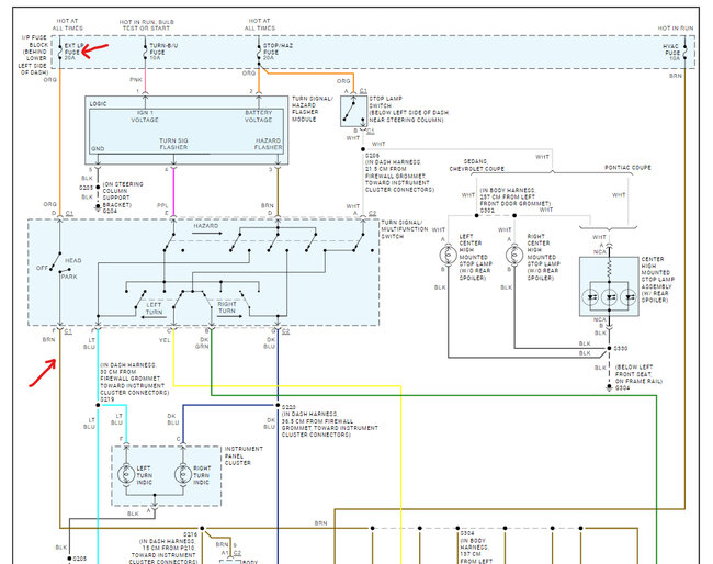
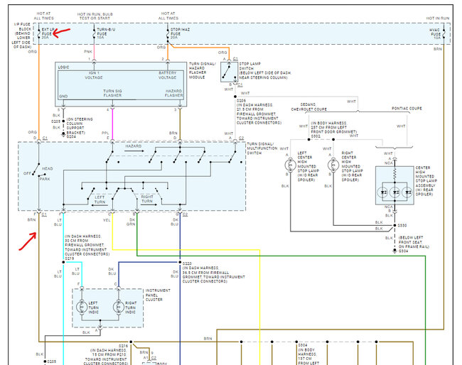
Okay, if you checked the fuse for power and the fuse is okay turn the headlights on and check the brown wire at any running light socket, if there is none then chances are the multi-function switch is bad.

Here is a guide to help with the running light wiring diagrams so you can see how the system works:

https://www.2carpros.com/articles/how-to-use-a-test-light-circuit-tester

Check out the images (below). Please let us know what happens.
Was this
answer
helpful?
Yes
No
Sunday, August 25th, 2024 AT 6:47 PM
Tiny
BABYMARY
  • MEMBER
  • 5 POSTS
Thank you so much. Problem solved once you pointed out the correct fuse. Thank you so much.
Was this
answer
helpful?
Yes
No
Monday, August 26th, 2024 AT 7:57 AM
Tiny
KEN L
  • MASTER CERTIFIED MECHANIC
  • 55,488 POSTS
Glad you could get it fixed, thanks for letting us know. Please use 2CarPros anytime we are here to help.
Was this
answer
helpful?
Yes
No
Monday, August 26th, 2024 AT 7:57 AM

Please login or register to post a reply.