Automatic lights will not turn off without disconnecting the battery

Tiny
MOUCHRA
  • MEMBER
  • 2001 FORD EXPEDITION
  • 4.6L
  • V8
  • 2WD
  • AUTOMATIC
  • 120,000 MILES
They do go on when it gets dark even with the keys out of the car and the car off.

These lights is a combination of the fog lights and the parking lights. When on the fog lights will not go off when the high beam is used as designed.

Please help!
Tuesday, January 26th, 2021 AT 3:54 PM

4 Replies

Tiny
KASEKENNY
  • MECHANIC
  • 18,907 POSTS
Just to be clear, the headlights turn on by themselves when it gets dark even when the key is out?

Also, if the fog lights stay on when the high beams are on, it sounds like a switch issue.

I suspect this is two different issues. The head lamp issue I imagine is the auto lamp module has failed. The fog lights and high beam issue is the switch.

So let's tackle the auto head lamp issue and then see if that solves the other.

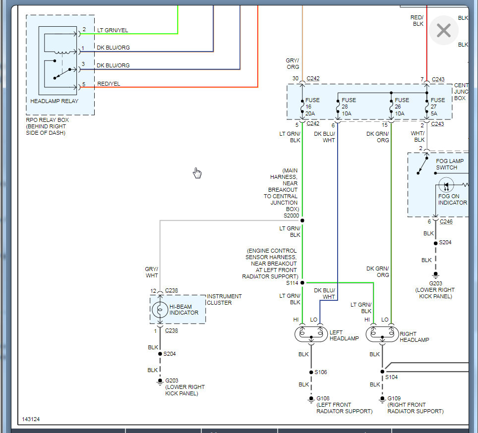
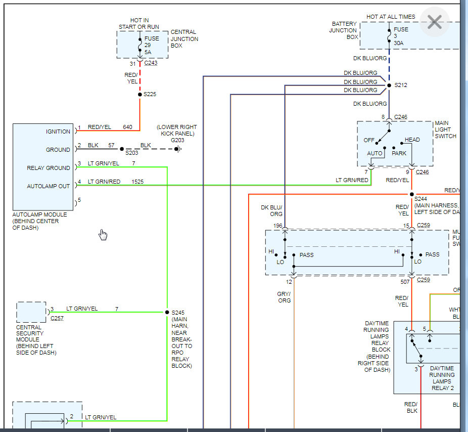
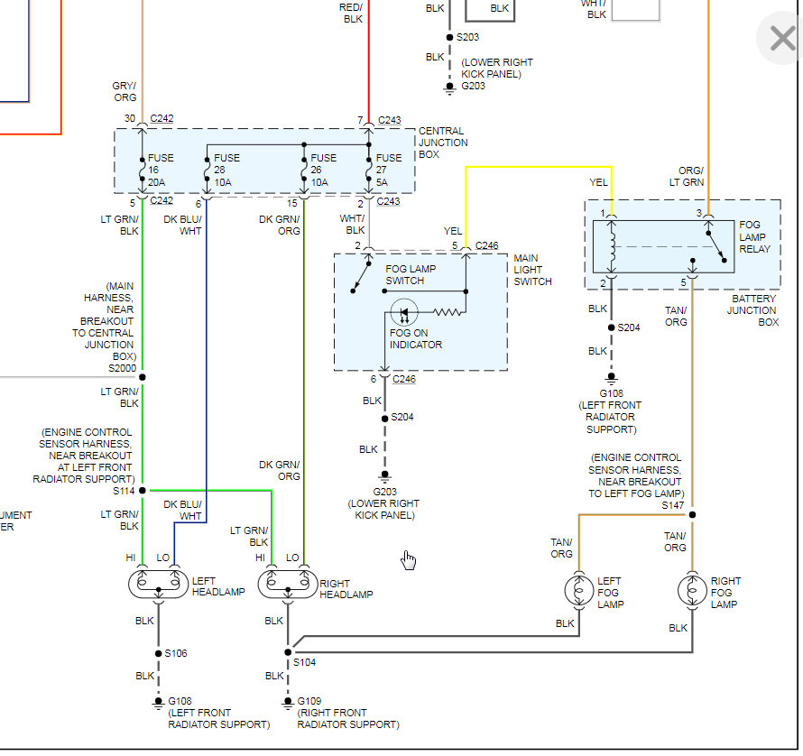
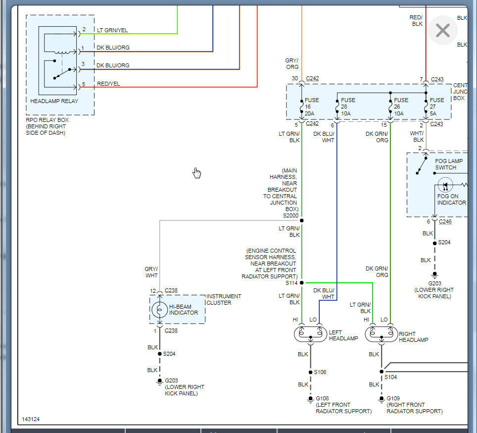
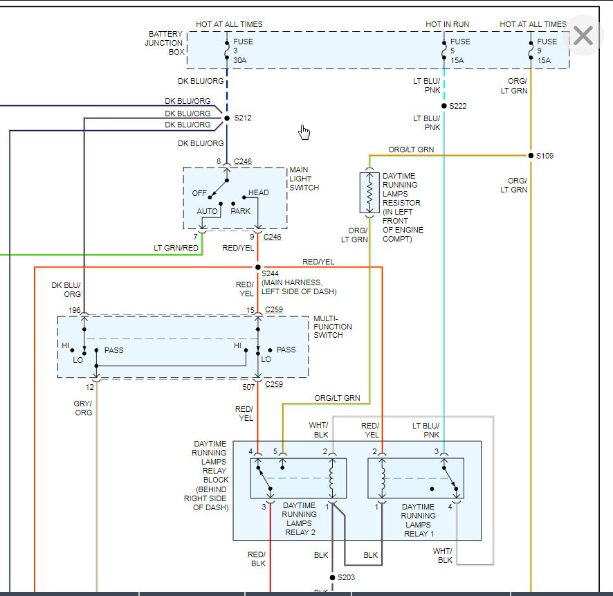
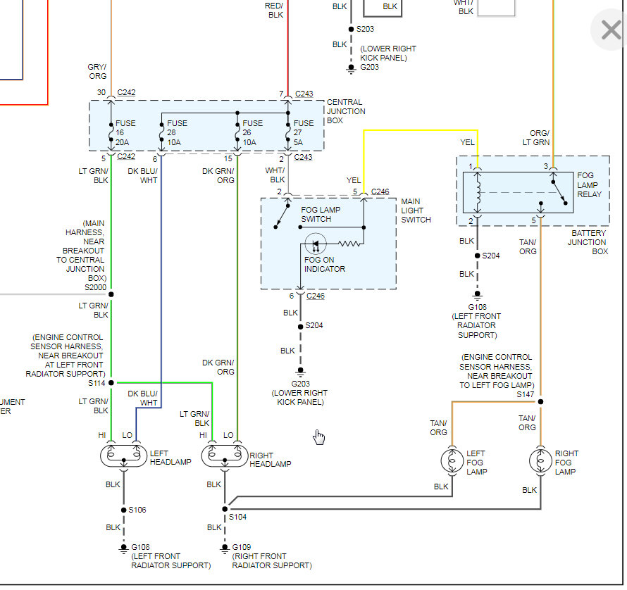
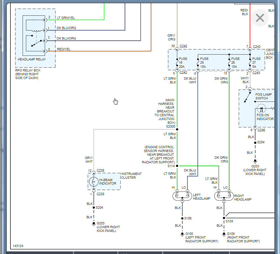
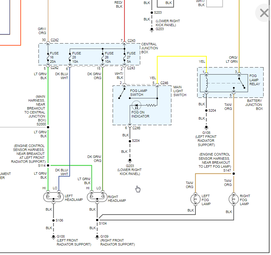
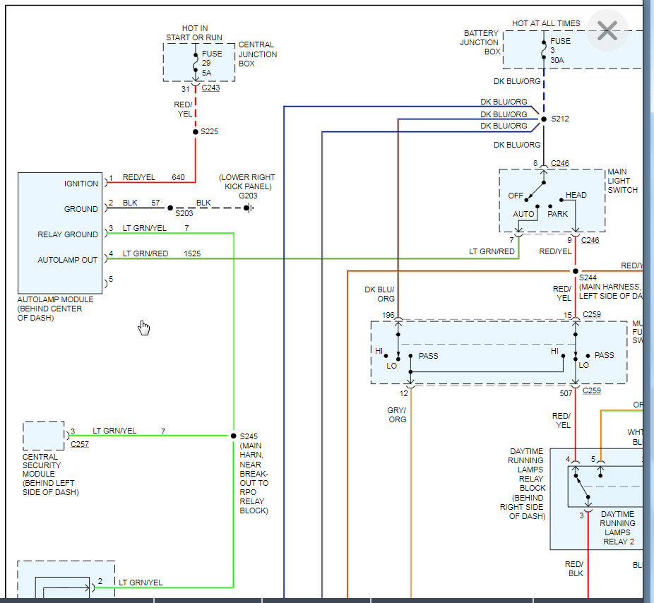
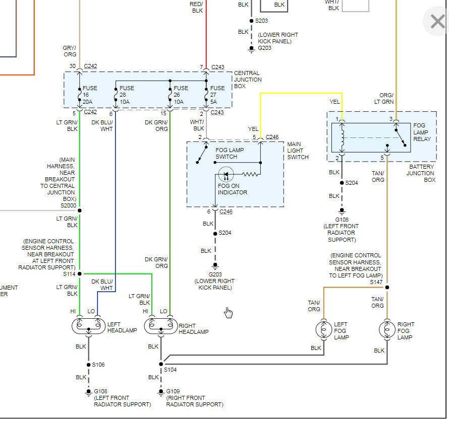
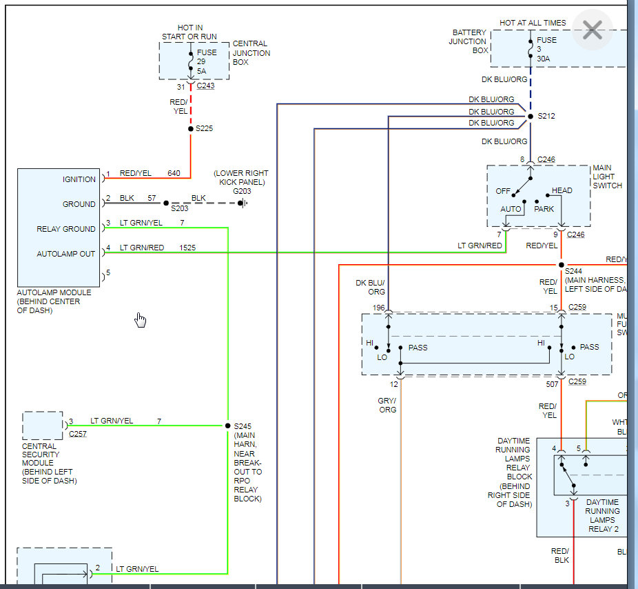
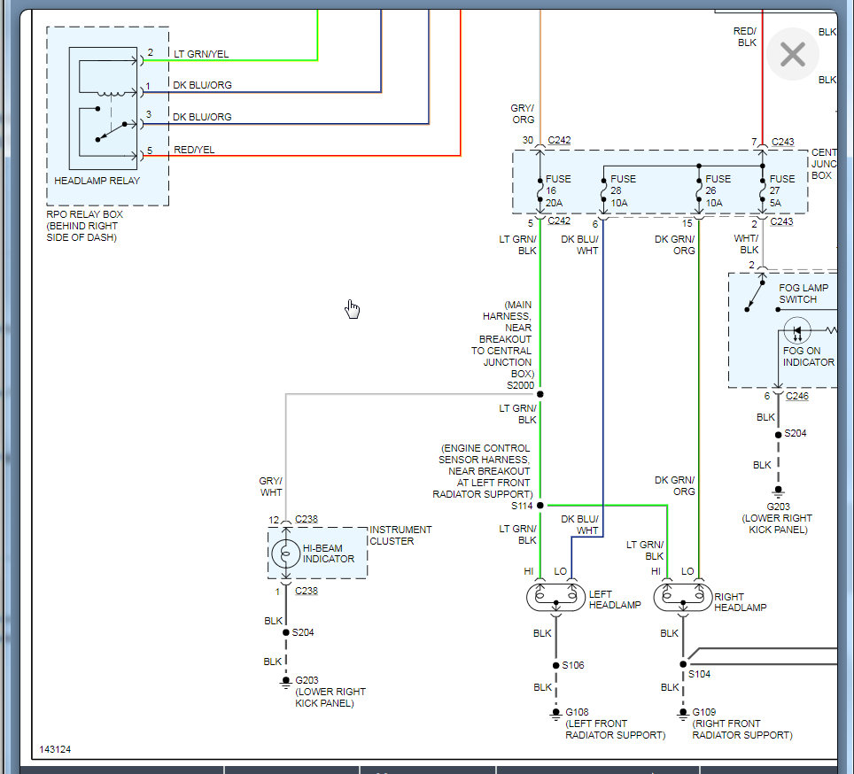
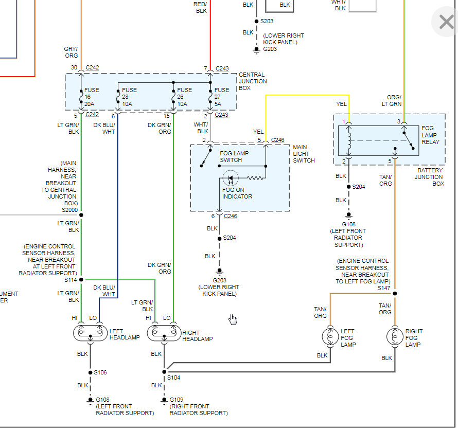
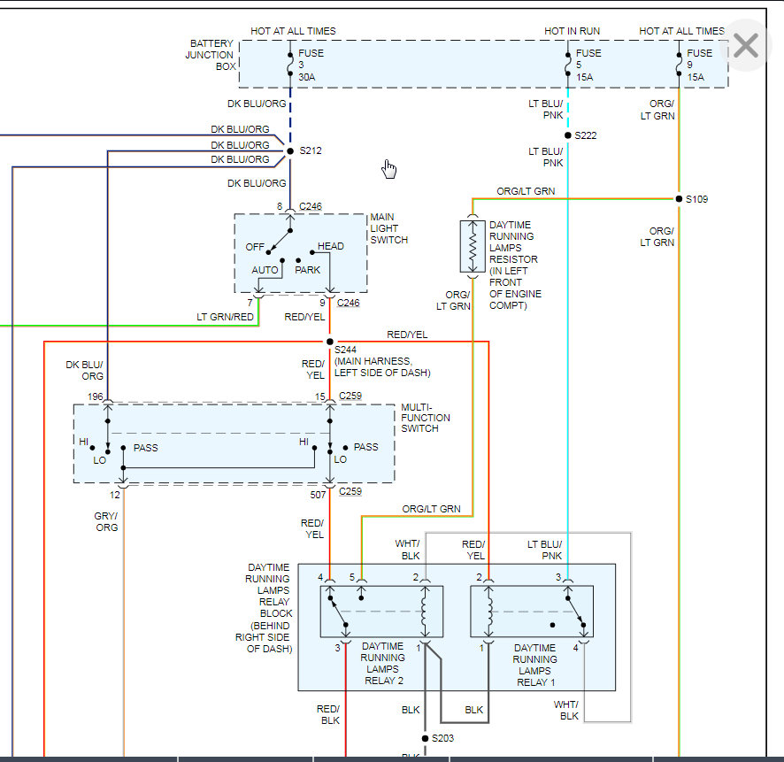
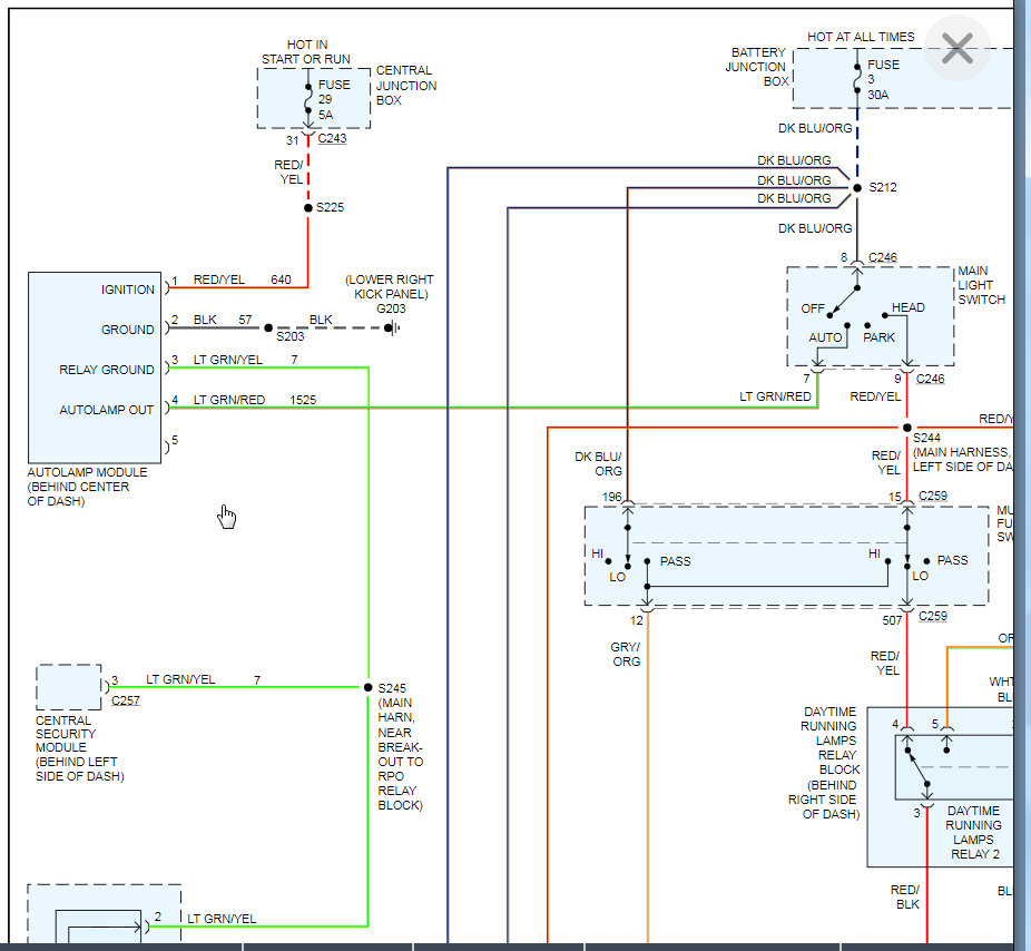
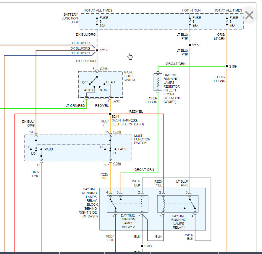
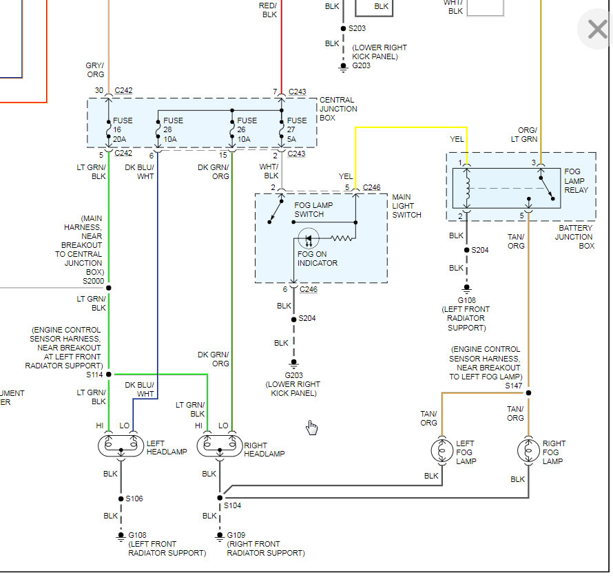
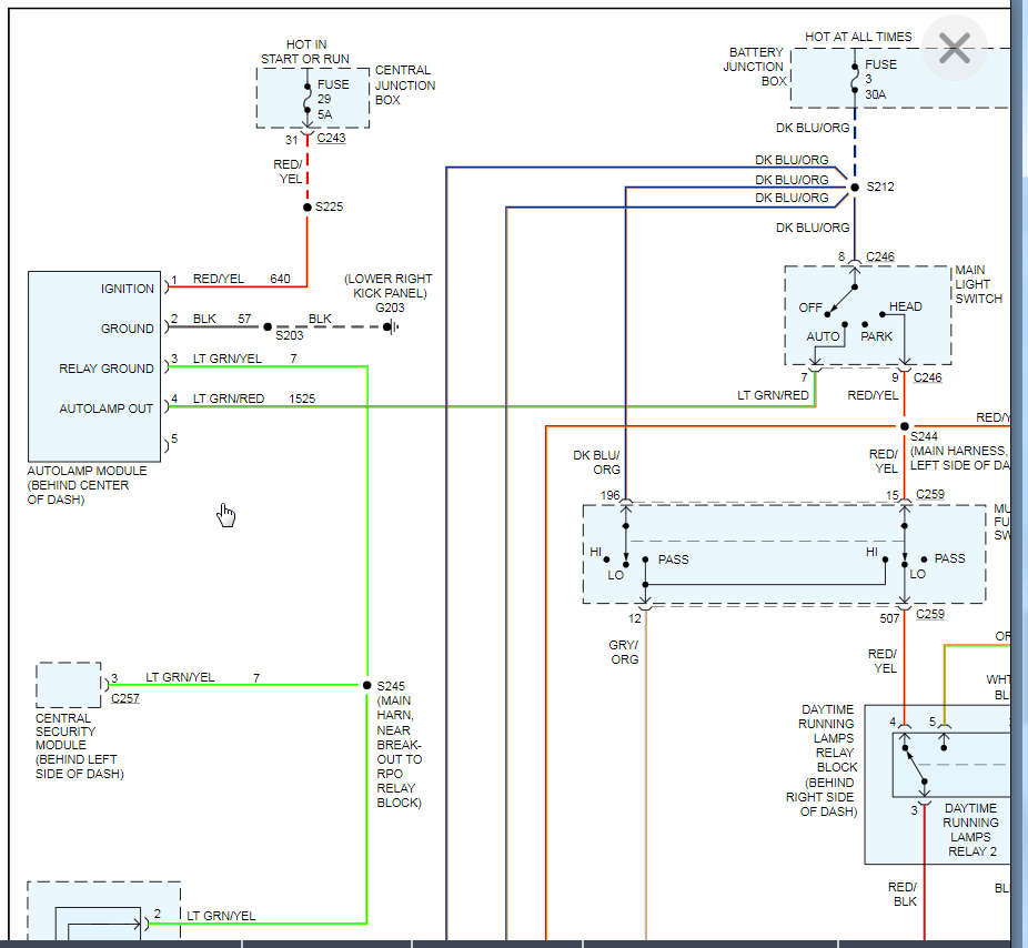
I am attaching the wiring diagram that we need to monitor the voltage coming out of the Autolamp module on the lamp out circuit. When this acts up we need to see if there is voltage here. If there is, I would replace the module.

Here is a guide that will help with this:

https://www.2carpros.com/articles/how-to-check-wiring

The only thing we need to make sure is there are no aftermarket items on this that would cause this issue. Also, when did this start? Did it just happen or did you just buy this vehicle and it has this issue?

See the attached below and let us know what you find. Thanks
Was this
answer
helpful?
Yes
No
+1
Friday, January 29th, 2021 AT 4:21 PM
Tiny
MOUCHRA
  • MEMBER
  • 3 POSTS
Hi Kasekenny,

Thank you for your response.

To answer your question; It was not the headlights but the fog lights together with the parking lights which are part of the "dusk" courtesy lights.

I thought it may be a switch issue but it only happened when the did they come on by themselves. That led me to believe it was related to the light sensor on top of the dashboard driver side. By design (according to the manual) when you turn the high beams on the fog lights automatically go off but this does not happen only when the lights have turn themselves on.

I forgot to mention that this happened after a pretty heavy storm. A couple of days ago I started moving the wires that connect the light sensor and some how it stopped doing the malfunction. After reading your recommendation I am more inclined to believe it has to do with the Autolamp module. I will locate it and try to replicate the malfunction and report back. Thank you for all the diagrams, this makes it a lot more easy to tackle.
Was this
answer
helpful?
Yes
No
Sunday, January 31st, 2021 AT 6:09 PM
Tiny
MOUCHRA
  • MEMBER
  • 3 POSTS
One more note: I believe this maybe something after market item that was put on the car. We are not the original owners and there is a switch and that ambient light sensor I mentioned before that I cannot find it on any drawing for the car. I will place a pic of the light sensor on the top of the dashboard.
Was this
answer
helpful?
Yes
No
Sunday, January 31st, 2021 AT 6:38 PM
Tiny
KASEKENNY
  • MECHANIC
  • 18,907 POSTS
I think you are on it. There is no switch on the light sensor from the factory so clearly that was added. That is good in the fact that we are on the right path but not good because any time someone has changed the vehicle it is hard to know what they did because there is no manual from them on the changes.

If you can trace that wiring and then I would take some connectors apart of where you were wiggling it and look for water intrusion. It will look like green growth or just be wet.

Let us know what you find with this and we can go from there. Thanks
Was this
answer
helpful?
Yes
No
+1
Monday, February 1st, 2021 AT 7:46 PM

Please login or register to post a reply.