When vehicle is off the ammeter flickers back and forth

2001 GMC TRUCK
75,000 MILES • 6.0L • V8 • 4WD • AUTOMATIC
Avatar
ROBERT SIPOS
  • MEMBER
  • 13 POSTS
I have to disconnect battery. Replaced ignition switch pulled key out and greased disconnect wires at alternator still stays on checked grounds, okay.
Aug 21, 2021 at 8:32 AM
Repair Safety Notice: This information is for general instructional purposes only. Vehicle repair can be dangerous. Verify all information, follow manufacturer service procedures, use proper tools and safety equipment, and consult a qualified repair shop when needed.
Advertisement
Avatar
JACOBANDNICKOLAS
  • CAR REPAIR CONTRIBUTOR
  • 110,190 POSTS
Hi,

If it stays on, chances are there is a short to power at some point. It could be in the instrument panel itself.

Here is a link that explains how to find and repair a parasitic draw. Take a look through it and let me know if it helps.

https://www.2carpros.com/articles/car-battery-dead-overnight

Also, let me know if it is only the one gauge acting this way or if there are other things.

Take care,

Joe
Aug 21, 2021 at 8:32 PM
Advertisement
Avatar
ROBERT SIPOS
  • MEMBER
  • 13 POSTS
Only ammeter gauge is flickering back and forth I pulled leads off alternator no change.
Aug 22, 2021 at 5:07 AM
Avatar
ROBERT SIPOS
  • MEMBER
  • 13 POSTS
Only ammeter gage is flickering back and forth I pulled leads off altinator no change
Aug 22, 2021 at 5:07 AM
Avatar
ROBERT SIPOS
  • MEMBER
  • 13 POSTS
I did replace ignition switch, no change.
Aug 22, 2021 at 5:08 AM
Avatar
JACOBANDNICKOLAS
  • CAR REPAIR CONTRIBUTOR
  • 110,190 POSTS
Hi,

The instrument panel cluster (IPC) displays the system voltage as detected at the ignition 1 input of the IPC. Since that is the only thing being affected, it is likely a short in the cluster.

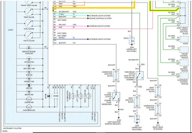
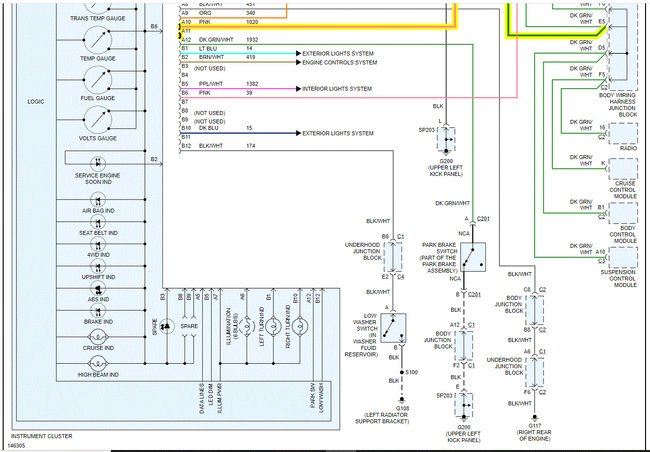
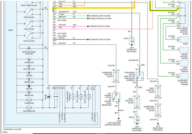
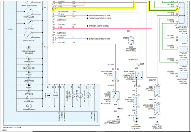
Let's try this. Remove the ignition 1 fuse and see if it changes what happens. I attached the wiring schematic below. I had to cut it in half to make it readable, but I did overlap it so you can follow from one to the next.

Pic 3 below shows the fuse and ignition 1 relay. Make sure to check the relay as well. Here is a link to help. The relay itself may be bad.

https://www.2carpros.com/articles/how-to-check-an-electrical-relay-and-wiring-control-circuit

Let me know the results.

Take care,

Joe

See pics below.



Aug 22, 2021 at 8:39 PM
Avatar
ROBERT SIPOS
  • MEMBER
  • 13 POSTS
Was wrong. gas gauge, oil temperature is flicking when off. when started oil gage does not work ammeter not working and temperature gage immediately goes to 210. RPMs not working Transmission temperature not working. I look at fuse box underneath and checked under hood looks okay. I put another ground on body no change. disconnect leads at alternator no change .
Aug 23, 2021 at 9:40 AM
Avatar
JACOBANDNICKOLAS
  • CAR REPAIR CONTRIBUTOR
  • 110,190 POSTS
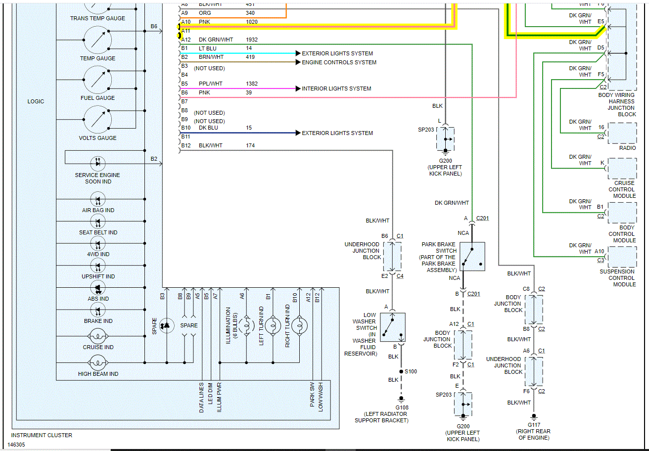
Did you check the connection at the cluster? See pic 3 below and check these connections as well.

If everything is tight and in good condition, chances are, the cluster needs to be replaced. They had a few years that had problems. Most fell between 2003 and 2006, but earlier years were affected as well.

Take a look through the diagnostics below. They are for an inoperative IP, but it will help. Also, if you haven't already, you really should scan the can-bus. CAN stands for controller area network. Basically, the computers/modules are all tied together via a few wires. This type of scan will identify codes regardless of the module storing them. Here is a video showing how it's done:

https://youtu.be/InIlnsjOVFA

Let me know if that has been done and if the diagnostics below help.

Take care,

Joe
Aug 23, 2021 at 7:00 PM
Avatar
ROBERT SIPOS
  • MEMBER
  • 13 POSTS
When I went to step 2 instrument cluster is very erratic. A/C has stop working prior no current to A/C compressor with key on. i don't know where to test lamp between the ignition 1 voltage circuit and ground. is it possible to talk to you? thanks
Aug 28, 2021 at 6:57 AM
Avatar
JACOBANDNICKOLAS
  • CAR REPAIR CONTRIBUTOR
  • 110,190 POSTS
Hi Robert,

Unfortunately, we are to keep everything online. As far as the step you are having trouble with, here is what to do.

Disconnect the IPC connector. There is an ignition 1 voltage pin and a ground pin at that plug. You are simply jumping your test light between two pins to see if it lights.

If you look at the pic below, I highlighted the two pins you need to check. One will be battery power and the other is a ground.

Let me know if this helps, or what I can do to help.

Take care and let me know.

Joe

See pic below.
Aug 28, 2021 at 9:32 PM
Avatar
ROBERT SIPOS
  • MEMBER
  • 13 POSTS
Yes good ground and power.
Sep 9, 2021 at 12:26 PM
Avatar
JACOBANDNICKOLAS
  • CAR REPAIR CONTRIBUTOR
  • 110,190 POSTS
Hi,

If you have good power and ground as indicated, there is likely a short in the cluster itself. Now keep in mind, there could be a faulty wire to the cluster that when moved is causing this issue. Note: I am assuming that the power turns off when the key is in the off position.

Let me know.

Joe

Sep 9, 2021 at 5:21 PM
Avatar
ROBERT SIPOS
  • MEMBER
  • 13 POSTS
A6 has no power with key shut off, but some of the others have power.
Sep 14, 2021 at 10:44 AM
Avatar
ROBERT SIPOS
  • MEMBER
  • 13 POSTS
A6 has no power with key off.
Sep 14, 2021 at 10:45 AM
Avatar
JACOBANDNICKOLAS
  • CAR REPAIR CONTRIBUTOR
  • 110,190 POSTS
Hi,

A6 is a ground pin. Check that for continuity to ground. It shouldn't have power.

Let me know.

Joe
Sep 14, 2021 at 7:20 PM
Avatar
ROBERT SIPOS
  • MEMBER
  • 13 POSTS
Sorry I meant by, but I do have power with key off at others is that okay?
Sep 15, 2021 at 4:36 AM
Avatar
JACOBANDNICKOLAS
  • CAR REPAIR CONTRIBUTOR
  • 110,190 POSTS
Hi,

No problem whatsoever. And yes, it is normal for some to have power. Can you let me know which pins are getting power?

Let me know.

Joe
Sep 15, 2021 at 7:39 PM
Avatar
ROBERT SIPOS
  • MEMBER
  • 13 POSTS
At the top A9 is the only one that has power with the key. our thanks
Sep 16, 2021 at 6:20 AM
Avatar
JACOBANDNICKOLAS
  • CAR REPAIR CONTRIBUTOR
  • 110,190 POSTS
Hi,

That is correct. That pin supplies battery voltage. By chance, did you check for power at B6? If you did and there was none, see if it gets power when you crank the engine. Also, let me know if you have continuity to the grounds. (pin A6)

Joe
Sep 16, 2021 at 7:42 PM
Avatar
ROBERT SIPOS
  • MEMBER
  • 13 POSTS
Yes, b6 has power with key on and cranking and I do have continuity too pin a6.
Sep 17, 2021 at 6:31 AM
Avatar
JACOBANDNICKOLAS
  • CAR REPAIR CONTRIBUTOR
  • 110,190 POSTS
Hi,

It sounds like you may have found the problem. If you supply a new ground to A6, does it rectify the issues?

Let me know.

Joe
Sep 17, 2021 at 4:57 PM
Avatar
ROBERT SIPOS
  • MEMBER
  • 13 POSTS
I added an extra ground to a6 no difference. I got a rebuilt cluster no difference.
Sep 21, 2021 at 8:01 AM
Avatar
KASEKENNY
  • CAR REPAIR CONTRIBUTOR
  • 18,907 POSTS
Just to jump in the volt meter on this cluster is just displaying the voltage that it gets on the ignition 1 feed which is pin B6. Can you turn the ignition off and back probe this wire and see if you are getting any voltage on it? You should have 0 volts when the key is off.

As Joe mentioned before, if you have an issue with the fuel and trans temp gauge as well then those are what are called Class 2 bus messages. This means this is a coded message from the PCM to the cluster and the cluster displays the message after it decodes it.

So if you are getting these gauges fluttering when the ignition is off then we have something backfeeding through the cluster or voltage from another place.

Also, on a completely different path, we need to load test the battery.

If the voltage is low, it causes erratic action and I just dealt with a different vehicle where the gauges were flickering and it was a battery issue. It didn't match this exactly but it is something that we need to check.

https://www.2carpros.com/articles/car-battery-load-test

Just make sure we load check the battery and not just put a meter across it. Parts stores will do this for free.

Lastly I just want to state that the gauges flickering is going to be a different issue then them not working. However, if you have some codes for the gauges then that could change.

https://www.2carpros.com/articles/checking-a-service-engine-soon-or-check-engine-light-on-or-flashing

Let us know what you find with this voltage and then if the battery passes and finally if you have any codes. Thanks
Sep 21, 2021 at 5:46 PM