All running lights not working?

Tiny
DAVID CHEN
  • MEMBER
  • 2003 CHEVROLET IMPALA
  • 3.4L
  • 12,000 MILES
Turn on the headlight switch either by Auto or by manual, both headlights are okay but all of running lights are not working.
Tuesday, June 13th, 2023 AT 10:24 PM

3 Replies

Tiny
KEN L
  • MASTER CERTIFIED MECHANIC
  • 55,335 POSTS
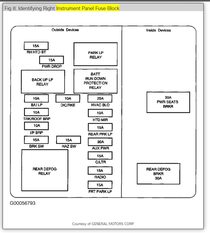
The first thing we need to do is check the fuses, this guide should help, and I have included this how to guide so you can see what to do.

https://www.2carpros.com/articles/how-to-check-a-car-fuse

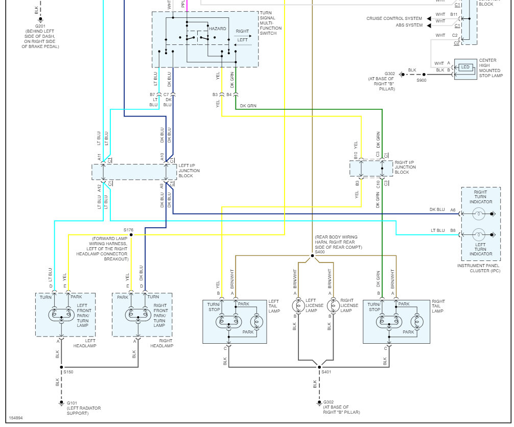
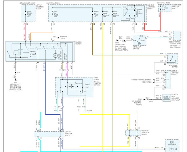
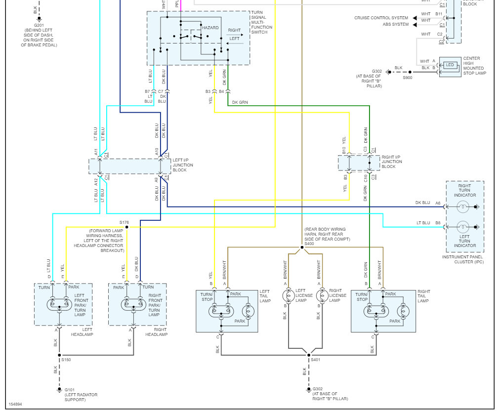
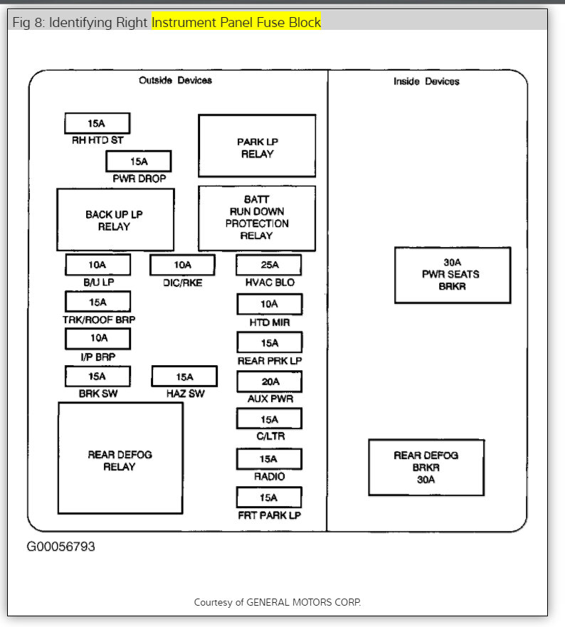
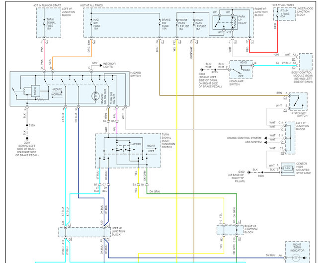
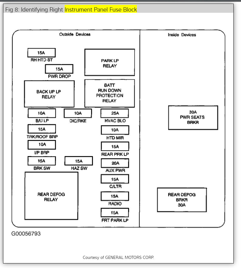
Here are the running light wiring diagrams so you can see which fuses to check and how the system works. Also, if the fuses are all good there is a running light relay, I would swap out which should fix the problem.

Please check out this guide as well:

https://www.2carpros.com/articles/no-tail-lights-exterior-running-lights-tail-lights-out

Check out the images (below). Let us know what happens and please upload pictures or videos of the problem so we can see what's going on.
Was this
answer
helpful?
Yes
No
+1
Wednesday, June 14th, 2023 AT 12:10 PM
Tiny
DAVID CHEN
  • MEMBER
  • 16 POSTS
Thank you very much for your wonderful instructions. According to the running light wiring diagrams which you send to me, I have use the test light and a multimeter to checks all fusses/grounding/continuity, have found the parking lp relay malfunction, I swapped this relay with back up lp relay (identical), it was confirmed which the park lp relay defected. The new relay was installed an hour ago. All running lights are working perfectly. Thank you, a lot, with the best regards.
Was this
answer
helpful?
Yes
No
Wednesday, June 14th, 2023 AT 7:21 PM
Tiny
KEN L
  • MASTER CERTIFIED MECHANIC
  • 55,335 POSTS
Thanks for letting us know, we are here to help, please use 2CarPros anytime. Can you please leave us a rating? (copy entire link)

https://www.google.com/search?q=2carpros&gs_ivs=1#lrd=0x80dcd47364be5d0d:0xba091aa4209f4497,1,,,&tts=0

and

https://www.sitejabber.com/reviews/2carpros.com

Thank you.
Was this
answer
helpful?
Yes
No
Thursday, June 15th, 2023 AT 12:33 PM

Please login or register to post a reply.