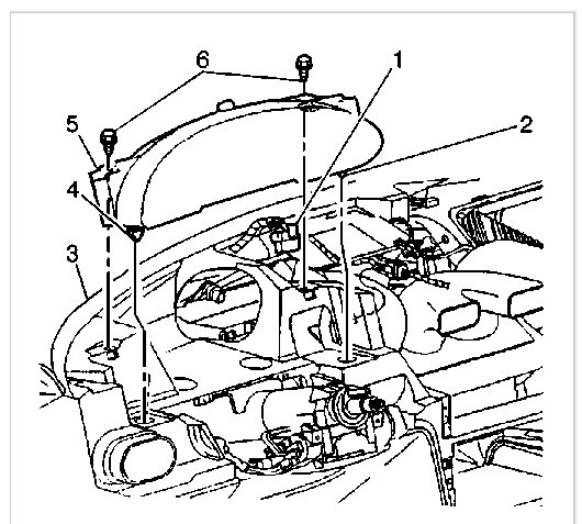
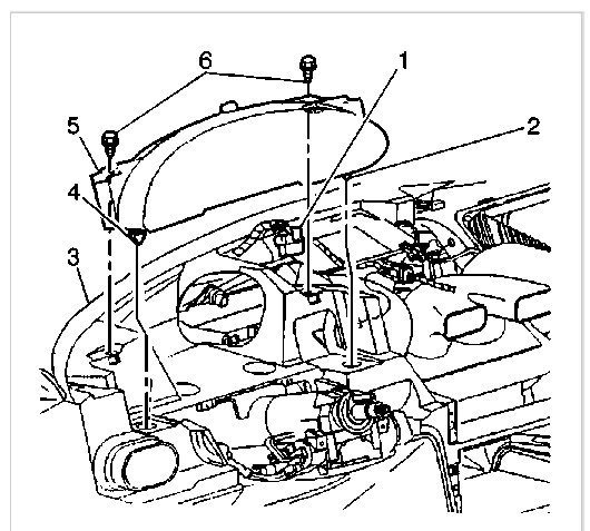
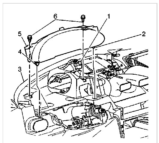
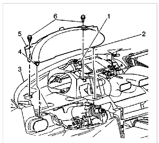
Thursday, June 13th, 2019 AT 1:34 PM
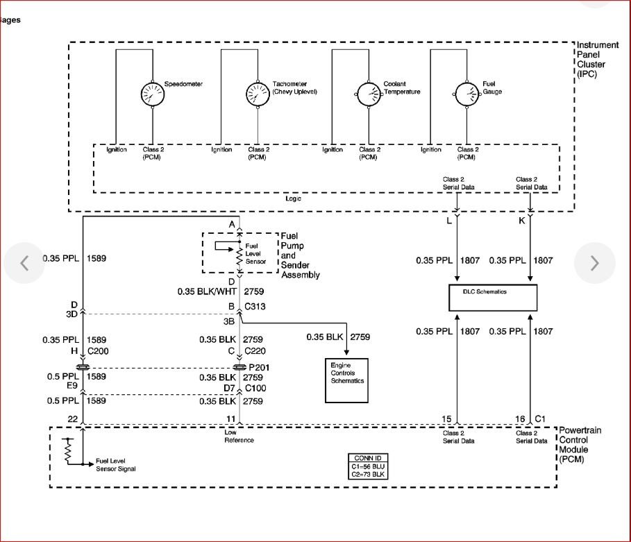
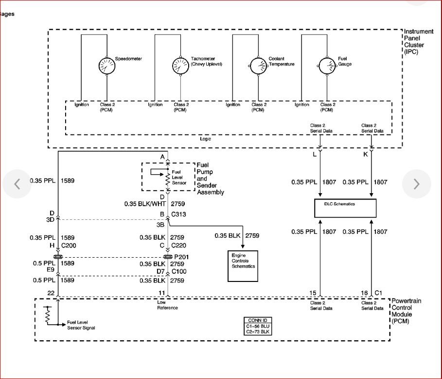
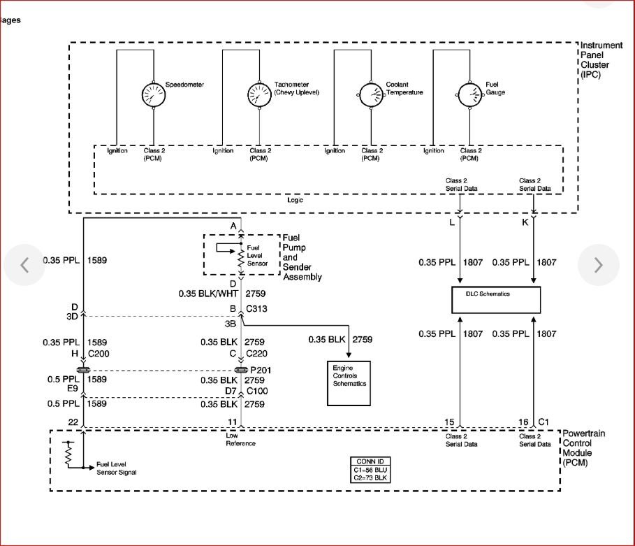
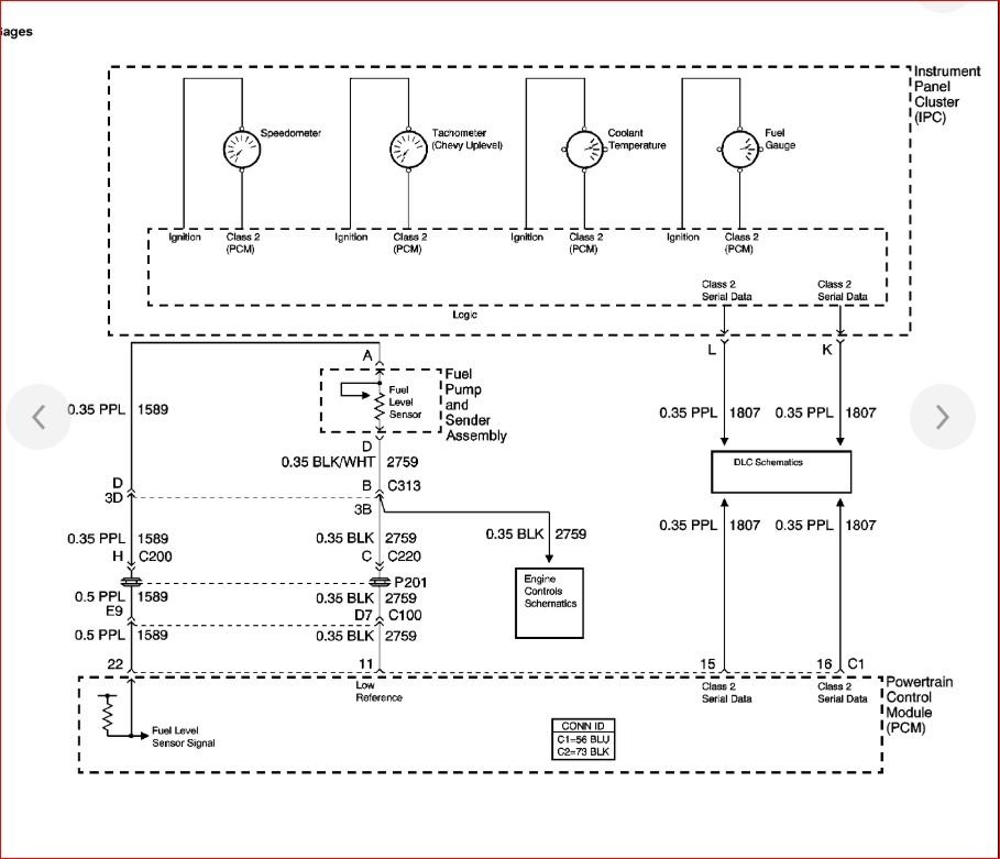
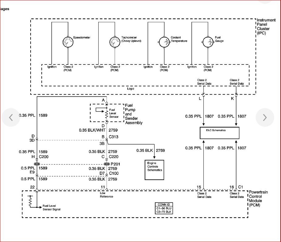
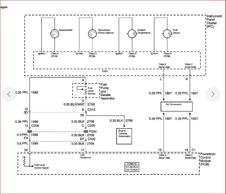
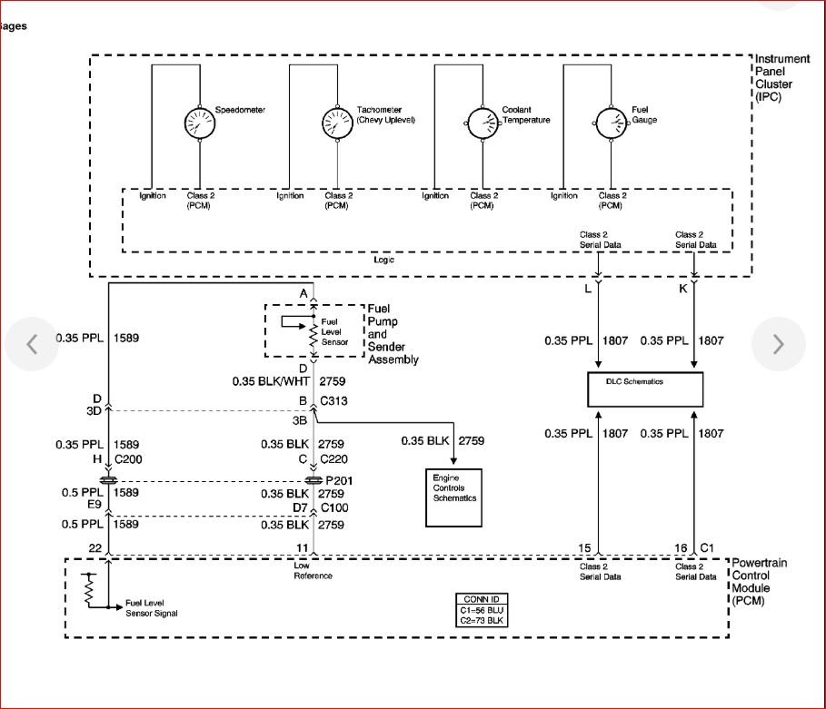
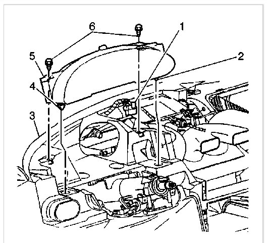
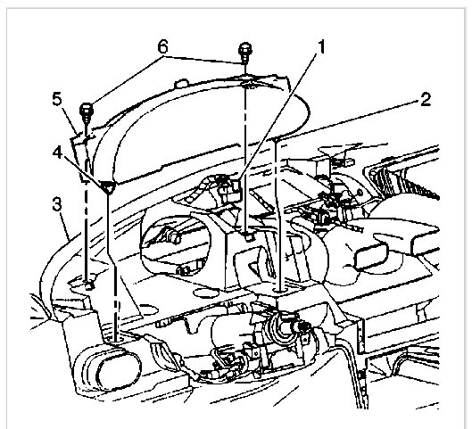
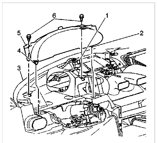
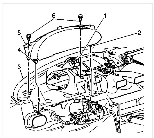
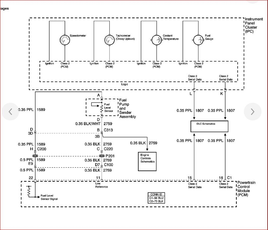
All of the gauges on my dash board don't work, the speedometer doesn't work, the gas hand is under the e even after I put gas in. The temperature doesn't move it stays under 100 the rpm does not move it stays on the line underneath the 1. The dash lights come on but that is it. What can I do to fix that and how much is it going to cost me?






































