Cluster replacement?

Tiny
ONEFOXONE
  • MEMBER
  • 2005 CHEVROLET CAVALIER
  • 48,000 MILES
2005 cavalier, mile indicators numbers don't all light up. If replaced by a used one, how does one set the mileage to your vehicle current mileage? Do you need to send it in to get it set?
Tuesday, January 31st, 2012 AT 3:08 PM

5 Replies

Tiny
DANNY L
  • MECHANIC
  • 5,648 POSTS
Hello, I'm Danny.

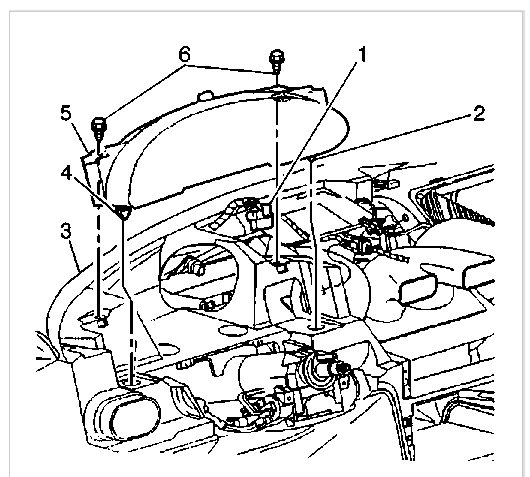
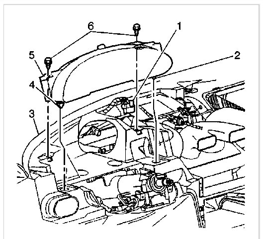
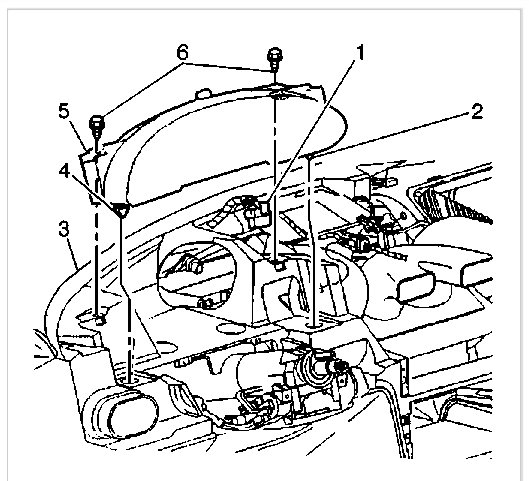
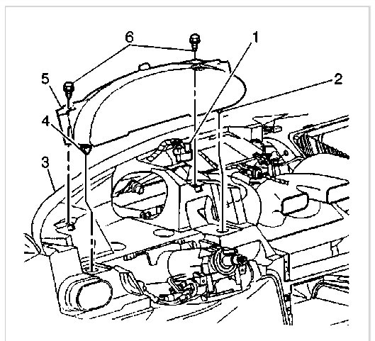
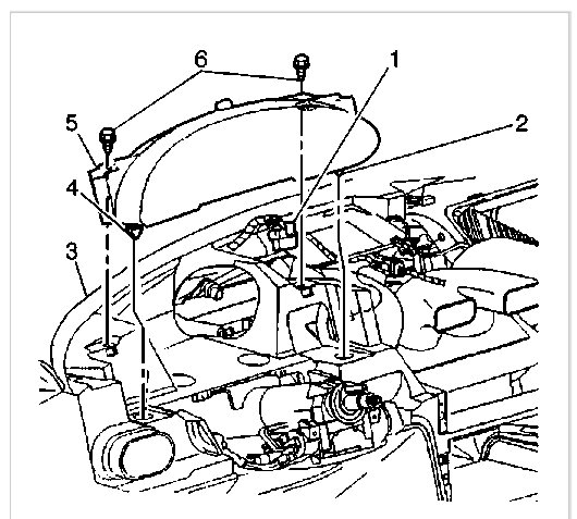
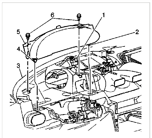
It sounds like the printed circuit board in the cluster may be faulty in the cluster to be causing the odometer to not work. I've attached picture steps below on how to remove and replace the trim to gain access to the cluster as well as remove and replace the cluster itself on your Cavalier. Some places like speedometer shops can repair instrument clusters. Whatever shop you take it to will have to use a factory Chevrolet scan tool to program your correct-current mileage. Hope this helps and thanks for using 2CarPros.
Was this
answer
helpful?
Yes
No
Wednesday, July 7th, 2021 AT 10:26 PM
Tiny
DRIZLER
  • MEMBER
  • 1 POST
  • 2003 CHEVROLET CAVALIER
Just got the car and PO told me it never since he bought it had a working fuel/temp gauge. Both are way up and over into the arc of the speedo. They do move about a tad but are definitely not working. The speedo did once read low and not return to the stop which went away with cutting the power and restarting. I have heard a lot about CLUSTER replacement and all the issues. I have been doing most of my own work for 30 years and this toss out fix it mentality is sort of new to me. Most times I find issues like this to be ground related or bad sending units, fuses and such.
So whats the skinny on the cluster thing and in my case the way to test it what to look for and in order of preference what to do to address it? I know how to remove the dash ect. I hate to just spring for a "new" cluster on a chance or have this one sent out under similar logic. Thanks.
Was this
answer
helpful?
Yes
No
Thursday, July 8th, 2021 AT 10:31 AM (Merged)
Tiny
DANNY L
  • MECHANIC
  • 5,648 POSTS
Hello, I'm Danny
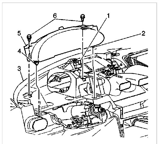
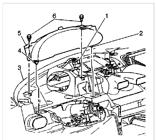
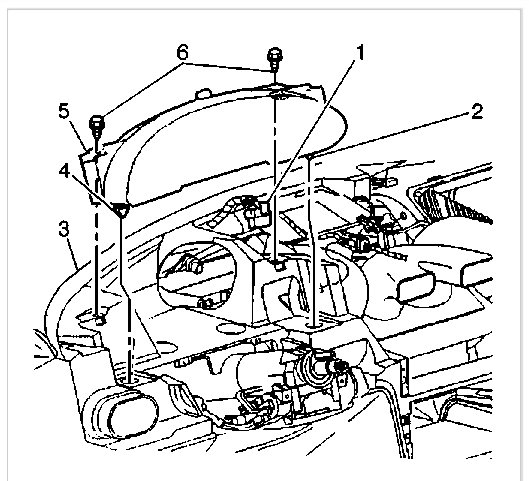
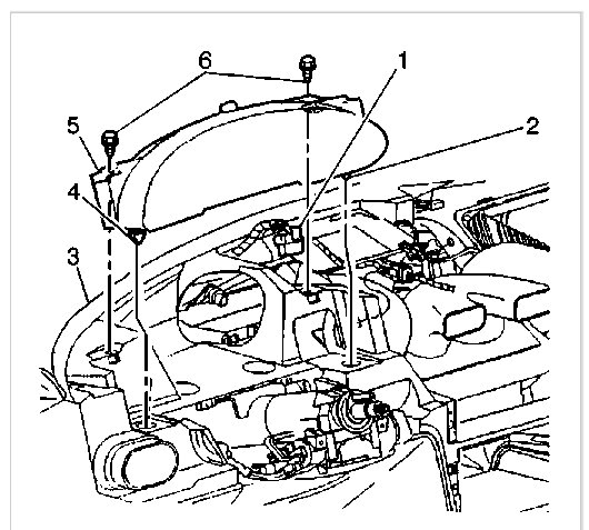
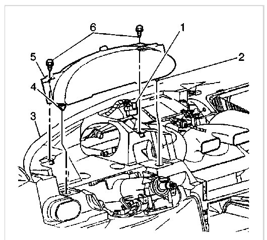
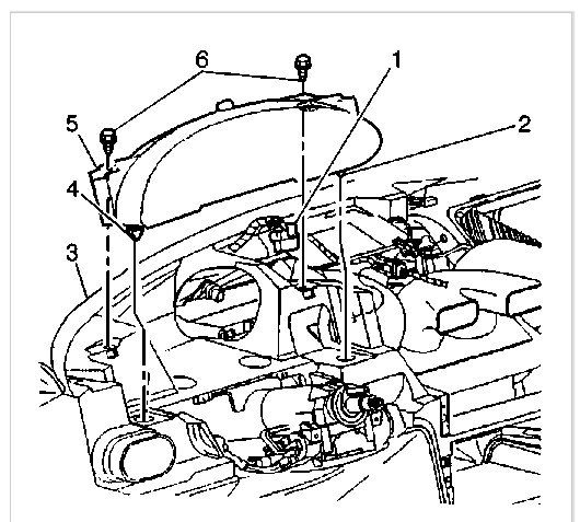
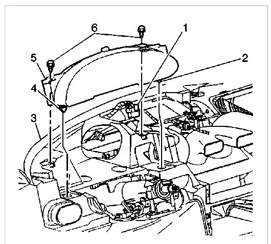
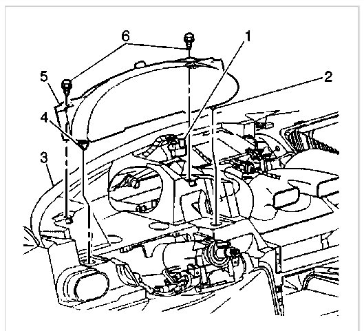
It sounds like the printed circuit board or the stepper motors in the cluster may be faulty in the cluster to be causing an abnormal reading since the car is otherwise running normally. I've attached picture steps below on how to remove and replace the trim to gain access to the cluster as well as remove and replace the cluster itself on your Cavalier. Some places like speedometer shops can repair instrument clusters. Hope this helps and thanks for using 2CarPros.
Was this
answer
helpful?
Yes
No
Thursday, July 8th, 2021 AT 10:31 AM (Merged)
Tiny
DAVIDALLENB
  • MEMBER
  • 1 POST
  • 2003 CHEVROLET CAVALIER
  • 4 CYL
  • 2WD
  • AUTOMATIC
  • 500,000 MILES
Currently my RPM Gauge is sporadic epically on hot days it idles at 0. Which freaks me out. Next is my Temp gauge it is pointing when off toward the speedometer gauge and when is turned on and as the car is getting hotter its moves under where the temp gauge readings. Basically its as if the markings for the temp are laying on its side. Let me make a picture :).
Was this
answer
helpful?
Yes
No
Thursday, July 8th, 2021 AT 10:31 AM (Merged)

Please login or register to post a reply.