Sunday, January 3rd, 2021 AT 1:41 AM
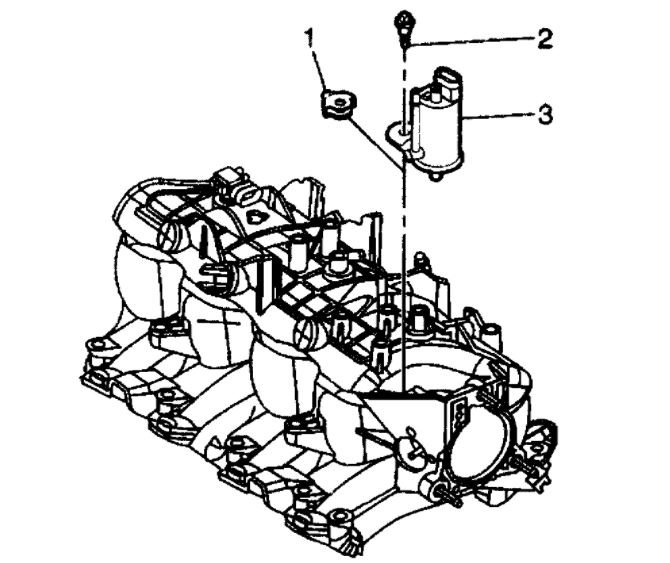
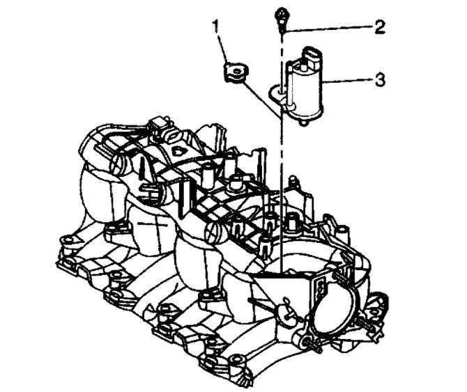
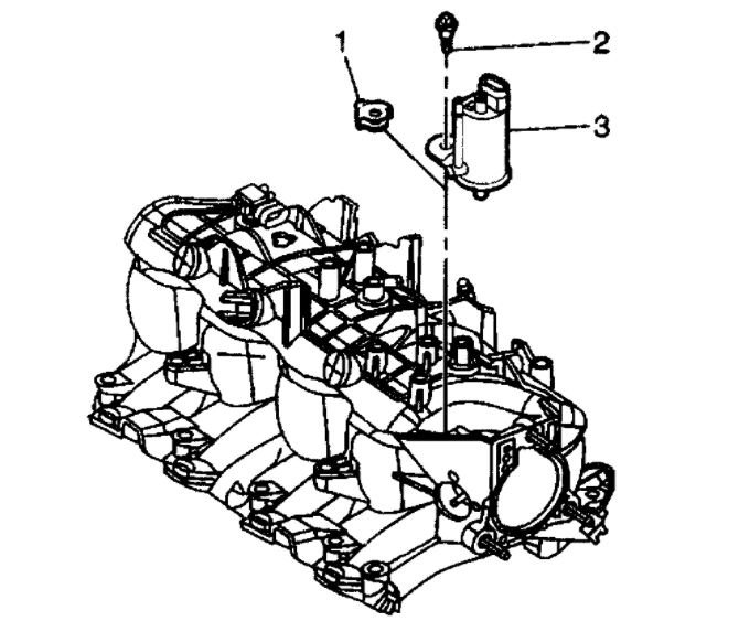
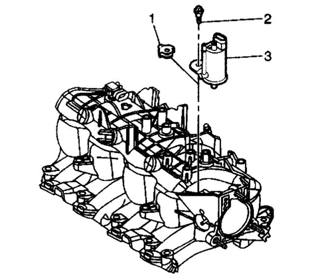
I have the truck listed above 2500hd. Been dealing with a p0300 random misfire for a while now. Did plugs and wires. I was still getting the code after a few weeks of it running strong. But just a few days ago I started the truck so that I could work on the instrument cluster and have easier in and out of the vehicle access. Anyway, the reason for me working on diagnosing the instrument cluster was because a few days prior everything on the cluster had stopped working other than the check engine light turn signals. All of the gauges and the rest of the warning lights had stopped working. So I was going through and diagnosing that issue. So after doing all of the testing of wires and fuses it seems as if the cluster itself has went bad. I then proceeded to put the instrument panel back together and during this process I hooked up a code reader which is the (Creader launch). When hooking it up to my truck I received 2 codes from it. 1 was the famous p0300 and the other was the p0332 rear knock sensor. After that I tried to start it and all that did was lead me to trying to do some more diagnosing as to why it wouldn't start. So I have fuel delivery and pressure a good battery and a lot of cranking but no spark from all 8 cylinders. I just replaced the crankshaft position sensor because that's what everything was pointing to as to going bad. In between time of doing this I had the battery out of the vehicle for charging purposes. So the codes are now gone. Now that I have done all of this my truck still won't start. All it wants to do is crank over but not start. I was unable to do any further diagnosing as to maybe why this is happening happening now. Also I tried to scan it again with the same tool and there were no codes because I had unhooked the battery for charging purposes. Now I'm pretty baffled about this happening the way it's happening so any and all thoughts on as to what to look at next would be highly and greatly appreciated. Thank you, Big Blue.









