HOME
ASK A QUESTION
REPAIR GUIDES
BECOME A MEMBER
LOG IN
Login with Facebook
OR
Remember me
NOT A MEMBER?
FORGOT PASSWORD?
CONTACT US
PRIVACY POLICY
TERMS AND CONDITIONS
☰
Home
Dodge
Truck
Climate Control
Air Conditioner
Air conditioning
GAVIN LOWITZ
MEMBER
2006 DODGE TRUCK
5.7L
V8
2WD
AUTOMATIC
179,300 MILES
The exhilarate fan stays on without the air conditioning on.
Thursday, May 24th, 2018 AT 11:32 AM
11 Replies
ASEMASTER6371
MECHANIC
52,796 POSTS
Good afternoon.
Which fan? The cooling fan or the blower fan?
Roy
Was this
answer
helpful?
Yes
No
Thursday, May 24th, 2018 AT 11:59 AM
GAVIN LOWITZ
MEMBER
7 POSTS
Cooling fan.
Was this
answer
helpful?
Yes
No
Thursday, May 24th, 2018 AT 12:20 PM
ASEMASTER6371
MECHANIC
52,796 POSTS
You mean the one inside the truck?
Was this
answer
helpful?
Yes
No
Thursday, May 24th, 2018 AT 12:25 PM
GAVIN LOWITZ
MEMBER
7 POSTS
No, the fan under the hood even with the air conditioner off it still runs.
Was this
answer
helpful?
Yes
No
Thursday, May 24th, 2018 AT 12:58 PM
GAVIN LOWITZ
MEMBER
7 POSTS
Even if I do not ever use it it still runs.
Was this
answer
helpful?
Yes
No
Thursday, May 24th, 2018 AT 12:58 PM
ASEMASTER6371
MECHANIC
52,796 POSTS
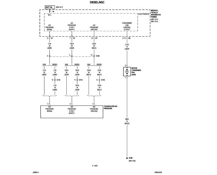
Okay, the TIPM or the fuse box under the hood is what controls the condenser fan.
I would remove the connector for the low pressure switch on the AC line and see if it shuts it off. If it does not then the TIPM is the issue.
Roy
Image (Click to make bigger)
Was this
answer
helpful?
Yes
No
+1
Thursday, May 24th, 2018 AT 1:26 PM
GAVIN LOWITZ
MEMBER
7 POSTS
Is a little pressure switch located on top of the intake manifold.
Was this
answer
helpful?
Yes
No
Thursday, May 24th, 2018 AT 1:28 PM
ASEMASTER6371
MECHANIC
52,796 POSTS
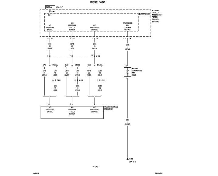
No, as I stated, it is on the AC lines, not the intake manifold. I attached a picture for you.
Roy
Image (Click to make bigger)
Was this
answer
helpful?
Yes
No
+1
Thursday, May 24th, 2018 AT 1:31 PM
GAVIN LOWITZ
MEMBER
7 POSTS
I have had problems with that switch before the wires on top.
Was this
answer
helpful?
Yes
No
Thursday, May 24th, 2018 AT 1:41 PM
GAVIN LOWITZ
MEMBER
7 POSTS
Does that switch have a Schrader valve on it? What do you call it when you call AutoZone?
Was this
answer
helpful?
Yes
No
Thursday, May 24th, 2018 AT 1:42 PM
ASEMASTER6371
MECHANIC
52,796 POSTS
I did not tell you to replace anything.
I just want to see if the fan turns off before we discuss possible failures.
Did you remove the wires?
Roy
Was this
answer
helpful?
Yes
No
Thursday, May 24th, 2018 AT 1:45 PM
Please
login
or
register
to post a reply.
Related Air Conditioner Content
Ac
Ac Only Comes Out On Drivers Side. Its A 2005 3500 Diesel
Asked by
waynewar
·
1 ANSWER
2005
DODGE TRUCK
GUIDE
Air Conditioner
Would you like to know how your vehicle’s air conditioner works? The system looks complicated, but it's really quite simple. Once you know how it delivers cold air you...
Is It Possable To Replace An A/c Unit With An...
Is It Possable To Replace An A/c Unit With An Alternator
Asked by
Anonymous
·
2 ANSWERS
7 IMAGES
2000
DODGE TRUCK
Oxygen Heater Codes Come On After Engine Idles For A...
Dealer Replaced All 4 Of The O2 Sensors But Problem Continues. After Engine Is Warmed Up If You Let It Idle For A While One By One The O2...
Asked by
techmech57
·
3 ANSWERS
2 IMAGES
2008
DODGE TRUCK
1999 Dodge Truck Cooling
Air Conditioning Problem 1999 Dodge Truck V8 Four Wheel Drive Manual Its A Crew Cab When Heat Or Air Is On Driver Side Is Cold And...
Asked by
Eds Auto
·
8 ANSWERS
1999
DODGE TRUCK
1998 Dodge Truck Heater
The Heater Will Blow Hot When At Idle But When Driving The Heater Gets Cold
Asked by
redrobin713
·
1 ANSWER
1998
DODGE TRUCK
VIEW MORE
Ask a Car Question. It's Free!
Air Conditioner - Vacuum Down and Recharge
How to Vacuum Down and Recharge Your A/C
Top off Automotive Air Conditioning