Air conditioner not working

Tiny
ASEMASTER6371
  • MECHANIC
  • 52,796 POSTS
Sounds like a plan.
Was this
answer
helpful?
Yes
No
Friday, December 28th, 2018 AT 6:33 AM
Tiny
TREEGA6059
  • MEMBER
  • 46 POSTS
Yes a plan thank you Roy.
Was this
answer
helpful?
Yes
No
Friday, December 28th, 2018 AT 7:52 AM
Tiny
ASEMASTER6371
  • MECHANIC
  • 52,796 POSTS
Be careful with degreaser. It is caustic and may actually corrode terminals over time.
Was this
answer
helpful?
Yes
No
Friday, December 28th, 2018 AT 7:54 AM
Tiny
TREEGA6059
  • MEMBER
  • 46 POSTS
So I put them in the plug holes? Also, can I bring a heater in the car while I work underneath the wheel? Really cold in the garage. I don't want to short out anything if I bring the heater?
Was this
answer
helpful?
Yes
No
Friday, December 28th, 2018 AT 11:22 AM
Tiny
ASEMASTER6371
  • MECHANIC
  • 52,796 POSTS
Yes, bring the heater and make yourself warm.

Yes, in the plug holes

Roy
Was this
answer
helpful?
Yes
No
Friday, December 28th, 2018 AT 11:36 AM
Tiny
TREEGA6059
  • MEMBER
  • 46 POSTS
Roy, thank you again!
Was this
answer
helpful?
Yes
No
Friday, December 28th, 2018 AT 1:20 PM
Tiny
ASEMASTER6371
  • MECHANIC
  • 52,796 POSTS
You are welcome.

Roy
Was this
answer
helpful?
Yes
No
Friday, December 28th, 2018 AT 1:22 PM
Tiny
TREEGA6059
  • MEMBER
  • 46 POSTS
Update for Roy: Still at it. I was only able to get to only two of the plugs. The middle one of the fuse box is giving me a hard time because of the way I am angled down to the steering wheel, with my head near the pedal. I am still at it! I am thinking it needs a new fuse box, but still at the method of deduction with dielectric greasing those connectors before I reach the conclusion. Meanwhile found some boxes on Ebay, that were cheap. Not going that way yet? It could happen!
Was this
answer
helpful?
Yes
No
Sunday, December 30th, 2018 AT 9:01 AM
Tiny
ASEMASTER6371
  • MECHANIC
  • 52,796 POSTS
Good. Keep me updated and let me know your progress.

Roy
Was this
answer
helpful?
Yes
No
Sunday, December 30th, 2018 AT 9:13 AM
Tiny
TREEGA6059
  • MEMBER
  • 46 POSTS
Good news on the blower. I tested the old blower and it work with my probe. I remember what you said about wiggling wires for the fuse box. I had a feeling I should of wiggled the wire to the blower and I did it, but put the old blower back, it worked!
Thank you Roy and 2CarPros. Thanks for telling me about wiggling technique. It is not the fuse. I have hot and cold air now! Thanks for your service! I will ask again for my next project. Thanks Roy.
Was this
answer
helpful?
Yes
No
Sunday, January 13th, 2019 AT 11:27 AM
Tiny
ASEMASTER6371
  • MECHANIC
  • 52,796 POSTS
You are very welcome.

We are always glad to help.

Roy
Was this
answer
helpful?
Yes
No
Sunday, January 13th, 2019 AT 11:44 AM
Tiny
TREEGA6059
  • MEMBER
  • 46 POSTS
Good and bad. Just went out to start the car and the air didn't come on. I know it is that wiring now. I will put some of that grease in the plugs to see what happens. I am sure there is no strong connection between that plug and the blower. We are on it! Feel it!
Was this
answer
helpful?
Yes
No
Sunday, January 13th, 2019 AT 12:23 PM
Tiny
ASEMASTER6371
  • MECHANIC
  • 52,796 POSTS
Use some dielectric grease for the connections.

Works very well for good connections.

Roy
Was this
answer
helpful?
Yes
No
Sunday, January 13th, 2019 AT 12:34 PM
Tiny
TREEGA6059
  • MEMBER
  • 46 POSTS
Do I disconnect the battery terminal again?
Was this
answer
helpful?
Yes
No
Sunday, January 13th, 2019 AT 1:01 PM
Tiny
ASEMASTER6371
  • MECHANIC
  • 52,796 POSTS
To be safe, yes.

Roy
Was this
answer
helpful?
Yes
No
Sunday, January 13th, 2019 AT 2:06 PM
Tiny
TREEGA6059
  • MEMBER
  • 46 POSTS
I know it is those plugs now, but I am thinking of new plugs if that is the next scenario. Pig plugs connectors. I am wondering if there is a diagram for that. I think we are very close since touching those wires seem to be the case and the old blower worked? I have a power probe that helped power the blowers. I might use it to see which plug is weak? Would you detect that with the car off? Thanks a lot. I feel a lot better now. Close, so close.
Was this
answer
helpful?
Yes
No
Sunday, January 13th, 2019 AT 4:05 PM
Tiny
ASEMASTER6371
  • MECHANIC
  • 52,796 POSTS
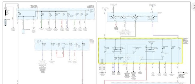
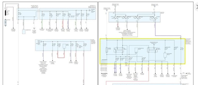
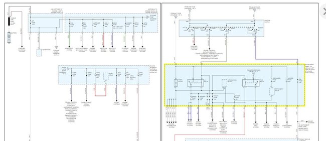
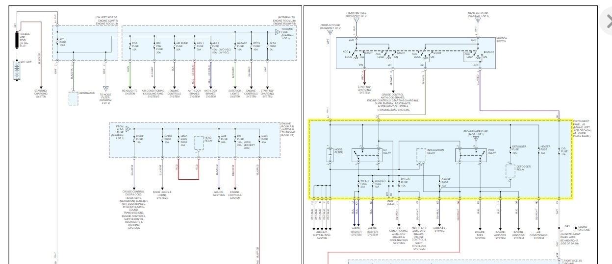
I attached the diagram for the fuse block with pin numbers and connectors.

The connectors are called pigtails. They should come with the wires and they should have the colors to match.

Roy
Was this
answer
helpful?
Yes
No
Sunday, January 13th, 2019 AT 4:27 PM
Tiny
TREEGA6059
  • MEMBER
  • 46 POSTS
No luck with the de-grease on the pigtails to the blower. It did not show any signs. I was excited when I put back my old one and wiggled the wires and it came on like brand new. It felt good but now back to square one again.
Was this
answer
helpful?
Yes
No
Monday, January 14th, 2019 AT 5:02 PM
Tiny
ASEMASTER6371
  • MECHANIC
  • 52,796 POSTS
Is the connector at the fuse block or the blower motor connector?

Roy
Was this
answer
helpful?
Yes
No
Monday, January 14th, 2019 AT 7:50 PM
Tiny
TREEGA6059
  • MEMBER
  • 46 POSTS
The connector is at the blower motor. I wiggled that the first time and it worked then after it didn't and today I greased it and no go. Nothing. I have two blowers and they both work, when I put power to them. I don't believe it is the blowers. Something with that line to the blower and plug. I keep thinking fuses again. I could recheck them. Still in limbo. I believe it is that line though? Trying to figure out how I could see more to that line? Thank you Roy
Was this
answer
helpful?
Yes
No
Monday, January 14th, 2019 AT 9:02 PM

Please login or register to post a reply.