HOME
ASK A QUESTION
REPAIR GUIDES
BECOME A MEMBER
LOG IN
Login with Facebook
OR
Remember me
NOT A MEMBER?
FORGOT PASSWORD?
CONTACT US
PRIVACY POLICY
TERMS AND CONDITIONS
☰
Home
Honda
Odyssey
Climate Control
Air Conditioner
Air condition
HILDA VILLALOBOS ALVAREZ
MEMBER
2002 HONDA ODYSSEY
4 CYL
AUTOMATIC
360,000 MILES
How do I fix the pump to A/C?
Monday, August 7th, 2017 AT 11:19 AM
1 Reply
KEN L
MASTER CERTIFIED MECHANIC
54,149 POSTS
Hello,
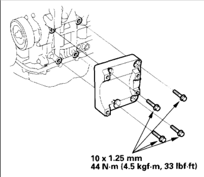
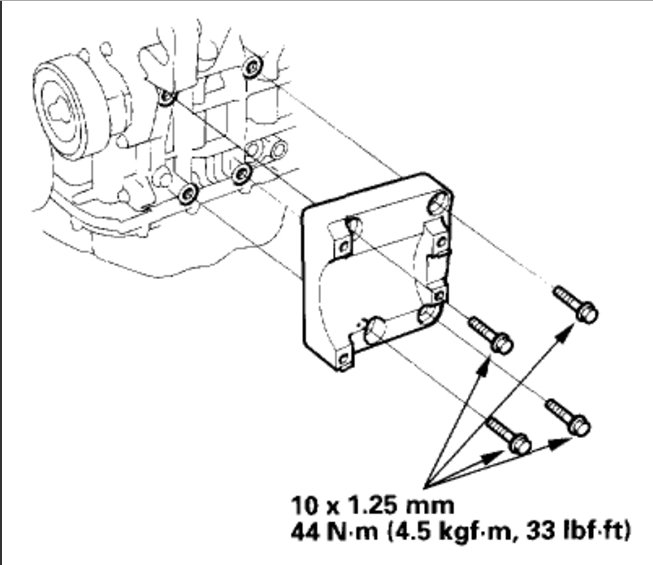
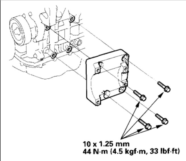
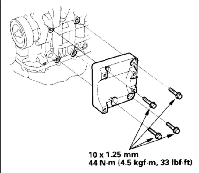
Yes to change the compressor you will need to remove the refrigerant before you begin. Here is some guides and diagrams (below) to help you get the job done.
https://www.2carpros.com/articles/re-charge-an-air-conditioner-system
and
https://www.2carpros.com/articles/replace-air-conditioner-compressor
Please let us know if you need anything else to get the problem fixed.
Cheers, Ken
Images (Click to make bigger)
Was this
answer
helpful?
Yes
No
Wednesday, August 9th, 2017 AT 11:51 AM
Please
login
or
register
to post a reply.
Related Air Conditioner Content
2003 Honda Odyssey A/c Hissing
There Is A Loud Hissing Noise Throughout The Cabin Which I Believe Is Plumbing For The A/c Unit. When Turning A/c Off, The Noise Goes Away...
Asked by
dreddaway
·
1 ANSWER
2003
HONDA ODYSSEY
GUIDE
Air Conditioner
Would you like to know how your vehicle’s air conditioner works? The system looks complicated, but it's really quite simple. Once you know how it delivers cold air you...
2006 Honda Odyssey Air Condition
I Am Getting Cold Air Through A/c But Atleast Once A Day It Blows White Air
Asked by
LKC0402
·
1 ANSWER
2006
HONDA ODYSSEY
2000 Honda Odyssey Passenger Getting Heat With Ac On
The Front Seat Passenger Complains Of Heat Either Coming From Under The Seat Or From The Door Side Of The Car. This Is With The Ac Set On...
Asked by
Big Daddy0
·
1 ANSWER
2000
HONDA ODYSSEY
2002 Honda Odyssey Heater/ac Unit Controller
My Ac Unit Is Only Blowing Air At The Full Speed. Evidently, The Dial That Controls The Flow Is Broken. I Bought A Used Heater/ac Control...
Asked by
Jbaird
·
1 ANSWER
2002
HONDA ODYSSEY
2002 Honda Odyssey Cabin Air Filter
How Do I Replace The Cabin Air Filter?
Asked by
Garage Boy
·
1 ANSWER
2002
HONDA ODYSSEY
VIEW MORE
Ask a Car Question. It's Free!
Air Conditioner - Add Refrigerant
AC Compressor Replacement Video
Air Conditioner Recharge - Simple