Sunday, June 11th, 2017 AT 1:08 PM
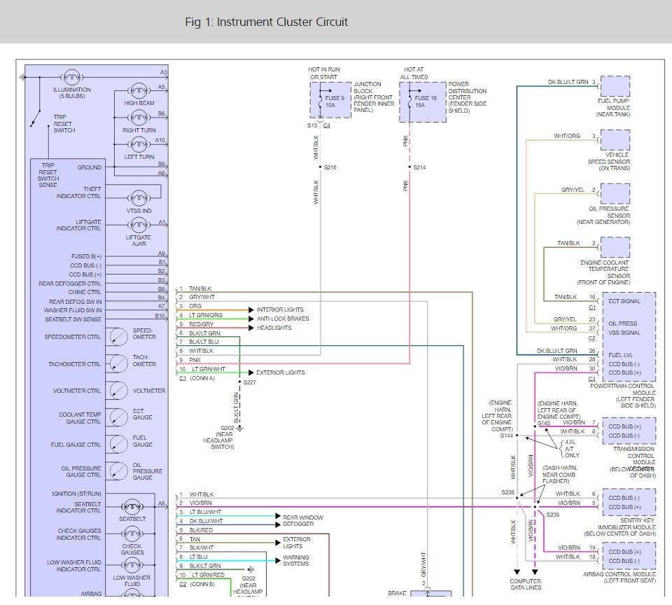
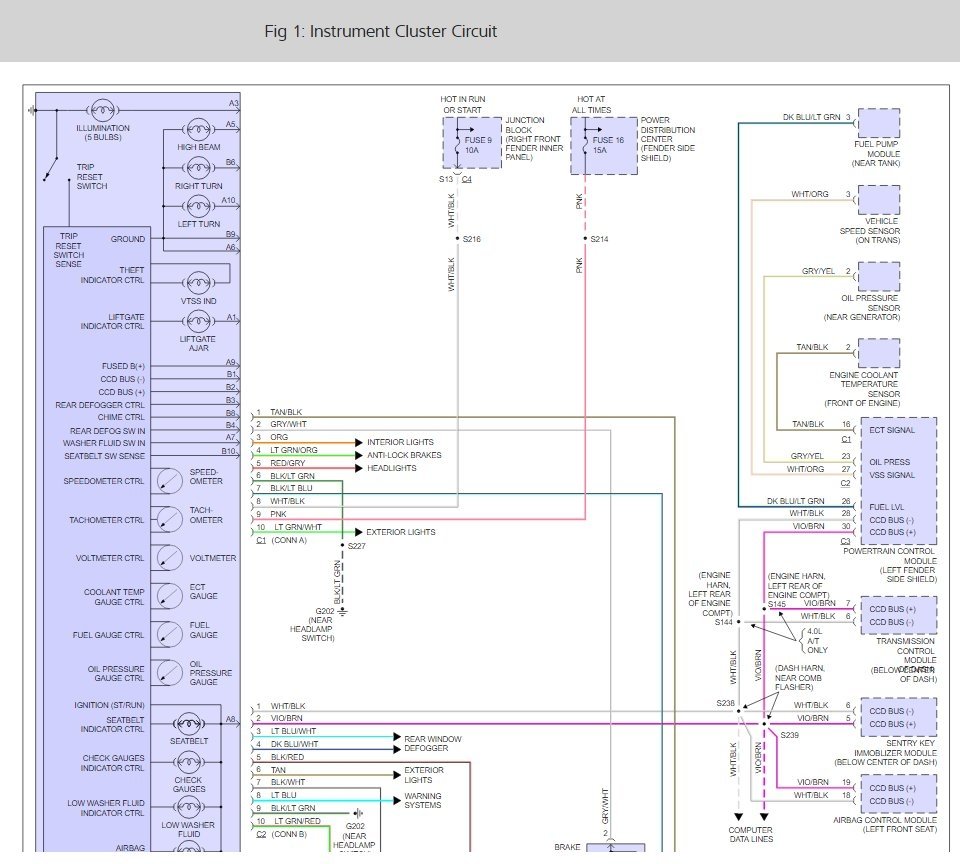
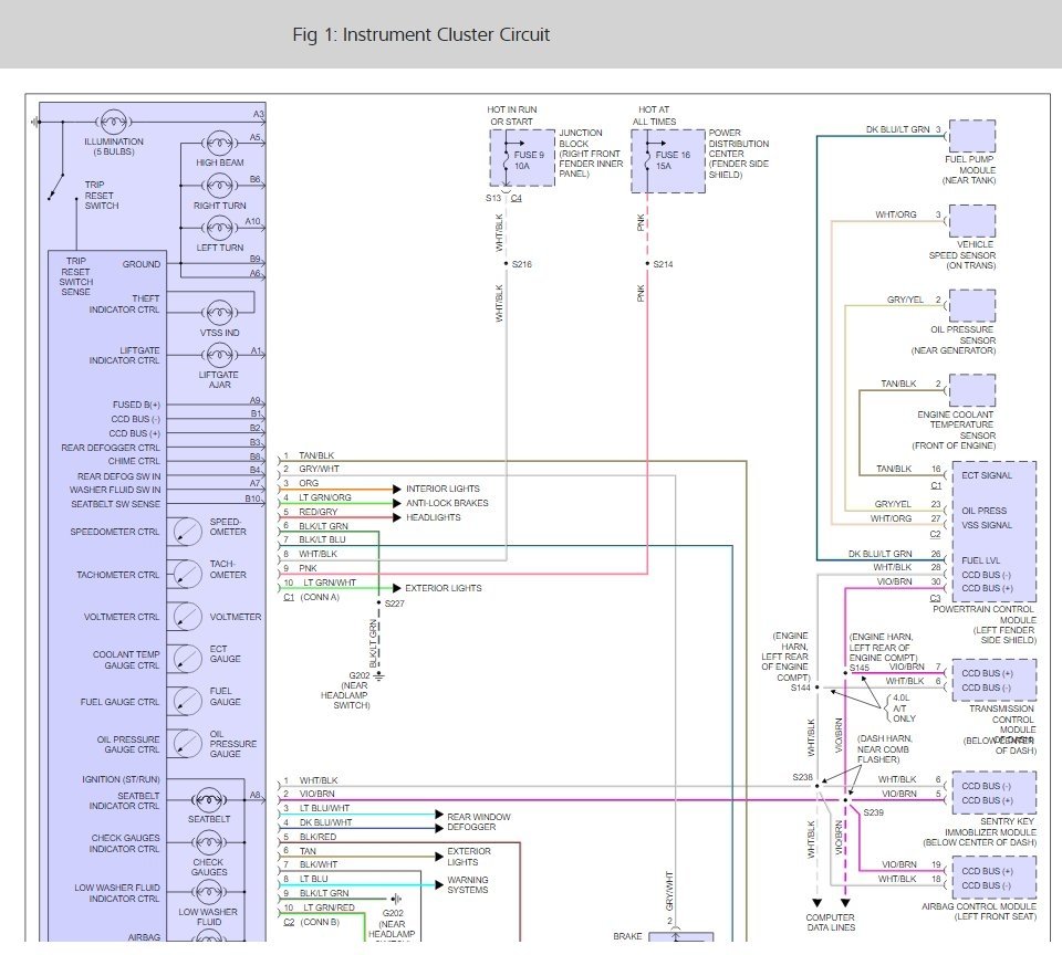
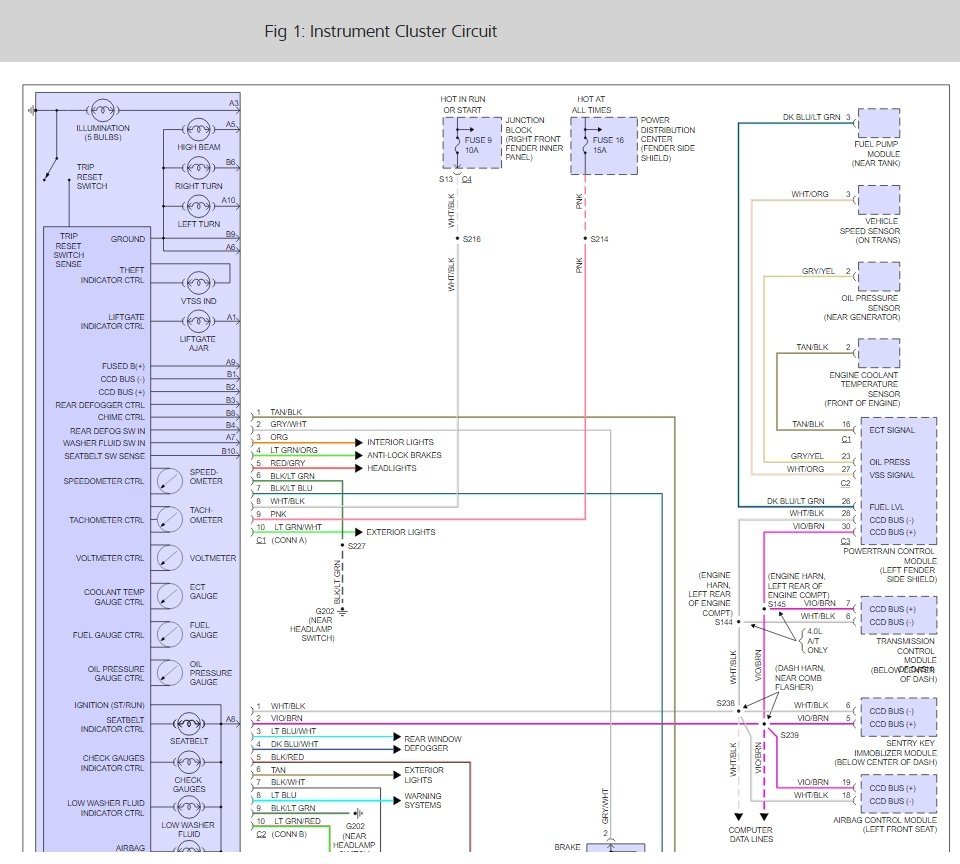
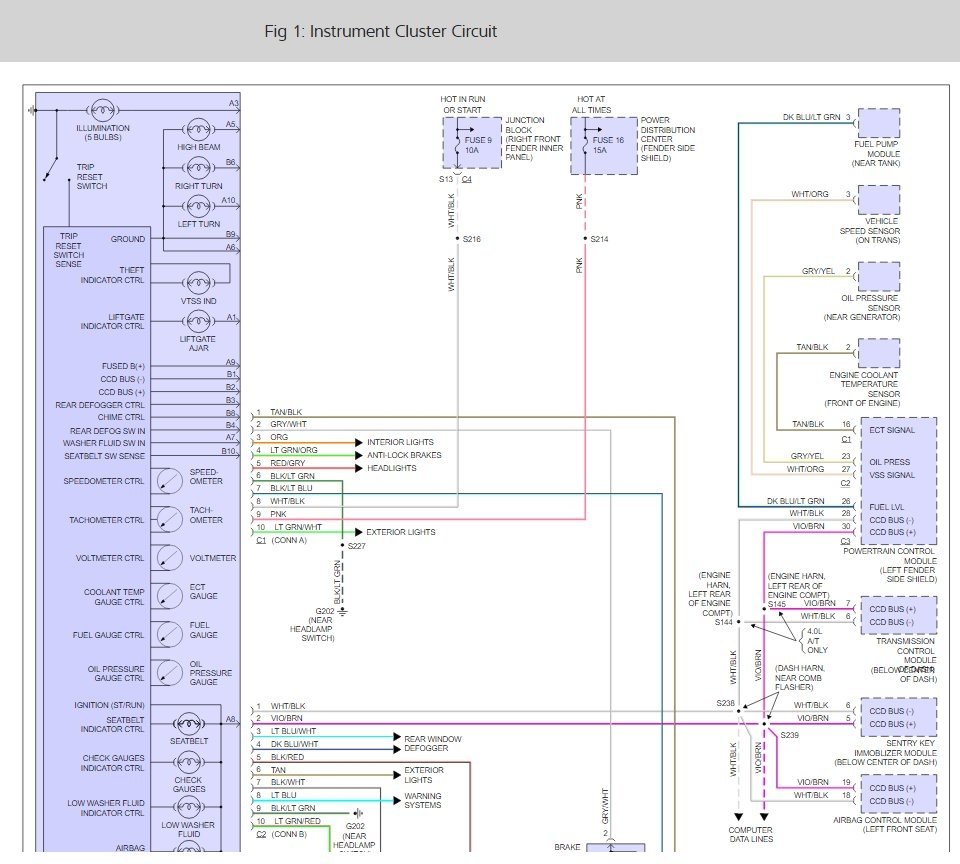
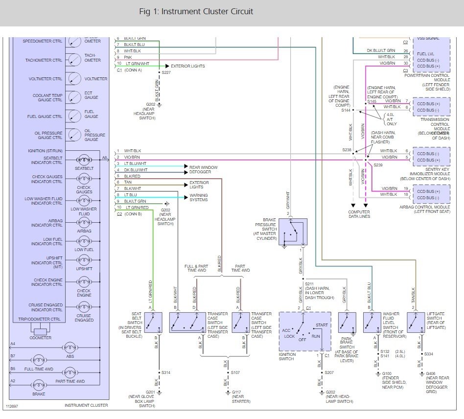
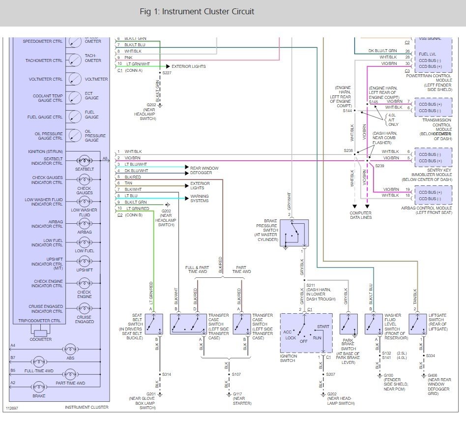
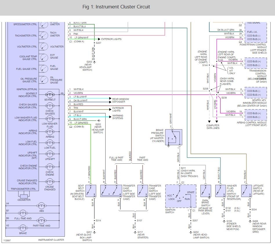
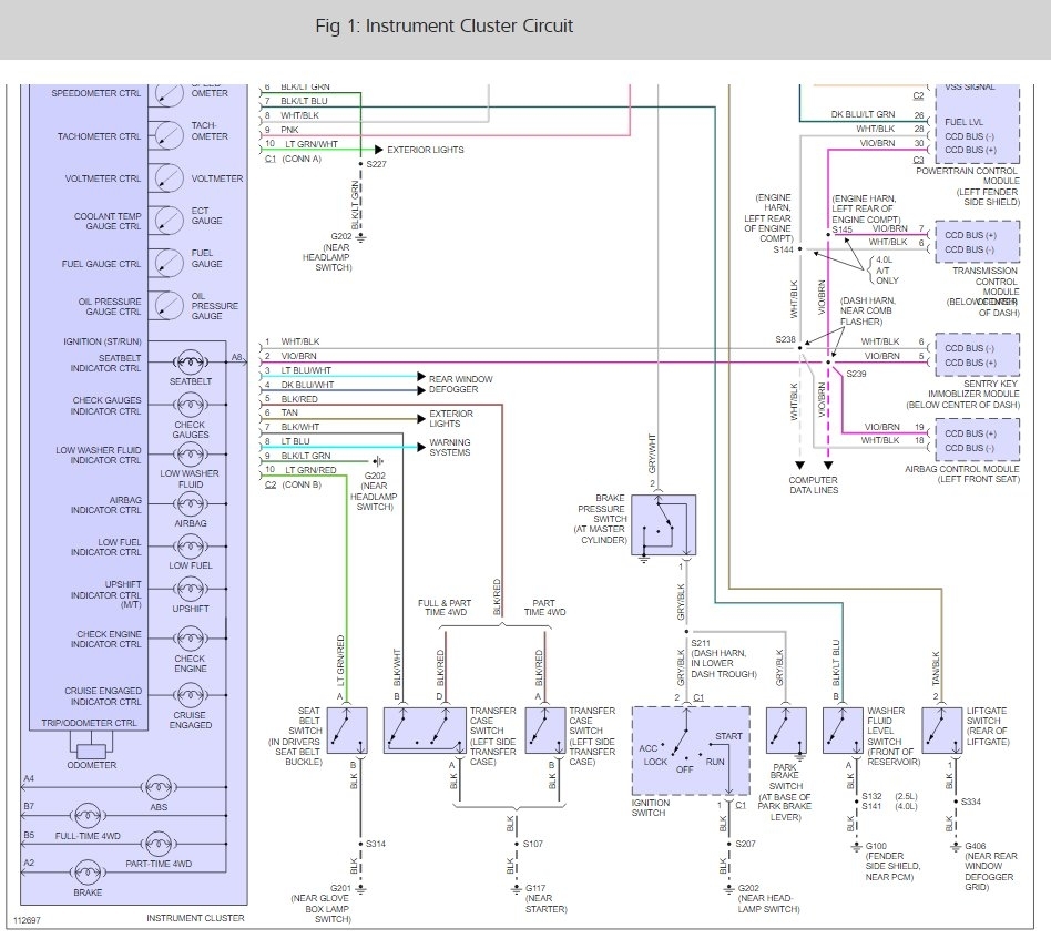
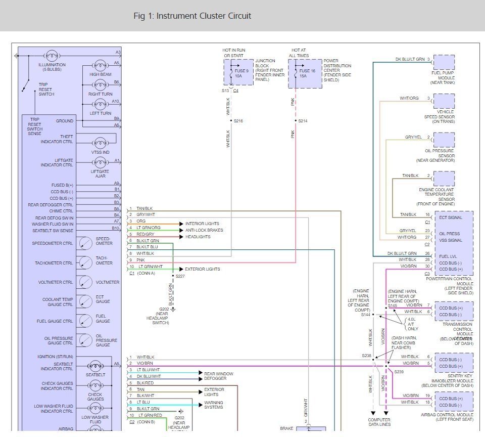
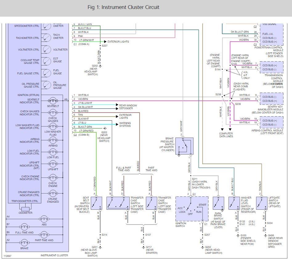
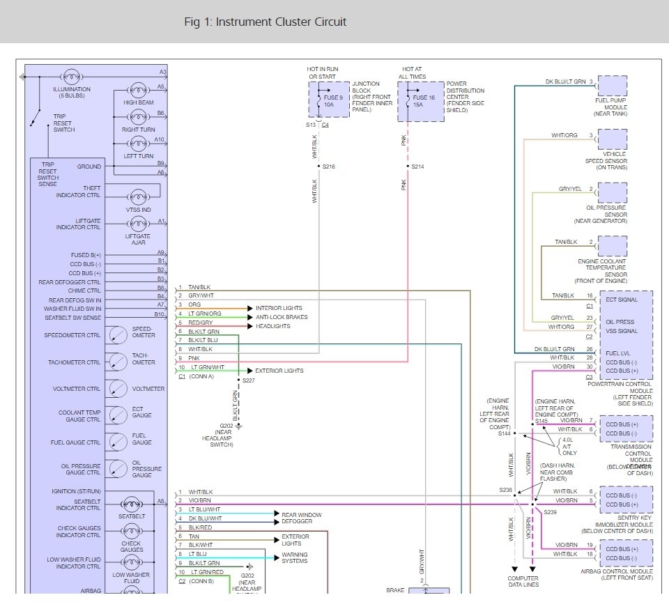
I bought my son the vehicle listed above for his first vehicle. It was involved in a accident and the passenger side airbag deployed. We got it put back together and when we started it none of the gauges work. It says no BUS. We took out the instrument panel and it looks good. I saw somewhere that no BUS could be caused by the airbag. I am trying to remove the air bag but cannot find all the bolts. Any help would be greatly appreciated.






