Saturday, April 15th, 2017 AT 11:17 AM
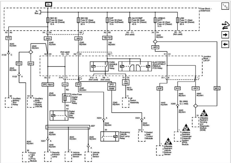
After removing the front seats and center console to re-upholster the interior, the dashboard airbag light will not reset and stays on continually. The message system says "service airbag" I have checked all wires and everything is connected securely. Please help!

