Intermittent issue A/C weak air flow

Tiny
PHILLIP19
  • MEMBER
  • 1997 GMC SIERRA
  • 5.7L
  • V8
  • 4WD
  • AUTOMATIC
  • 186,000 MILES
A/C blows good and sometimes it doesn’t.
Thursday, August 19th, 2021 AT 4:19 PM

1 Reply

Tiny
KASEKENNY
  • MECHANIC
  • 18,907 POSTS
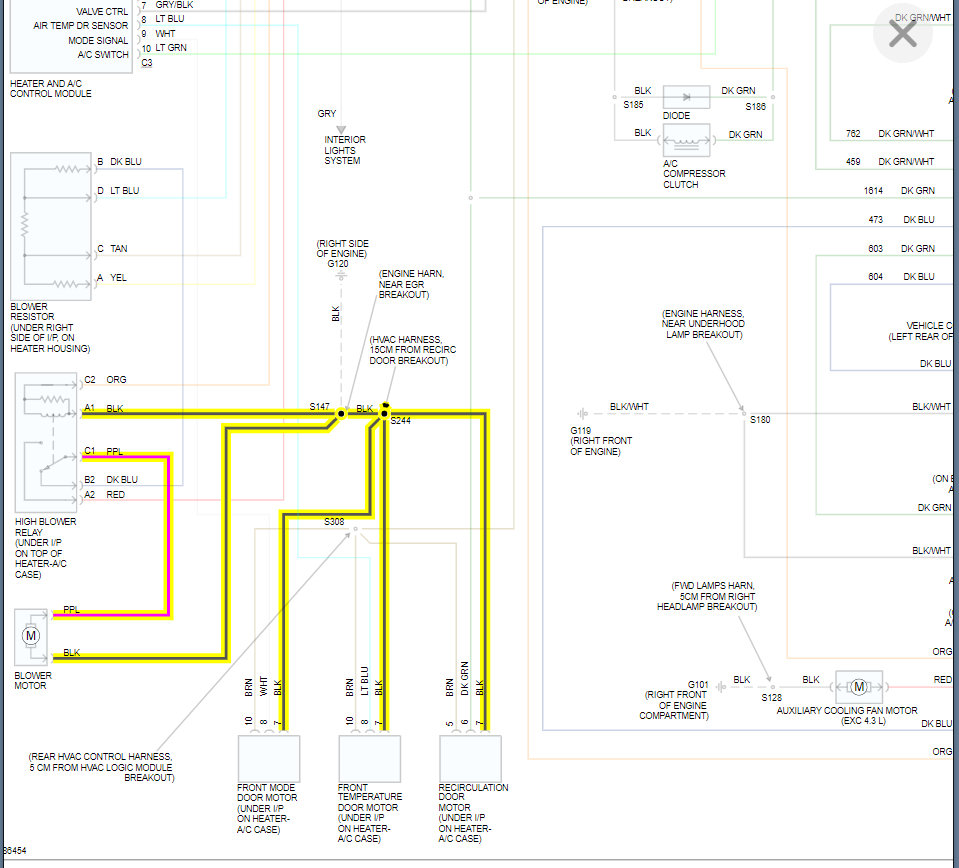
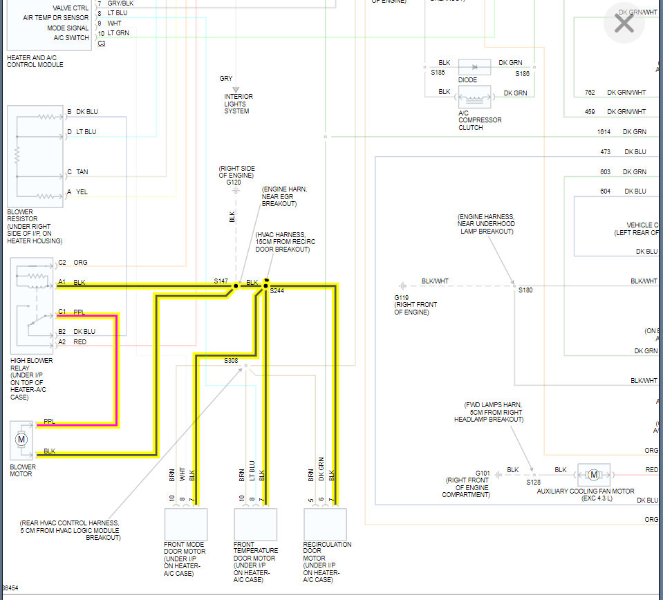
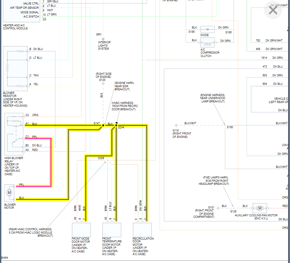
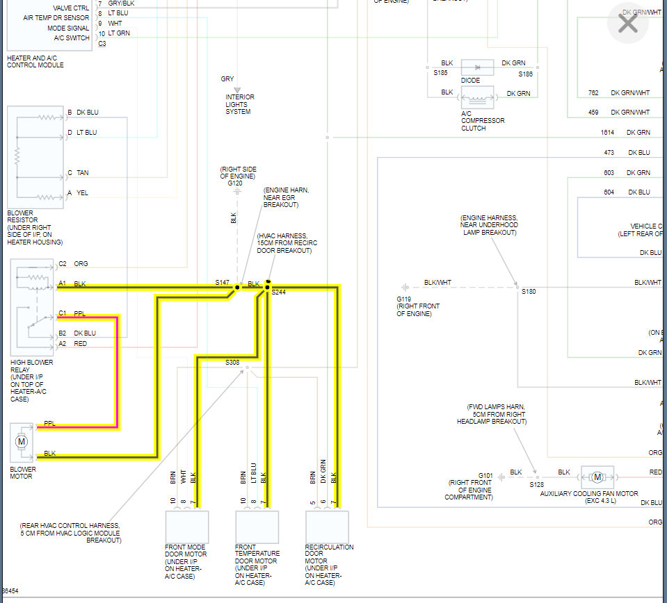
I assume you mean the blower motor doesn't always blow consistently. If this is the case then we need to monitor the voltage on the blower when it happens.

Basically we need to see if the blower motor is the issue, the ground, or the resistor that sends voltage to the blower is the issue.

https://www.2carpros.com/articles/low-or-no-air-flow-from-vents

https://www.2carpros.com/articles/how-to-check-wiring

Below you will find the wiring diagram that we need in order to find out if the blower motor is getting proper voltage.

If this is not your issue and the issue is actually the A/C just doesn't blow cold at times, then we need to check the pressure of the system when this is not blowing cold.

https://www.2carpros.com/articles/re-charge-an-air-conditioner-system

Please let us know if you have other questions and we can go from there. Thanks
Was this
answer
helpful?
Yes
No
Saturday, August 21st, 2021 AT 3:53 PM

Please login or register to post a reply.