A/C only blows cold while driving?

Tiny
YK16
  • MEMBER
  • 2010 VOLVO XC60
  • 3.0L
  • 6 CYL
  • TURBO
  • 4WD
  • AUTOMATIC
  • 130,000 MILES
My A/C only blows cold while driving. It gets really cold at highway speeds. Any ideas what it could be? (The coolant fan does come on, so I don't think that's the issue.)
Thanks!
Tuesday, May 28th, 2024 AT 6:12 AM

41 Replies

Tiny
KEN L
  • MASTER CERTIFIED MECHANIC
  • 55,488 POSTS
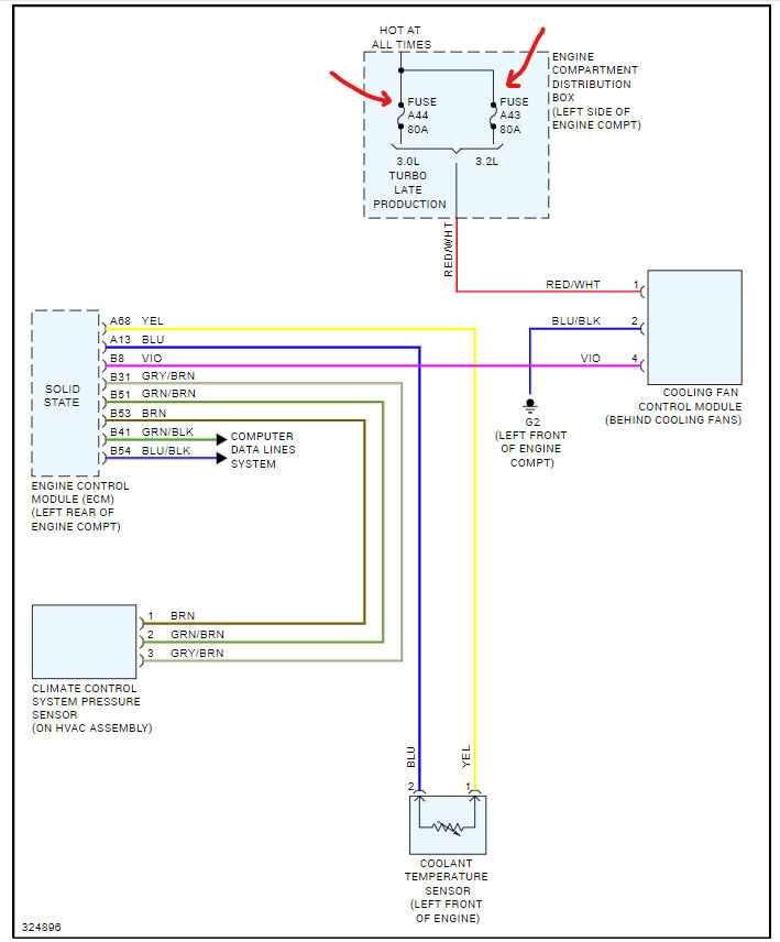
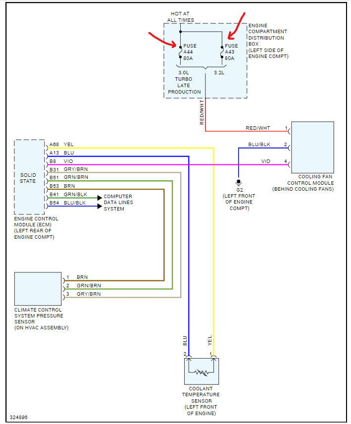
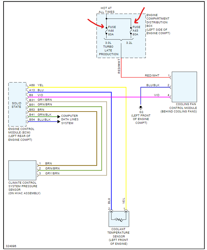
Yep, the cooling fan must run for the air conditioner to work correctly, chances are the cooling fan motor/module has gone out, but we should check the fuses which are under the hood fuse # a44 or #a43 here is a guide that will help and the fuse locations for under the hood. Also, I have included how to swap the radiator cooling fan motor/module out in case you need it. Here are the wiring diagrams for the system as well so you can see how the system works. Check out the images (below). Please upload pictures or videos in your response to any problems so we can see what to help you with.
Was this
answer
helpful?
Yes
No
Tuesday, May 28th, 2024 AT 10:26 AM
Tiny
YK16
  • MEMBER
  • 40 POSTS
I did check and the fan is working but it may only be working the first few minutes the car is on. I will try to figure that out. Thanks
Was this
answer
helpful?
Yes
No
Wednesday, May 29th, 2024 AT 6:18 AM
Tiny
KEN L
  • MASTER CERTIFIED MECHANIC
  • 55,488 POSTS
Okay, also this guide may help as well:

https://www.2carpros.com/articles/car-air-conditioner-not-working-or-is-weak

Please go over this guide and get back to us.
Was this
answer
helpful?
Yes
No
Wednesday, May 29th, 2024 AT 8:40 AM
Tiny
YK16
  • MEMBER
  • 40 POSTS
Interestingly the A/C works fine while parked. Only has issues while driving at low speeds. Does that point to anything specific?
Was this
answer
helpful?
Yes
No
Wednesday, May 29th, 2024 AT 12:34 PM
Tiny
KEN L
  • MASTER CERTIFIED MECHANIC
  • 55,488 POSTS
Is the cooling fan working while you are parked?
Was this
answer
helpful?
Yes
No
Thursday, May 30th, 2024 AT 10:27 AM
Tiny
YK16
  • MEMBER
  • 40 POSTS
Yes.
Was this
answer
helpful?
Yes
No
Thursday, May 30th, 2024 AT 10:27 AM
Tiny
YK16
  • MEMBER
  • 40 POSTS
It's possible that it shuts off while I'm driving. I haven't been able to check for that yet.
Was this
answer
helpful?
Yes
No
Thursday, May 30th, 2024 AT 10:28 AM
Tiny
YK16
  • MEMBER
  • 40 POSTS
I think the coolant fan was overheating so it would shut off when it got too hot. I replaced the fan assembly and now a/c blows cool. Thanks!
Was this
answer
helpful?
Yes
No
Monday, June 3rd, 2024 AT 11:17 AM
Tiny
KEN L
  • MASTER CERTIFIED MECHANIC
  • 55,488 POSTS
Thanks for letting us know, we are here to help, please use 2CarPros anytime.
Was this
answer
helpful?
Yes
No
Tuesday, June 4th, 2024 AT 7:00 AM
Tiny
YK16
  • MEMBER
  • 40 POSTS
It worked for about a day. But it's back to square one now. It's still blowing cold while idling and then warming up when I start driving until I get to highway speeds. Is it possible that it's a bad pressure valve?
Was this
answer
helpful?
Yes
No
Tuesday, June 4th, 2024 AT 7:02 AM
Tiny
KEN L
  • MASTER CERTIFIED MECHANIC
  • 55,488 POSTS
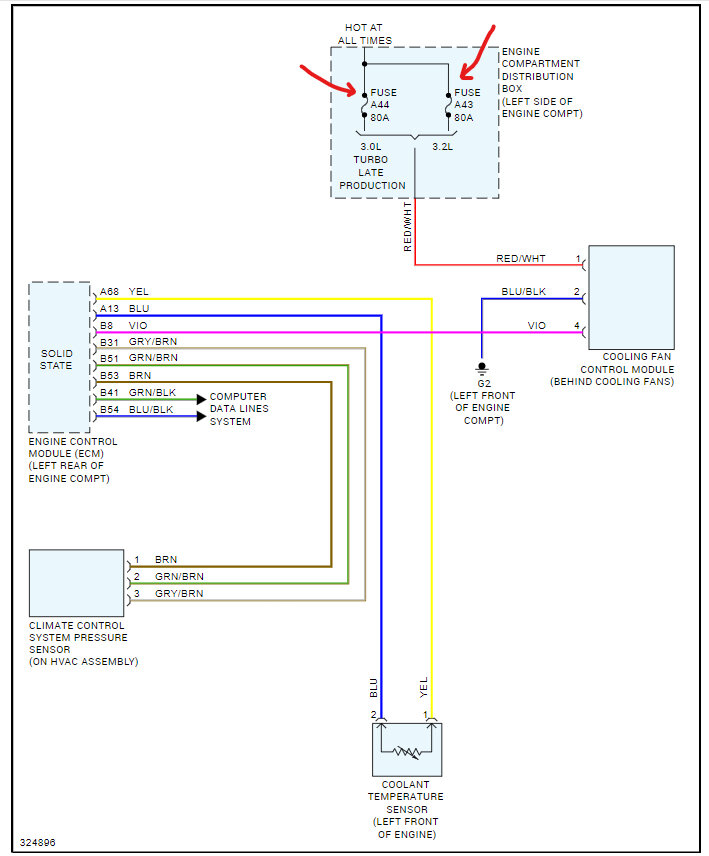
Yes, it could be but we need to get an idea of if it is the refrigerant side of the system, when the AC is on, can you find and put your hand on the larger AC tube coming from the firewall and going to the compressor to see if it is cold, also, we should see what the pressures are because you could have an AC compressor going out. Please go over the guide above again as well.

https://www.2carpros.com/articles/re-charge-an-air-conditioner-system

Check out the images (below). Please let us know what happens.
Was this
answer
helpful?
Yes
No
Wednesday, June 5th, 2024 AT 9:19 AM
Tiny
YK16
  • MEMBER
  • 40 POSTS
Pressure was good but was mostly air in the lines not freon. It was missing about 20g of freon. Now it blows cold but still only gets very cold at higher MPH.
Was this
answer
helpful?
Yes
No
Sunday, June 16th, 2024 AT 7:51 AM
Tiny
KEN L
  • MASTER CERTIFIED MECHANIC
  • 55,488 POSTS
Can I ask what the high and low side pressure was, also the system might still be low on refrigerant. Please go over this video:

https://youtu.be/-mikngtS63w?si=cTi79D73ARRGIOFD

Please go over this guide and get back to us.
Was this
answer
helpful?
Yes
No
Sunday, June 16th, 2024 AT 12:25 PM
Tiny
YK16
  • MEMBER
  • 40 POSTS
I got it serviced at a shop. I think he put in about 28g. Could it be that the condenser coils need to be cleaned?
Was this
answer
helpful?
Yes
No
Sunday, June 16th, 2024 AT 2:59 PM
Tiny
KEN L
  • MASTER CERTIFIED MECHANIC
  • 55,488 POSTS
Yes, it could, can you inspect the condenser to see if it is clogged with debris? Also, we need to know the pressures as well, you could have an A/C compressor that is going out.

https://www.2carpros.com/articles/re-charge-an-air-conditioner-system

Please go over this guide and get back to us.
Was this
answer
helpful?
Yes
No
Monday, June 17th, 2024 AT 11:07 AM
Tiny
YK16
  • MEMBER
  • 40 POSTS
I felt the low line and it's cool but not cold to the touch and def not sweating.
It basically only blows cool now when it's idling.
Could it be the condenser?
Was this
answer
helpful?
Yes
No
Friday, June 21st, 2024 AT 2:16 PM
Tiny
KEN L
  • MASTER CERTIFIED MECHANIC
  • 55,488 POSTS
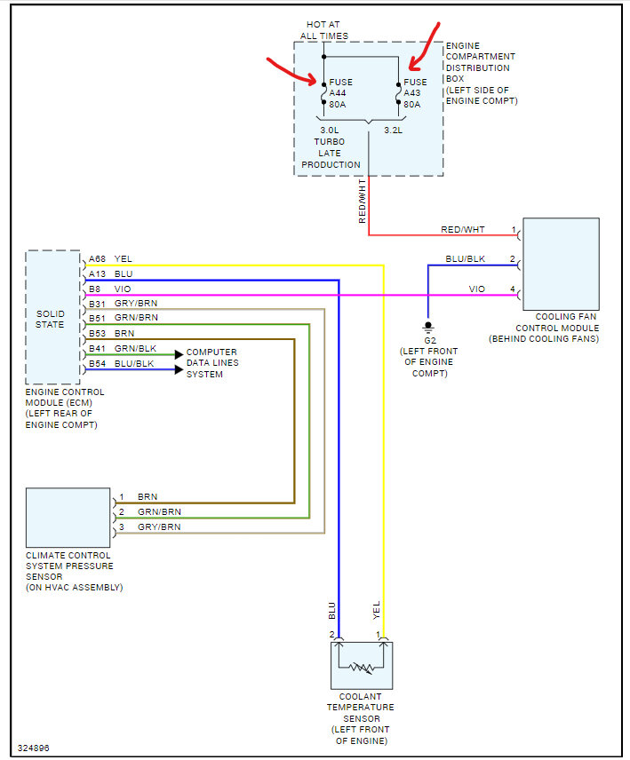
The radiator fan is on when the A/C is on, correct? Let's see what the high and low side pressures are and we can go from these please go over this video for help:

https://youtu.be/4EqdrBVb0sY?si=TTNcN3vd5adipUFW

Please go over this guide and get back to us.
Was this
answer
helpful?
Yes
No
Sunday, June 23rd, 2024 AT 10:42 AM
Tiny
YK16
  • MEMBER
  • 40 POSTS
Yes, the fan is on. Okay, thanks. I'll try to get a reading.
Was this
answer
helpful?
Yes
No
Sunday, June 23rd, 2024 AT 11:06 AM
Tiny
YK16
  • MEMBER
  • 40 POSTS
Temperature outside is 91 degrees.
Was this
answer
helpful?
Yes
No
Sunday, June 23rd, 2024 AT 12:06 PM
Tiny
YK16
  • MEMBER
  • 40 POSTS
This is while the vehicle is idling, and the A/C is blowing cold. A/C stops blowing cold while driving.
Was this
answer
helpful?
Yes
No
Sunday, June 23rd, 2024 AT 12:08 PM

Please login or register to post a reply.